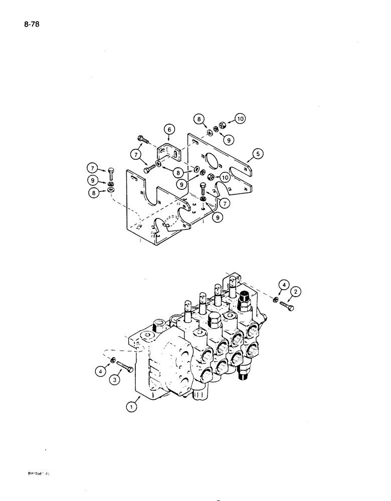
Запчасти Case 850D (8-078) - EQUIPMENT CONTROL VALVE MOUNTING, DOZER PIN JAK0002062 OR LOADER PIN JAK0005723 & AFTER (08) - HYDRAULICS

Схема запчастей Case 850D - (8-078) - EQUIPMENT CONTROL VALVE MOUNTING, DOZER PIN JAK0002062 OR LOADER PIN JAK0005723 & AFTER (08) - HYDRAULICS
10
9
5
8
10
7
8
4
8
4
7
3
6
9
2
9
9
7
1
FIT
1:1
100%

Артикул

Название

Примечание

Количество

1

REF

INSTRUCTION

VALVE ASSEMBLY - equipment control, for correct assembly and components see Figures 8-090 through 8-106

1шт.

2

413-624

BOLT,Hex, 3/8" - 16 x 1-1/2", Gr 5

2шт.

3

413-628

BOLT,Hex, 3/8" - 16 x 1-3/4", Gr 5

1шт.

4

492-11038

LOCK WASHER,3/8"

3шт.

5

R56412

SUPPORT

linkage

1шт.

6

R41335

SUPPORT

angle, linkage bracket support

1шт.

7

413-618

BOLT,Hex, 3/8" - 16 x 1-1/8", Gr 5

6шт.

8

495-11041

WASHER,0.406" ID x 0.812" OD x 0.065" W

Flat

4шт.

9

492-11038

LOCK WASHER,3/8"

6шт.

10

425-106

NUT,3/8"-16, Cl 5

2шт.

Выбрано товаров: 10