Запчасти Case 850D (5-26) - CASE LUBRICATED TRACK (OPTIONAL) WITH SPLIT MASTER LINKS (11) - TRACKS/STEERING

Схема запчастей Case 850D - (5-26) - CASE LUBRICATED TRACK (OPTIONAL) WITH SPLIT MASTER LINKS (11) - TRACKS/STEERING
2
15
18
5
14
6
19
16
18
3
1
13
20
17
12
7
9
4
8
20
FIT
1:1
100%

Артикул

Название

Примечание

Количество

R51133

CHAIN (CE)

38 unit, used on loaders, 60 inch gauge standard track dozers, and early LGP dozers, Includes: Ref. 1 - 11

2шт.

R54498

CHAIN (CE)

41 unit, used on late LGP and all long track dozers, Includes: Ref. 1 - 11

2шт.

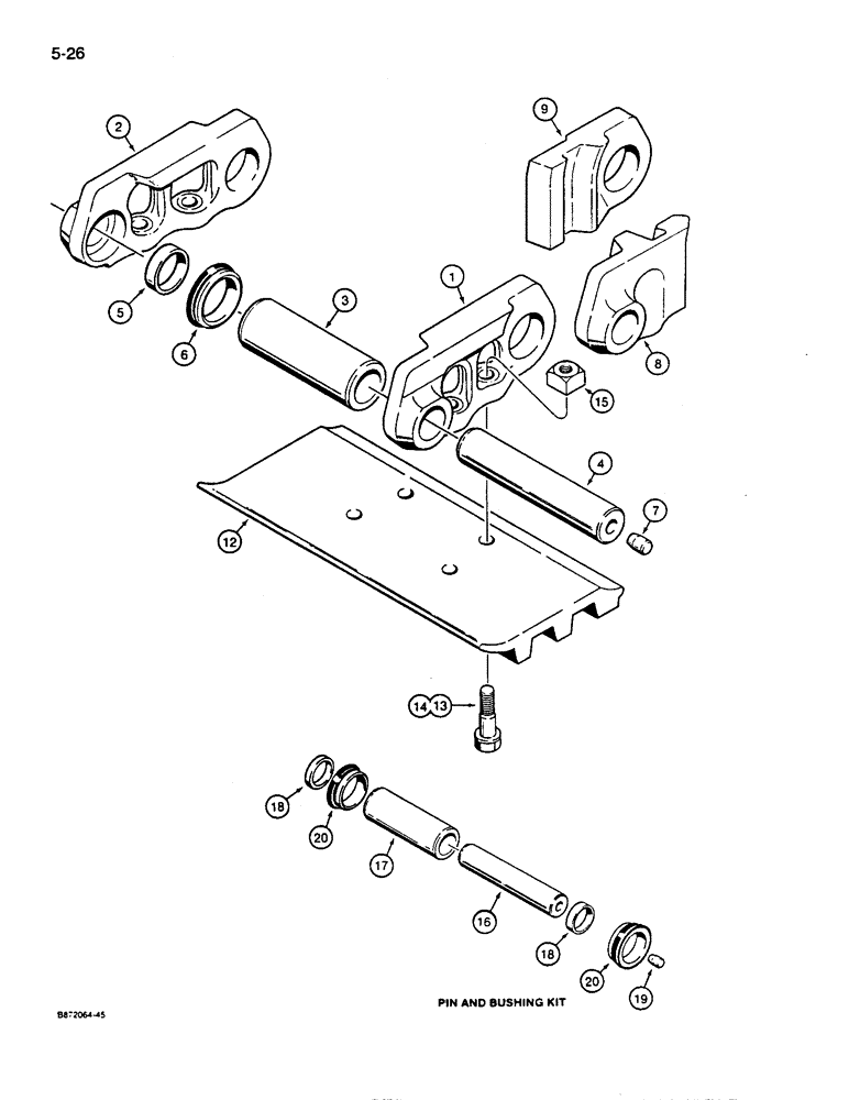
1

R49789

LINK

track, right-hand

37шт.

For 38 Unit Track Chain Assembly

1шт.

1

R49789

LINK

track, right-hand

40шт.

For 41 Unit Track Chain Assembly

1шт.

2

R49788

LINK

track, left-hand

37шт.

For 38 Unit Track Chain Assembly

1шт.

2

R49788

LINK

track, left-hand

40шт.

For 41 Unit Track Chain Assembly

1шт.

3

R51130

BUSHING

track pin

38шт.

For 38 Unit Track Chain Assembly

1шт.

3

R51130

BUSHING

track pin

41шт.

For 41 Unit Track Chain Assembly

1шт.

4

R51131

PIN,33.48mm OD x 183.5mm L

track

38шт.

For 38 Unit Track Chain Assembly

1шт.

4

R51131

PIN,33.48mm OD x 183.5mm L

track

41шт.

For 41 Unit Track Chain Assembly

1шт.

5

R51132

SPACER

seal

76шт.

For 38 Unit Track Chain Assembly

1шт.

5

R51132

SPACER

seal

82шт.

For 41 Unit Track Chain Assembly

1шт.

6

R50830

OIL SEAL

track pin

76шт.

For 38 Unit Track Chain Assembly

1шт.

6

R50830

OIL SEAL

track pin

82шт.

For 41 Unit Track Chain Assembly

1шт.

7

R50441

PLUG

track pin

38шт.

For 38 Unit Track Chain Assembly

1шт.

7

R50441

PLUG

track pin

41шт.

For 41 Unit Track Chain Assembly

1шт.

R52640

LINK

MASTER, right-hand, Includes: Ref. 8 & 9

1шт.

8

NSS

NOT SOLD SEPARAT

LINK - master, fits over track pin on outside of regular track link, right-hand

1шт.

9

NSS

NOT SOLD SEPARAT

LINK - master, fits over bushing on inside of regular track link, right-hand

1шт.

R52639

LINK

MASTER, hand, not shown, Includes: Ref. 10 & 11

1шт.

10

NSS

NOT SOLD SEPARAT

LINK - master, fits over track pin on outside of regular track link, left-hand, not shown

1шт.

11

NSS

NOT SOLD SEPARAT

LINK - master, fits over bushing on inside of regular track link, left-hand, not shown

1шт.

12

REF

INSTRUCTION

TRACK SHOE - see Figures 5-30 and 5-32 for options

76шт.

For 38 Unit Track Chain Assembly

1шт.

12

REF

INSTRUCTION

TRACK SHOE - see Figures 5-30 and 5-32 for options

82шт.

For 41 Unit Track Chain Assembly

1шт.

13

D48004

FLANGE BOLT

hex, special, 2 inch (51mm) long, for all except self-cleaning track shoes

280шт.

For 38 Unit Track Chain Assembly

1шт.

13

D48004

FLANGE BOLT

hex, special, 2 inch (51mm) long, for all except self-cleaning track shoes

304шт.

For 41 Unit Track Chain Assembly

1шт.

14

R44189

BOLT

hex, special, 3-1/4 (83mm) long, for self-cleaning track shoes only

280шт.

For 38 Unit Track Chain Assembly

1шт.

14

R44189

BOLT

hex, special, 3-1/4 (83mm) long, for self-cleaning track shoes only

304шт.

For 41 Unit Track Chain Assembly

1шт.

15

R57375

SQUARE NUT

square, special, not used on master link bolts

272шт.

For 38 Unit Track Chain Assembly

1шт.

15

R57375

SQUARE NUT

square, special, not used on master link bolts

296шт.

For 41 Unit Track Chain Assembly

1шт.

R51739

SET

pin and bushing, includes instruction sheet, services complete track chain, both sides of tractor, Includes: Ref. 16 - 21

1шт.

16

R51131

PIN,33.48mm OD x 183.5mm L

track, bushing kit

82шт.

17

R51130

BUSHING

track pin kit

82шт.

18

R51132

SPACER

seal, pin & bushing kit

164шт.

19

R50441

PLUG

track pin, bushing kit

82шт.

20

R50830

OIL SEAL

track pin, bushing kit

164шт.

21

345-140

SEALANT

gasket, Scotch Grip No. 847, 1 pint, for link pin bores, not shown, pin & bushing kit

1шт.

Выбрано товаров: 59