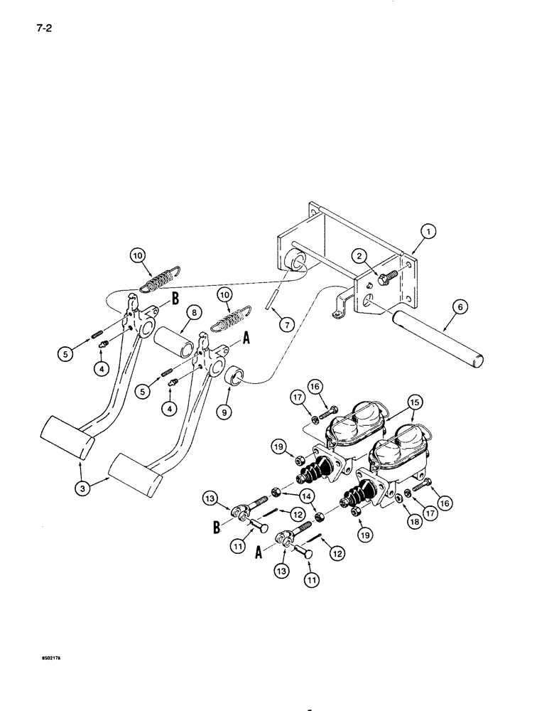
Запчасти Case 850D (7-02) - POWER BRAKE PEDALS AND MASTER CYLINDER MOUNTING (07) - BRAKES

Схема запчастей Case 850D - (7-02) - POWER BRAKE PEDALS AND MASTER CYLINDER MOUNTING (07) - BRAKES
10
4
19
18
7
12
13
19
5
16
17
15
8
6
11
11
12
1
3
10
14
17
4
13
16
9
5
2
FIT
1:1
100%

Артикул

Название

Примечание

Количество

1

R51378

SUPPORT

brake pedal and spring mounting

1шт.

2

121-429

FLANGE BOLT,Hex, 1/2" - 13 x 1 1/4", Gr 8, Full Thd

4шт.

3

R51498

PEDAL

brake

2шт.

4

219-1

LUBE NIPPLE,1/8" - 27 NPTF

2шт.

5

178-446

SET SCREW,Hex Soc, 5/16"-18 x 1"

Flat point

2шт.

6

R51381

SHAFT

brake pedals

1шт.

7

138-2016

PIN,1/4" x 1 7/8", Coiled

1шт.

8

R51385

SPACER

between brake pedals

1шт.

9

R51509

SPACER

Brake pedal, RH, if used, may be welded to Ref. 1 bracket on some models

1шт.

10

D120911

SPRING

pedal

2шт.

11

141-64

CLEVIS PIN,7/16" x 1.190"

2шт.

12

132-320

COTTER PIN,3/32" x 3/4"

2шт.

13

D94105

YOKE

UNIVERSAL JOINT YOKE 7/16" - 20 NF, brake pedal to master cylinder

2шт.

14

129-164

JAM NUT,Hex, 7/16" - 20, Gr 5

2шт.

15

D131596

MASTER CYLINDER

CYLINDER,MASTER brake, parts list Figure 7-06

2шт.

16

113-208

BOLT,Hex, 3/8" - 16 x 1-1/4", Gr 5

If used

6шт.

16

413-624

BOLT,Hex, 3/8" - 16 x 1-1/2", Gr 5

If used

6шт.

17

192-21

LOCK WASHER,3/8"

6шт.

18

D41740

WASHER

flat, 3/8", hardened

2шт.

19

425-106

NUT,3/8"-16, Cl 5

If used

6шт.

Выбрано товаров: 20