Качественные детали и логистика
Оригинальные и аналоговые запчасти с доставкой по России, Казахстану и Беларуси
©2022 PartSell ООО "Система" ИНН 2463123282 ОГРН 1212400004838
Центральный офис: г. Красноярск, Академика Киренского, д.87, пом.4
Телефон: 8 (800) 777-65-74 Email: zakaz@partsell.ru
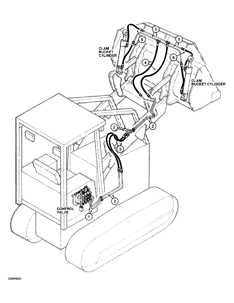
(1-18) - PICTORIAL INDEX, LOADER HYDRAULICS, CLAM CYLINDER
№
Артикул
Название
Примечание
Количество
1
Clam Tubes at Control Valve, figure 8-18
1шт.
2
Clam Tubes on Loader Upright Frame, figure 8-18
3
Intermediate Clam Hoses, figure 8-18
4
Hoses to Tee at Clam Bucket, figure 8-18
5
Tubes on Clam Bucket, figure 8-20
6
Hoses at Clam Cylinders, figure 8-20
Выбрано товаров: 0