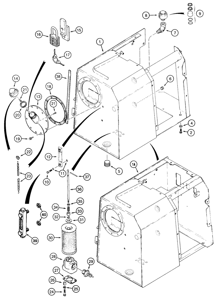
Запчасти Case 850E (8-002) - HYDRAULIC RESERVOIR (08) - HYDRAULICS

Схема запчастей Case 850E - (8-002) - HYDRAULIC RESERVOIR (08) - HYDRAULICS
7
37
39
27
26
32
35
2
15
6
4
21
19
30
12
40
21
28
35
10
38
1
1a
29
5
24
31
9
14
22
20
34
25
11
23
33
8
16
18
17
13
FIT
1:1
100%

Артикул

Название

Примечание

Количество

1

R58054

TANK

RESERVOIR - hydraulic, dozer models

1шт.

1a

R58050

TANK

RESERVOIR - hydraulic, loader models

1шт.

2

413-1016

BOLT,Hex, 5/8" - 11 x 1", Gr 5

- hex, 5/8 NC x 1 inch

4шт.

4

96-21066

WASHER,21/32" x 1 5/16" x .150", HDN

- flat, 21/32 x 1-5/16 x 5/32 inch, hardened

4шт.

5

221-847

PLUG,Hex Soc, 1 1/4"-11 1/2

- hex socket, 1-1/4 inch PT, drain

1шт.

6

217-439

PLUG,Hex Soc, 1/2" - 14 NPTF

- hex socket, 1/2 inch PT

1шт.

7

221-1415

ELBOW,90 Degree, 3/4"-14, NPT

- street, 90 degree, 3/4 inch PT

1шт.

8

R42714

BREATHER

- hydraulic reservoir

1шт.

9

N6475

SET

KIT - breather, includes element, two O-rings and two snap rings

1шт.

L116247

GAUGE

ASSEMBLY - sight, hydraulic oil, no longer available, order items 39 and 40 below

1шт.

10

NSS

NOT SOLD SEPARAT

BOLT - special, sight gauge

2шт.

11

238-7112

O-RING,0.103" Thk x 0.487" ID, -112, Cl 7, 75 Duro

Sight gauge -112, Cl 7, .487" ID x .103" Thk

4шт.

12

NSS

NOT SOLD SEPARAT

GAUGE - sight, order L116247 sight gauge assembly

1шт.

178980A1

COVER

- hydraulic reservoir, rear, with filler tube

1шт.

13

NSS

NOT SOLD SEPARAT

COVER - hydraulic reservoir

1шт.

14

L128669

CAP

- filler

1шт.

15

R46704

BRACKET

TAB - locking, filler cap, weld-on

1шт.

16

D93753

PADLOCK

- hydraulic reservoir cap, includes keys

1шт.

17

R29555

KEY

- for Master padlock only

2шт.

17

D93751

SET OF 2 KEYS

KEY - for Yale padlock only

2шт.

18

R46621

GASKET

- rear cover

1шт.

19

160-101

BOLT,Hex, 3/8" - 16 x 3/4", Gr 8, Full Thd

- hex flange, 3/8 NC x 3/4 inch, grade 8

10шт.

20

R46984

GASKET

- filler cap

1шт.

21

301-14712

SCREW,Drive, #12 x 3/4"

- drive, round head, No. 12 x 3/4 inch

2шт.

22

R48634

FASTENER

HOOK - chain

1шт.

23

R47786

CHAIN (CE)

CHAIN - filler cap

1шт.

24

413-828

BOLT,Hex, 1/2" - 13 x 1-3/4", Gr 5

2шт.

25

80679

LOCK WASHER,1/20.507 CST ZND

WASHER, LOCK, 1/2"

2шт.

26

T53868

BUSHING

SPACER - filter block mounting

2шт.

27

R27324

GASKET

- filter

1шт.

28

R36277

BLOCK ASSY.

BLOCK - filter

1шт.

29

R27525

VALVE

- bypass, filter

1шт.

R51643

HYDRAULIC OIL FILTER

ELEMENT ASSEMBLY - filter

1шт.

30

NSS

NOT SOLD SEPARAT

ELEMENT - filter

1шт.

31

NSS

NOT SOLD SEPARAT

WASHER - flat, element

1шт.

32

100-1650

SNAP RING,#50, Ext

Ring, Snap, #50, Ext

1шт.

33

R56556

HOLDER

RETAINER - spring

1шт.

34

F61200

SPRING

- filter element

1шт.

35

195-2052

WASHER,17/32" x 1 1/8" x .180"

- flat, 17/32 x 1-1/8 x 3/16 inch

1шт.

36

R56557

STEM

ROD - retaining, filter element

1шт.

37

135-815

GROOVED PIN,5/16" x 3", Type E, Hardened

PIN, GROOVED, 5/16" x 3", Type E, Hardened

1шт.

38

R56995

PROTECTION STRIP

PAD - bumper, door, 3 x 16 x 515 mm

1шт.

39

226456A1

LEVEL GAUGE

GAUGE, LEVEL, Sight, Hydraulic oil

1шт.

40

829-1412

NUT,M12, Cl 10.9

- hex, 12 mm - 1.75, class 10

2шт.

Выбрано товаров: 44