Запчасти Case 850G (9-36) - STANDARD SEAT MOUNTING, ARMRESTS, AND SEAT BELT (05) - UPPERSTRUCTURE CHASSIS

Схема запчастей Case 850G - (9-36) - STANDARD SEAT MOUNTING, ARMRESTS, AND SEAT BELT (05) - UPPERSTRUCTURE CHASSIS
10
1
1
11
1
1
7
8
18
17
12
14
11
6
17
4
11
16
1
1
13
1
5
1
9
2
12
16
6
15
1
FIT
1:1
100%

Артикул

Название

Примечание

Количество

1

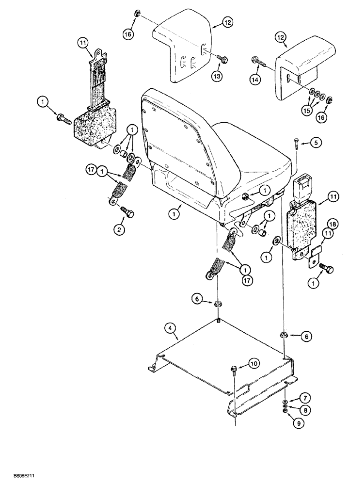
1990984C1

SEAT

ASSEMBLY standard, brown vinyl, service replacement, contains additional parts not included in production seat, parts list figure 9-40

1шт.

1

175763A1

SEAT ASSY.

ASSEMBLY standard, gray vinyl, parts list figure 9-40

1шт.

2

F42236

STEP BOLT

special shoulder

2шт.

4

R58831

SUPPORT

MOUNTING seat

1шт.

5

413-520

BOLT,Hex, 5/16" - 18 x 1-1/4", Gr 5

hex, 5/16 NC x 1-1/4 inch

4шт.

6

700711545

CUP WASHER

SPACER cupped, front only

2шт.

7

495-11034

WASHER,5/16", SAE

(flat, 11/32 x 11/16 x 1/16")

4шт.

8

492-11031

LOCK WASHER,5/16"

4шт.

9

425-105

NUT,5/16"-18, G5

4шт.

10

160-102

BOLT,Hex, 3/8" - 16 x 1", Gr 8, Full Thd

4шт.

11

R58339

SAFETY BELT ,2.00" W

Retractable, Includes reinforcing bracket at mounting, If used

1шт.

11

R58418

SAFETY BELT ,3.00" W

Retractable, Includes reinforcing bracket at mounting, If used

1шт.

11

D150377

SAFETY BELT ,2.00" W

Retractable, Without reinforcing bracket at mounting, Must purchase bracket separately, Used with D150393 belt reinforcing bracket, Ref. 18, If used

1шт.

12

R58336

ARMREST

cushion - Brown NLA

2шт.

12

194738A1

ARMREST

cushion gray

2шт.

13

160-102

BOLT,Hex, 3/8" - 16 x 1", Gr 8, Full Thd

3шт.

14

160-103

BOLT,Hex, 3/8" - 16 x 1 1/4", Gr 8, Full Thd

3шт.

15

496-21041

WASHER,13/32" x 13/16" x .089", HDN

Used with Ref. 14 bolt only, 3 used between armrest and each mounting location on hydraulic tank

9шт.

16

131-415

JAM NUT,Push, Bolt Retainer, 3/8" x 25/32"

6шт.

17

R57317

SAFETY BELT ,1.80" W x 10.50" L

Strap

2шт.

18

D150393

BRACKET

reinforcing, seat belt, if used

1шт.

Выбрано товаров: 0