Запчасти Case 850G (6-40) - TRANSMISSION CLUTCH CUTOUT (03) - TRANSMISSION

Схема запчастей Case 850G - (6-40) - TRANSMISSION CLUTCH CUTOUT (03) - TRANSMISSION
15
14
19
11
5
5
5
10
5
21
19
20
8
22
25
17
9
17
29
4
2
7
5
27
16
4
5
4
6
12
22
28
4
4
23
16
14
21
15
5
17
5
17
5
3
13
23
1
30
26
18
4
4
24
4
4
FIT
1:1
100%

Артикул

Название

Примечание

Количество

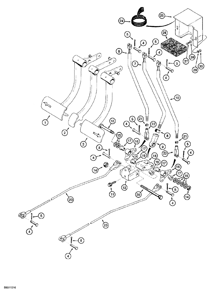
1

R58358

PEDAL

ASSEMBLY, brake, left-hand, see Figure 7-02 for components and related parts

1шт.

2

R58360

PEDAL

ASSEMBLY, brake, center, see Figure 7-02 for components and related parts

1шт.

3

R58357

PEDAL

ASSEMBLY, brake, right-hand, see Figure 7-02 for components and related parts

1шт.

4

D149287

PIN,7.9mm OD x 26.72mm L

Clevis, Special, hardened, 5/16 x 15/16 inch

9шт.

5

432-612

COTTER PIN,3/32" x 3/4"

9шт.

6

R58681

ROD

connecting, left-hand, Serial Range: pedal-bellcrank

1шт.

R58705

ROD

ASSEMBLY, center pedal, to clutch cutout block, Includes: Ref. 7 - 9

1шт.

7

NSS

NOT SOLD SEPARAT

ROD center pedal to clutch cutout block

1шт.

8

425-158

JAM NUT,Jam, 1/2"-20, G5

1шт.

9

L115782

BALL JOINT

female, center, Serial Range: rod-block

1шт.

10

R58685

ROD

connecting, right-hand, Serial Range: pedal-bellcrank

1шт.

11

160-102

BOLT,Hex, 3/8" - 16 x 1", Gr 8, Full Thd

2шт.

12

R58688

BRACKET

block

1шт.

13

426-864

BOLT,Hex, 1/2" - 13 x 4", Gr 8

hex, 1/2 NC x 4 inch, grade 8

1шт.

14

231-1448

NUT,1/2"-13, GB

hex, NC

2шт.

15

495-11053

WASHER,1/2", SAE

(17/32" x 1-1/16" x 3/32")

6шт.

R58374

CRANK LEVER

ASSEMBLY clutch cutout, Includes: Ref. 16 and 17

2шт.

16

NSS

NOT SOLD SEPARAT

BELLCRANK clutch cutout

1шт.

17

R58311

BRONZE BUSHING

BUSHING bronze

2шт.

R58375

BLOCK

ASSEMBLY, connection, clutch cutout, Includes: Ref. 18 and 19

1шт.

18

NSS

NOT SOLD SEPARAT

BLOCK connection, clutch cutout

1шт.

19

R58311

BRONZE BUSHING

bronze

2шт.

20

426-888

BOLT,Hex, 1/2" - 13 x 5-1/2", Gr 8

hex, 1/2 NC x 5-1/2 inch, grade 8

1шт.

21

425-115

NUT,5/16"-24, G5

2шт.

22

213-125

ADJUSTABLE CLEVIS,5/16" - 32

2шт.

23

R58677

ROD

connecting, Serial Range: bellcrank-transmission

2шт.

24

D49094

LINING

edge, 268 mm (10-1/2 inch) long, cab models only

1шт.

For complete engine overhaul, order (1) each of valve grind kit, figure 2-52, cylinder block kit, oil pan kit, figure 2-34, front and rear crankshaft seal kit, figure 2-46 and required cylinder head gasket, figure 2-36.

1шт.

25

103233A1

COVER

linkage, cab models only

1шт.

26

103232A1

SEAL

PAD noise reduction, at cover, cab models only

1шт.

27

413-416

BOLT,Hex, 1/4" - 20 x 1", Gr 5

Cab models only

2шт.

28

495-21031

WASHER,1/4"

flat, 5/16 x 3/4 x 1/16 inch, cab models only

2шт.

29

492-11025

LOCK WASHER,1/4"

Cab models only

2шт.

30

425-104

NUT,1/4"-20, Cl 5

Cab models only

2шт.

F42827

TRIM,2946.4mm L

edge, bulk, 2946 mm (116 inch) long, cab models only

1шт.

Выбрано товаров: 0