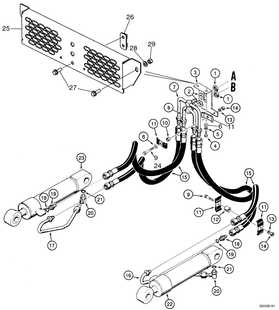
Запчасти Case 850H (08-11) - HYDRAULICS - RIPPER, REAR OF TRACTOR TO CYLINDERS (08) - HYDRAULICS

Схема запчастей Case 850H - (08-11) - HYDRAULICS - RIPPER, REAR OF TRACTOR TO CYLINDERS (08) - HYDRAULICS
6
9
20
19
19
14
11
7
4
21
17
22
5
9
11
27
8
26
16
23
11
15
12
1
10
18
28
13
21
2
13
20
11
24
29
15
6
1
3
14
25
18
FIT
1:1
100%

Артикул

Название

Примечание

Количество

1

218-1251

BHD LOCK NUT,Blkhd, 7/8"-14

2шт.

2

495-11094

WASHER,7/8", SAE

15/16 x 1-3/4 x 1/8

2шт.

3

368215A1

BRACKET

Tube Support, No Longer Available, Order 369823a2 Guard, Ref 25

1шт.

4

413-616

BOLT,Hex, 3/8" - 16 x 1", Gr 5

If used

2шт.

5

492-11038

LOCK WASHER,3/8"

If Used

2шт.

6

495-11041

WASHER,0.406" ID x 0.812" OD x 0.065" W

(13/32 x 13/16 x 1/16")

2-4шт.

7

R35549

TUBE,0.625" OD x 6.2, 3.75" L

Upper Port Of Control Valve

1шт.

8

R46492

TUBE,0.625" OD x 4, 2.1" L

Lower Port Of Control Valve

1шт.

9

413-632

BOLT,Hex, 3/8" - 16 x 2", Gr 5

2-4шт.

10

D146035

SPACER,10.31mm ID x 16mm OD x 15.5mm L

2шт.

11

D40236

CLAMP

6-8шт.

12

R46493

SPACER,0.406" ID x 0.625" OD x 0.850" Thk

2шт.

13

492-11038

LOCK WASHER,3/8"

4шт.

14

425-106

NUT,3/8"-16, Cl 5

4шт.

15

F93300

HOSE

737 mm (29 in)

4шт.

16

R38348

TUBE,0.625" OD

Right Hand, To Closed End of Cylinder

1шт.

17

R38350

TUBE,0.625" OD

Left Hand, To Closed End of Cylinder

1шт.

18

218-5062

HYD CONNECTOR,7/8"-14, 37 Degree x 7/8"-14, O-Ring

7/8 fl x Or, Includes: 19

2шт.

19

237-6010

O-RING,0.097" Thk x 0.755" ID, -910, Cl 6, 90 Duro

1шт.

20

218-5107

90 ELBOW,90 Degree Elbow, 7/8" - 14 Male JIC x 7/8" - 14 Male ORB

7/8 fl x adj Or, Incl. 21

2шт.

21

237-6010

O-RING,0.097" Thk x 0.755" ID, -910, Cl 6, 90 Duro

1шт.

22

G101214

CYLINDER ASSY.

83 ID x 214 mm strk, Right Hand, Ripper, See figure 8-15

1шт.

23

G101215

CYLINDER ASSY.

83 ID x 214 mm strk, Left Hand, Ripper, See figure 8-15

1шт.

24

413-628

BOLT,Hex, 3/8" - 16 x 1-3/4", Gr 5

If Used

2шт.

25

369823A2

GUARD

1шт.

26

224313A1

PLATE ASSY.

Tab

1шт.

27

160-108

BOLT,Hex, 1/2" - 13 x 1 1/2", Gr 8, Full Thd

Flange, 1/2 x 1-1/2

3шт.

28

496-21053

WASHER,17/32" x 1 1/16" x .134"

2шт.

29

231-1448

NUT,1/2"-13, GB

2шт.

Выбрано товаров: 29