Запчасти Case 850H (02-04) - COOLANT RECOVERY SYSTEM (02) - ENGINE

Схема запчастей Case 850H - (02-04) - COOLANT RECOVERY SYSTEM (02) - ENGINE
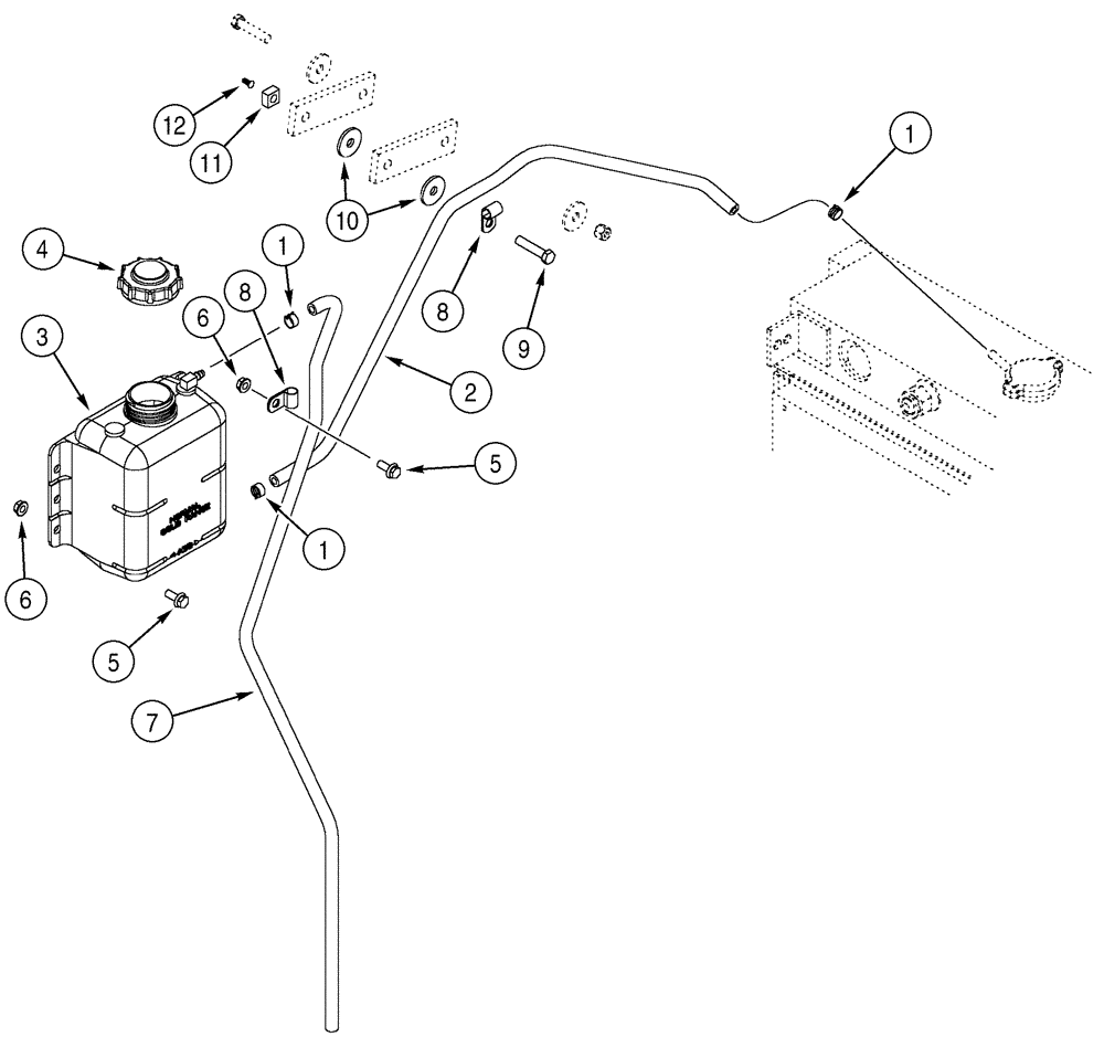
9
4
3
5
8
6
12
1
2
7
10
8
1
11
6
5
5
FIT
1:1
100%

Артикул

Название

Примечание

Количество

1

A171099

HOSE CLAMP,13.2mm - 15.4mm

3шт.

2

A171087

HOSE,7.50 mm ID, 8.30 mm ID x 1275.00 mm, SAE J30

Cut from L126767, Radiator to Coolant Reservoir

1шт.

3

L127093

RESERVOIR

Coolant

1шт.

4

1547924C1

CAP

Reservoir

1шт.

5

121-130

SERRATED BOLT,Hex, 5/16" - 18 x 3/4", Gr 5

4шт.

6

425-285

FLANGE NUT,Flg, 5/16"-18, G5

5/16

4шт.

7

A171872

HOSE,8.30 mm ID x 1000.00 mm, SAE J30, SAE 20R4 PER SAE j20e

Cut from L126767, Coolant Overflow

1шт.

8

515-23127

CLAMP,1/2", Insul, 3/8" Bolt

2шт.

9

106-9628

LOCK BOLT,Locking, 3/8"-16 x 1 3/4", G5

1шт.

10

39519

WASHER,10.31mm ID x 34.9mm OD x 3.57mm Thk

2шт.

11

224-2806

SQUARE NUT,Sq, 3/8"-16, G2, Hvy

3/8

1шт.

12

336371A1

PIN,4.88mm OD x 14.23mm L

1шт.

Выбрано товаров: 12