Запчасти Case 850H (05-03) - TRACK ADJUSTER AND IDLER - MOUNTING (11) - TRACKS/STEERING

Схема запчастей Case 850H - (05-03) - TRACK ADJUSTER AND IDLER - MOUNTING (11) - TRACKS/STEERING
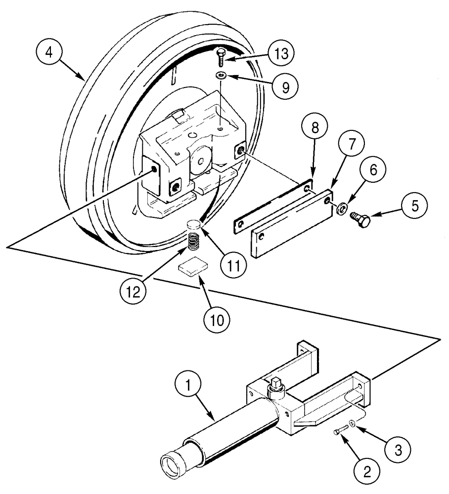
11
4
9
10
2
13
7
12
5
8
1
3
6
FIT
1:1
100%

Артикул

Название

Примечание

Количество

1

345092A1

ADJUSTER

HEIGHT , See figure 5-04

2шт.

2

107-9824

LOCK BOLT,Locking, 1/2"-13 x 1 1/2", G8

4шт.

3

496-21053

WASHER,17/32" x 1 1/16" x .134"

4шт.

4

103384A1

FRONT IDLER

See figure 5-03

2шт.

5

413-1228

BOLT,Hex, 3/4" - 10 x 1-3/4", Gr 5

8шт.

6

D34666

WASHER,33.34mm ID x 63.5mm OD x 2.38mm Thk

8шт.

7

R45570

PLATE

Idler Guide

4шт.

8

D35268

SHIM,1/32" Thk

1шт.

9

495-21044

WASHER,3/8"

(7/16 x 1 x 5/64)

8шт.

10

106919A1

SPACER

8шт.

11

R33245

SPRING SEAT

8шт.

12

188866A1

SHOCK ABSORBER

8шт.

13

413-618

BOLT,Hex, 3/8" - 16 x 1-1/8", Gr 5

8шт.

Выбрано товаров: 13