Запчасти Case 850H (02-10) - TURBOCHARGER SYSTEM, 6T-590 EMISSSIONS CERTIFIED ENGINE (02) - ENGINE

Схема запчастей Case 850H - (02-10) - TURBOCHARGER SYSTEM, 6T-590 EMISSSIONS CERTIFIED ENGINE (02) - ENGINE
19
22
24
4
6
13
3
20
16
21
17
8
10
2
25
12
9
7
23
5
25
15
1
10
11a
11
18
9
14
22
FIT
1:1
100%

Артикул

Название

Примечание

Количество

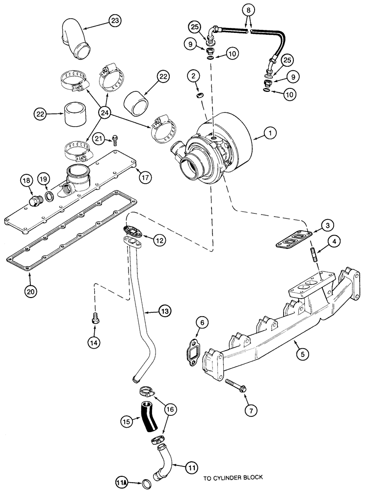
1

REF

INSTRUCTION

Turbocharger, See Figure 2-11

1шт.

2

J818824

FLANGE NUT

M10

4шт.

3

J919369

GASKET,0.5mm Thk

1шт.

4

J818823

STUD

4шт.

5

J931747

MANIFOLD

1шт.

6

J927154

GASKET,0.38mm Thk

6шт.

7

J930249

FLANGE BOLT,Hex, M10 x 1.5 x 65mm

10 x 65 mm

12шт.

8

J918562

HOSE

538 mm (21-1/4")

1шт.

9

J919687

HYD CONNECTOR

Includes: 10

2шт.

10

238-5013

O-RING,0.07" Thk x 0.426" ID, -13, Cl 5, 75 Duro

1шт.

11

J931973

TUBE,0.875" OD

Used With J931824

1шт.

11a

J931824

O-RING,0.07" Thk x 0.739" ID, -18, Cl 7, 75 Duro

1шт.

12

J931350

GASKET

1шт.

13

J934093

TUBE

1шт.

14

845-8020

BOLT,Hvy Hex, M8 x 20mm, Cl 8.8

2шт.

15

J931970

HOSE,22.22 mm ID x 76.20 mm

1шт.

16

214-1416

HOSE CLAMP,#16, 0.81" - 1.5", Type F Worm

2шт.

A77418

KIT

Consists Of 17, 18, 19

1шт.

17

J904862

COVER

1шт.

18

J907185

PLUG

1шт.

19

J906773

WASHER

1шт.

20

J931347

GASKET

1шт.

21

844-8025

BOLT,Hvy Hex, M8 x 25mm, Cl 8.8

14шт.

22

J931805

INTAKE AIR HOSE

58 mm (2-5/16 in)

2шт.

23

J931453

TUBE,63.5 mm OD x 254.77 mm L

1шт.

24

214-1540

HOSE CLAMP,#40, 2.06" - 3", Type F Worm, W/ Liner

4шт.

25

222-993

GASKET,3/8 Tube, Fl, Copper

2шт.

Выбрано товаров: 27