Запчасти Case 850H (04-09) - HARNESS, FRONT - FRONT HARNESS AT COWL (04) - ELECTRICAL SYSTEMS

Схема запчастей Case 850H - (04-09) - HARNESS, FRONT - FRONT HARNESS AT COWL (04) - ELECTRICAL SYSTEMS
11
10
11
6
4
12
9
8
12
5
6
7
11
6
13
14
1
2
1
3
FIT
1:1
100%

Артикул

Название

Примечание

Количество

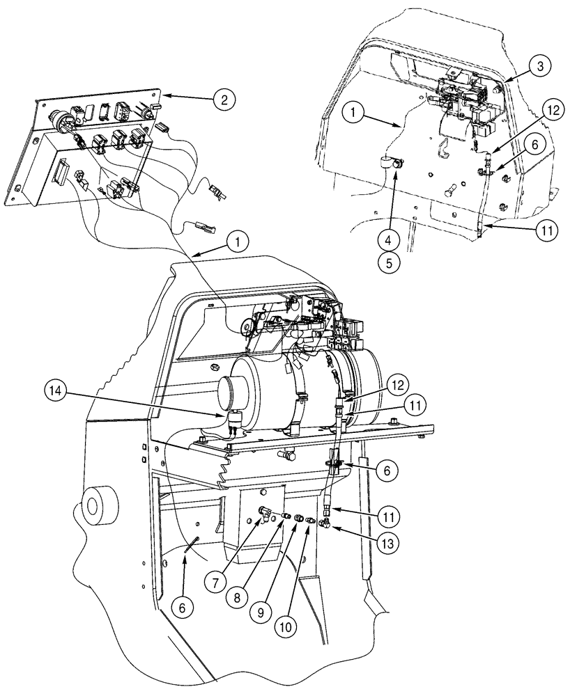
1

338943A1

HARNESS

Front

1шт.

2

REF

INSTRUCTION

Panel, Instrument, See figure 4-06

1шт.

3

REF

INSTRUCTION

Mount, Fuse and Relay, See figure 4-08

1шт.

4

D34033

CLAMP

1-3/16 ID

1шт.

5

160-106

BOLT,Hex, 1/2" - 13 x 1", Gr 8, Full Thd

1шт.

6

L18337

CABLE TIE,9.95"-12.1" lg

CABLE STRAP 15 in

1шт.

7

REF

INSTRUCTION

Tee, See figure 7-02

1шт.

8

D36264

FITTING

1шт.

9

217-1100

UNION,1/8" - 27 NPT x 1/8" - 27 NPT

1/8 PT

1шт.

10

218-441

HYD CONNECTOR,7/16" - 20 Male JIC x 1/8" - 27 Male NPTF

7/16 fl x 1/8 PT

1шт.

11

370148A1

HOSE

305 mm (12 in), Pressure Accumulator

1шт.

12

336005A1

SWITCH

Transmission Pressure

1шт.

13

218-5228

ELBOW,90 Degree, 7/16"-20, 37 Degree x 7/16"-20, 37 Degree Fem Sw

7/16 fl x sw

1шт.

14

292740A1

RESTRICTION SWITCH

Air Restriction, See figure 2-06

1шт.

Выбрано товаров: 0