Запчасти Case 850H (06-04) - TRANSMISSION HOUSING, BEVEL PINION SHAFT AND GEAR (06) - POWER TRAIN

Схема запчастей Case 850H - (06-04) - TRANSMISSION HOUSING, BEVEL PINION SHAFT AND GEAR (06) - POWER TRAIN
1
6
3
21
10
9
17
24
22
3
5
26
8
20
7
26
13
23
27
4
15
30
7
2
31
19
13
3
25
16
11
18
1
29
8
32
9
4
12
12
14
10
3
11
15
28
FIT
1:1
100%

Артикул

Название

Примечание

Количество

REF

INSTRUCTION

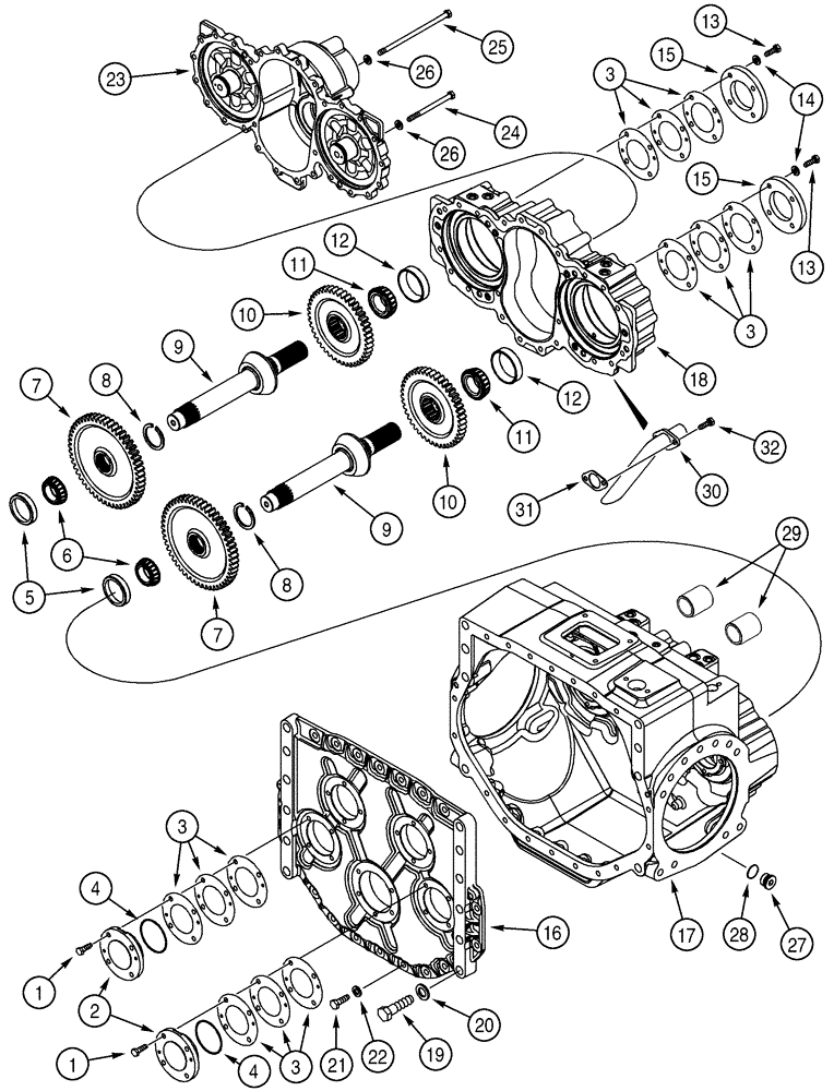
Transmission, Includes 1 - 29, For Complete Assembly, See figures 6-04 - 6-14, 7-03

1шт.

1

608-10030

BOLT,Hex, M10 x 30mm, Cl 10.9

3/8 x 1-1/4; 8

8шт.

2

G103644

COVER ASSY

2шт.

3

G103645

SHIM,.003" Thk

(0.076 mm)

1шт.

3

G103647

SHIM,.010" Thk

(0.254 mm)

1шт.

3

1348980C1

BLOCK

0,504 mm (0,02 in)

1шт.

4

238-5151

O-RING,0.103" Thk x 2.987" ID, -151, Cl 5, 75 Duro

2шт.

5

A50264

BEARING CUP,72mm OD x 14.2mm W

Rear

2шт.

6

A26719

ROLLER BEARING,38.1mm ID x 20.64mm W

Rear

2шт.

7

G103778

GEAR

51 T, Driven, Rear

2шт.

8

A27085

RING

2шт.

9

329860A1

GEAR-SET

Includes Pinion Shaft, Matched Set

2шт.

10

1981357C1

PINION

43 T, Driven, Front

2шт.

11

A31264

ROLLER BEARING,1.625" ID x 1"

Front

2шт.

12

ST973

TAPERED BEARING,1.688" ID x 3.126" OD x 0.9515"

Front

2шт.

13

608-10030

BOLT,Hex, M10 x 30mm, Cl 10.9

M10 x 30; 10.9

8шт.

14

896-12010

WASHER,11mm ID x 21mm OD x 2.5mm Thk

11 x 21 x 2,5 mm

8шт.

15

1348975C1

RETAINER

PLATE, LARGE

2шт.

16

329852A1

HOUSING

Rear

1шт.

17

329853A4

HOUSING

Transmission, Use Sealant B17555, B17556

1шт.

B17555

LOCTITE

No. 515, 50 ml

1шт.

B17556

LOCTITE

No. 515, 300 ml

1шт.

18

315952A4

HOUSING

Brake and Range, Use Sealant B17555, B17556

1шт.

B17555

LOCTITE

No. 515, 50 ml

1шт.

B17556

LOCTITE

No. 515, 300 ml

1шт.

19

608-20070

BOLT,Hex, M20 x 70mm, Cl 10.9

M20 x 70; 10.9

8шт.

20

896-12020

WASHER,22mm ID x 37mm OD x 4mm Thk

22 x 37 x 4 mm

8шт.

21

608-12035

BOLT,Hex, M12 x 35mm, Cl 10.9

M12 x 35; 10.9

18шт.

22

896-12012

WASHER,13.5mm ID x 24mm OD x 3mm Thk

18шт.

23

322005A3

COVER

Housing, Brake and Range

1шт.

24

608-10130

BOLT,Hex, M10 x 130mm, Cl 10.9

M10 x 130; 10.9

20шт.

25

608-10210

BOLT,Hex, M10 x 210mm, Cl 10.9

M10 x 210; 10.9

2шт.

26

896-12010

WASHER,11mm ID x 21mm OD x 2.5mm Thk

11 x 21 x 2,5 mm

22шт.

27

221580A1

PLUG,M27 x 2 ORB

Includes 28

1шт.

28

237-6012

O-RING,0.116" Thk x 0.924" ID, -912, Cl 6, 90 Duro

1шт.

29

1348982C1

WEAR PLATE

2шт.

REF 29 sleeve is for repairs of REF 17 housing in the event the seal bore for the hi/lo track shaft becomes damaged. Refer to Service Bulletin NCR SB 017 94 for installation instructions.

1шт.

30

A50110

TUBE

Suction

1шт.

31

1981223C1

GASKET

1шт.

32

608-10025

BOLT,Hex, M10 x 25mm, Cl 10.9

M10 x 25; 10.9

2шт.

Выбрано товаров: 0