Запчасти Case 850H (06-11) - TRANSMISSION - HYDRAULIC LINES, FORWARD/REVERSE TUBING (06) - POWER TRAIN

Схема запчастей Case 850H - (06-11) - TRANSMISSION - HYDRAULIC LINES, FORWARD/REVERSE TUBING (06) - POWER TRAIN
4
18
9
24
27
4
19
16
10
3
23
17
15
14
4
21
13
3
27
2
22
3
6
4
24
11
23
1
17
8
3
5
13
6
3
14
12
7
25
14
4
26
FIT
1:1
100%

Артикул

Название

Примечание

Количество

REF

INSTRUCTION

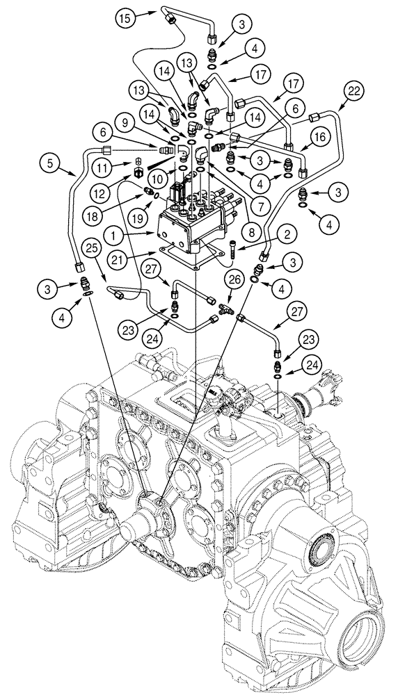
Transmission, Includes: 1 - 27, For Complete Assembly, See figures 6-04 - 6-14, 7-03

1шт.

1

125588A4

VALVE

See figure 6-13

1шт.

2

863-10050

HEX SOC SCREW,M10 x 50mm, Cl 12.9

M10 x 50; 12.9

4шт.

3

218-5059

HYD CONNECTOR,3/4"-16, 37 Degree x 3/4"-16, O-Ring

Incl. 4

6шт.

4

237-6008

O-RING,0.087" Thk x 0.644" ID, -908, Cl 6, 90 Duro

1шт.

5

353407A3

TUBE

Reverse

1шт.

6

218-444

HYD CONNECTOR,3/4" - 16 Male JIC x 3/8" - 18 Male NPTF

3/4 fl x 3/8 PT

2шт.

7

357758A1

ADAPTER

Includes 8

1шт.

8

237-6008

O-RING,0.087" Thk x 0.644" ID, -908, Cl 6, 90 Duro

1шт.

9

G107178

ELBOW

Includes 10

1шт.

10

237-6008

O-RING,0.087" Thk x 0.644" ID, -908, Cl 6, 90 Duro

1шт.

11

R52651

FITTING

1шт.

12

D139904

SWITCH

Backup Alarm

1шт.

13

218-5106

90 ELBOW,90 Degree Elbow, 3/4" - 16 Male JIC x 3/4" - 16 Male ORB

Includes: 14

4шт.

14

237-6008

O-RING,0.087" Thk x 0.644" ID, -908, Cl 6, 90 Duro

1шт.

15

360382A1

TUBE,12.7 mm OD, 234.1, 222 mm Length

Left Hand, Low Track

1шт.

16

353411A2

TUBE

Right Hand, Low Track

1шт.

17

353405A1

TUBE,12.7 mm OD, 220, 169 mm Length

High Track

2шт.

18

218-5352

HYD CONNECTOR,9/16"-18, 37 Degree x 7/16"-20, O-Ring

9/16 fl x 7/16 Or, Includes: 19

1шт.

19

237-6004

O-RING,0.072" Thk x 0.351" ID, -904, Cl 6, 90 Duro

1шт.

21

1986527C1

GASKET

1шт.

22

353409A3

TUBE

Forward

1шт.

23

218-5057

HYD CONNECTOR,9/16" - 18 JIC x 9/16" - 18 ORB

Incl. 24

2шт.

24

237-6006

O-RING,0.078" Thk x 0.468" ID, -906, Cl 6, 90 Duro

1шт.

25

353399A3

TUBE

Parking Brake Supply

1шт.

26

218-593

TEE,9/16"-18, 37 Degree

9/16 fl x fl x fl

1шт.

27

360371A2

TUBE,9.52 mm OD, 157.5, 55 mm Length

Low Track Assy

2шт.

Выбрано товаров: 0