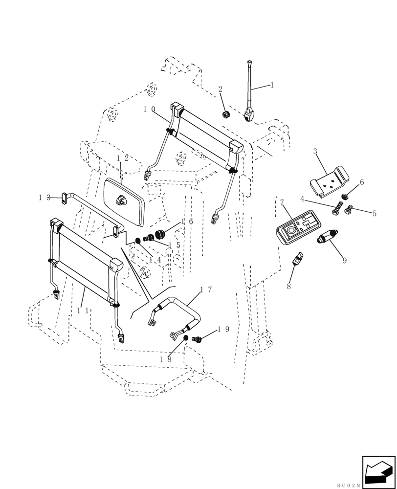
Запчасти Case 850K (09-33) - CAB - MIRROR, SUN SHADE, GRAB HANDLE, DOME LAMP, ANTENNA (09) - CHASSIS/ATTACHMENTS

Схема запчастей Case 850K - (09-33) - CAB - MIRROR, SUN SHADE, GRAB HANDLE, DOME LAMP, ANTENNA (09) - CHASSIS/ATTACHMENTS
2
1
6
bc02m001
18
16
8
5
13
11
15
9
17
7
12
4
10
3
14
19
FIT
1:1
100%

Артикул

Название

Примечание

Количество

1

76067452

ANTENNA

1шт.

2

76045509

GROMMET

2шт.

3

76045522

BRACKET

Dome Lamp

2шт.

4

13272811

SCREW,Pozidriv Pan Hd, M4 x 30mm, Cl 5.8

4шт.

5

13271914

SCREW,Pozidriv Pan Hd, M4 x 10mm, Cl 5.8, Full Thd

2шт.

6

14497731

WASHER,4.3mm ID x 8mm OD x 0.8mm Thk

4,3 x 8 x 0,8 mm

6шт.

7

87400717

INTERIOR LIGHT

Dome Lamp

2шт.

8

87400740

BULB

12V, 5W Bulb

2шт.

9

87400741

BULB

12 V, 5W Bulb

2шт.

10

76067797

CURTAIN

Rear

1шт.

11

76067796

CURTAIN

Front

1шт.

12

76067706

REAR VIEW MIRROR

Interior

1шт.

13

76067260

SUPPORT

1шт.

14

14496531

WASHER,8.4mm ID x 17mm OD x 1.6mm Thk

2шт.

15

16043421

BOLT,Hex, M8 x 1.25 x 20mm, Cl 8.8, Full Thd

2шт.

16

71480911

DUST CAP

2шт.

17

76067386

HANDLE

Grab

1шт.

18

14496631

WASHER,10.5mm ID x 21mm OD x 2mm Thk

2шт.

19

10979231

BOLT,Hex, M10 x 16mm, Cl 10.9, Full Thd

2шт.

Выбрано товаров: 19