Запчасти Case 850K (05-10) - TRACK CHAIN, CASE LUBRICATED (Jul 7 2003 8:58AM) (11) - TRACKS/STEERING

Схема запчастей Case 850K - (05-10) - TRACK CHAIN, CASE LUBRICATED (Jul 7 2003 8:58AM) (11) - TRACKS/STEERING
35
35
12
18
27
30
18b
35
35
28
33
31
35
8
17
35
35
4
1
6
32
18a
10
19
35
24
15
23
31
29
35
33
25
7
9
20
35
5
2
35
22
3
26
FIT
1:1
100%

Артикул

Название

Примечание

Количество

REF

INSTRUCTION

EACH MASTER LINK HAS TWO BOLT HOLES

1шт.

418205A1

TRACK CHAIN

406 mm (16 inch); Chain; Incl. Shoes; Incl. 295202A2, Ref 1 - 17; 18, 19, 20

2шт.

418597A1

CRAWLER TRACK ASSY

508 mm (20 inch); Chain; Incl. Shoes; Incl. 295202A2, Ref 1 - 17; 18A, 19, 20

2шт.

418600A1

CRAWLER TRACK ASSY

635 mm (25 inch); Chain; Incl. Shoes; Incl. 295202A2, Ref 1 - 17; 18B, 19, 20

2шт.

295202A2

TRACK CHAIN

Incl. Ref 1 - 17; Order 418202A1, Ref 35

1шт.

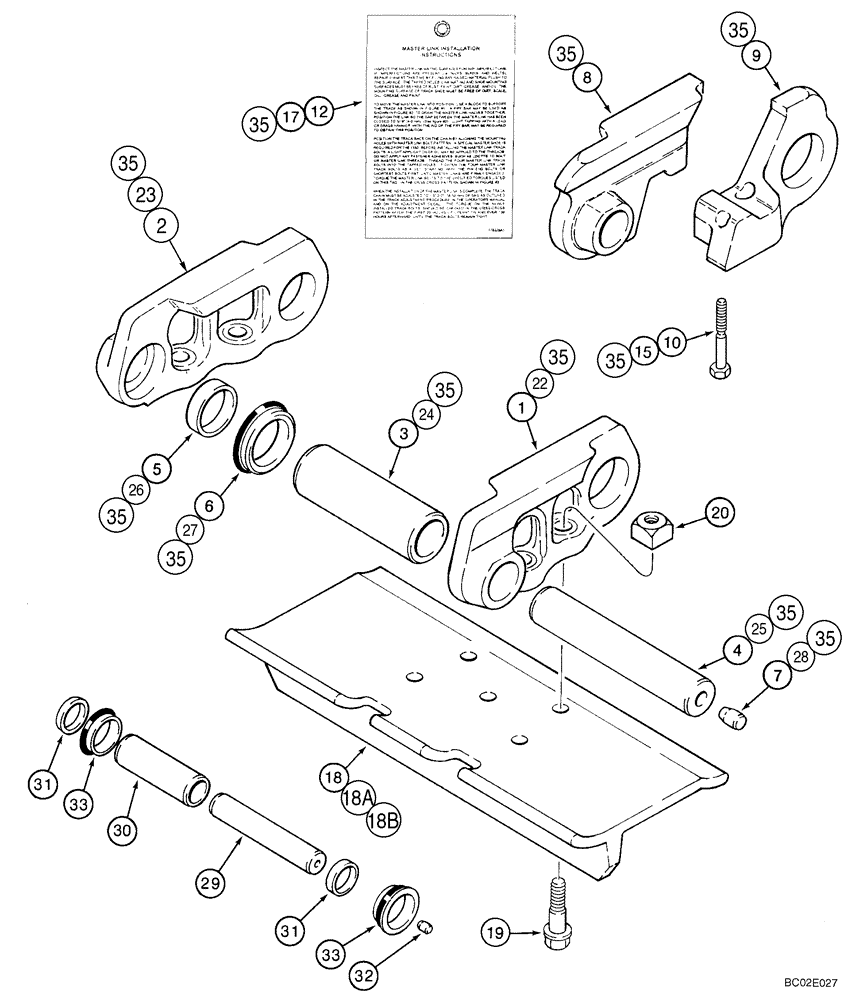
1

295178A2

LINK

Right-Hand

37шт.

2

295177A2

LINK

Left-Hand

37шт.

3

R56515

BUSHING,33.8mm ID x 56.9mm OD x 109.5mm L

57 mm (2-1/4 in) OD

38шт.

4

R51131

PIN,33.48mm OD x 183.5mm L

38шт.

5

R51132

SPACER

76шт.

6

R50830

OIL SEAL

76шт.

7

R50441

PLUG

38шт.

299237A1

KIT

Master Link; Right-Hand; Incl. Ref 8 - 12

1шт.

NSS

NOT SOLD SEPARAT

Link Assy; Master; Right-Hand; Incl. Ref 8, 9

1шт.

8

NSS

NOT SOLD SEPARAT

Link; Fits Over Track Pin On Outside Of Regular Track Link

1шт.

9

NSS

NOT SOLD SEPARAT

Link; Fits Over Bushing On Inside Of Regular Track Link

1шт.

10

295325A1

BOLT,Hex, 5/8" - 18 x 3 1/4"

5/8 NF x 3-1/4

2шт.

12

178328A3

TAG

Installation Instructions

1шт.

299234A1

KIT

Master Link; Left-Hand; Incl. Ref 13 - 17

1шт.

NSS

NOT SOLD SEPARAT

Link Assy; Master; Left-Hand; Incl. Ref 13, 14

1шт.

13

NSS

NOT SOLD SEPARAT

Link; Fits Over Track Pin On Outside Of Regular Track Link; Not Illustrated

1шт.

14

NSS

NOT SOLD SEPARAT

Link; Fits Over Bushing On Inside Of Regular Track Link; Not Illustrated

1шт.

15

295325A1

BOLT,Hex, 5/8" - 18 x 3 1/4"

5/8 NF x 3-1/4

2шт.

17

178328A3

TAG

Installation Instructions

1шт.

18

295180A1

SHOE

406 mm (16 inch)

38шт.

18a

300199A1

SHOE

508 mm (20 inch)

38шт.

18b

379670A1

TRACK SHOE

635 mm (25 inch)

38шт.

19

295318A1

BOLT,Hex, 5/8" - 18 x 2 1/8"

5/8 NF x 2-1/8

148шт.

20

R25688

SQUARE NUT

5/8 NF; Not Used On Master Link Bolts

148шт.

REF

INSTRUCTION

CHAIN UNIT KIT

1шт.

300215A2

KIT

Incl. Ref 22 - 28, Instructions

1шт.

302847A2

LINK ASSY.

Incl. Ref 22 - 24

1шт.

22

295178A2

LINK

Right-Hand

1шт.

23

295177A2

LINK

Left-Hand

1шт.

24

R56515

BUSHING,33.8mm ID x 56.9mm OD x 109.5mm L

57 mm (2-1/4 in) OD

1шт.

25

R51131

PIN,33.48mm OD x 183.5mm L

2шт.

26

R51132

SPACER

4шт.

27

R50830

OIL SEAL

4шт.

28

R50441

PLUG

2шт.

REF

INSTRUCTION

PIN AND BUSHING KIT - SERVICES COMPLETE TRACK CHAIN FOR BOTH SIDES OF TRACTOR

1шт.

434051A1

REPAIR KIT

Pin and Bushing Kit; Incl. Ref 29 - 34, Instructions

1шт.

29

R51131

PIN,33.48mm OD x 183.5mm L

80шт.

30

R56515

BUSHING,33.8mm ID x 56.9mm OD x 109.5mm L

57 mm (2-1/4 in) OD

80шт.

31

R51132

SPACER

160шт.

32

R50441

PLUG

80шт.

33

R50830

OIL SEAL

160шт.

34

345-140

SEALANT

No. 847, 1 Pint; For Link Pin Bores; Not Illustrated

1шт.

REF

INSTRUCTION

LINK KIT

1шт.

35

418202A1

TRACK CHAIN

Link Service Kit; Incl. 295202A2, Ref 1 - 17

1шт.

Выбрано товаров: 49