Запчасти Case 850K (06-05) - MOUNTING - FINAL DRIVE (06) - POWER TRAIN

Схема запчастей Case 850K - (06-05) - MOUNTING - FINAL DRIVE (06) - POWER TRAIN
10
3
4
5
9
7
5
5
6
7
3
6
6
2
8
10
5
1
4
6
8
FIT
1:1
100%

Артикул

Название

Примечание

Количество

428233A3

TRANSMISSION

Long Track Models; Incl. 385250A4 Final Drive and Parts On Figure 06-05

1шт.

428235A3

TRANSMISSION

Wide Track or Low Ground Pressure Models; Incl. 385251A4 Final Drive and Parts On Figure 06-05

1шт.

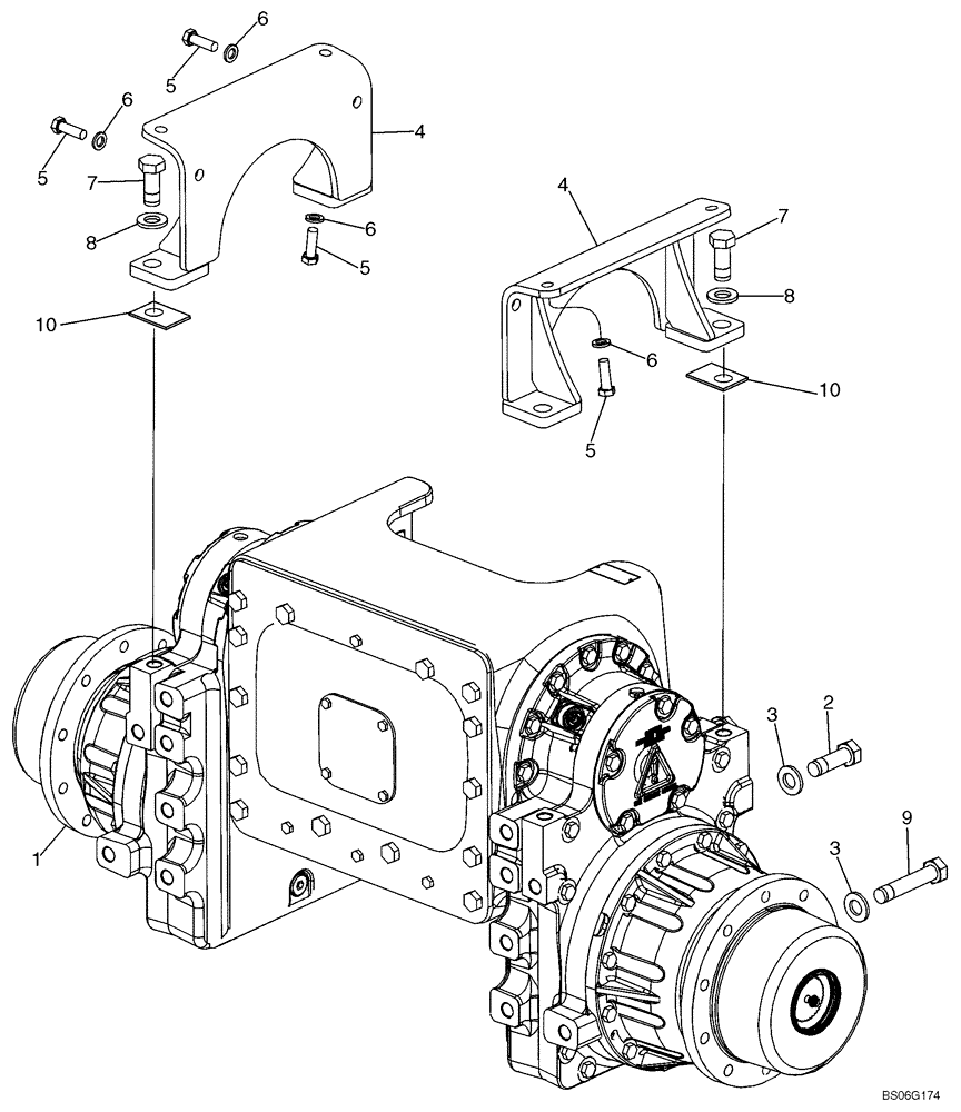
1

385250A4

DRIVE ASSY.

Final Drive Assembly; 1575 mm (62 inch) Gauge Long Track (LT) Models; See Figure 06-06, 06-07

2шт.

87724629R

REMAN-AXLE

850K (TIER 2) (1/05-), Reman For New P/N 385250A4

2шт.

87724629C

CORE-AXLE

Return Number

1шт.

1

385251A4

DRIVE ASSY.

Final Drive Assembly; 1778 mm (70 inch) Gauge Wide Track (WT) or Low Ground Pressure (LGP) Models; See Figure 06-06, 06-07

2шт.

87724630R

REMAN-FINAL DRIVE

850K SERIES 2 CRAWLER (TIER 2) (1/05-), Reman for new PN 385251A4

2шт.

87724630C

CORE-FINAL DRIVE

Return Number

1шт.

2

410-91640

BOLT,Hex, 1" - 8 x 2 1/2", Gr 8

6шт.

3

496-31106

WASHER,1 1/16" x 2" x .219", HDN

10шт.

4

436723A1

SUPPORT ASSY.

2шт.

5

627-16050

BOLT,Hex, M16 x 2 x 50mm, Cl 10.9, Full Thd

Use with Loctite 243

8шт.

6

896-11016

WASHER,17.5mm ID x 30mm OD x 4mm Thk

8шт.

7

410-91640

BOLT,Hex, 1" - 8 x 2 1/2", Gr 8

4шт.

8

496-31106

WASHER,1 1/16" x 2" x .219", HDN

4шт.

9

410-91640

BOLT,Hex, 1" - 8 x 2 1/2", Gr 8

4шт.

10

87532203

SHIM

Shim, Tank Frame,60 mm x 80 mm x 1.5 mm ; If Used

4шт.

Выбрано товаров: 17