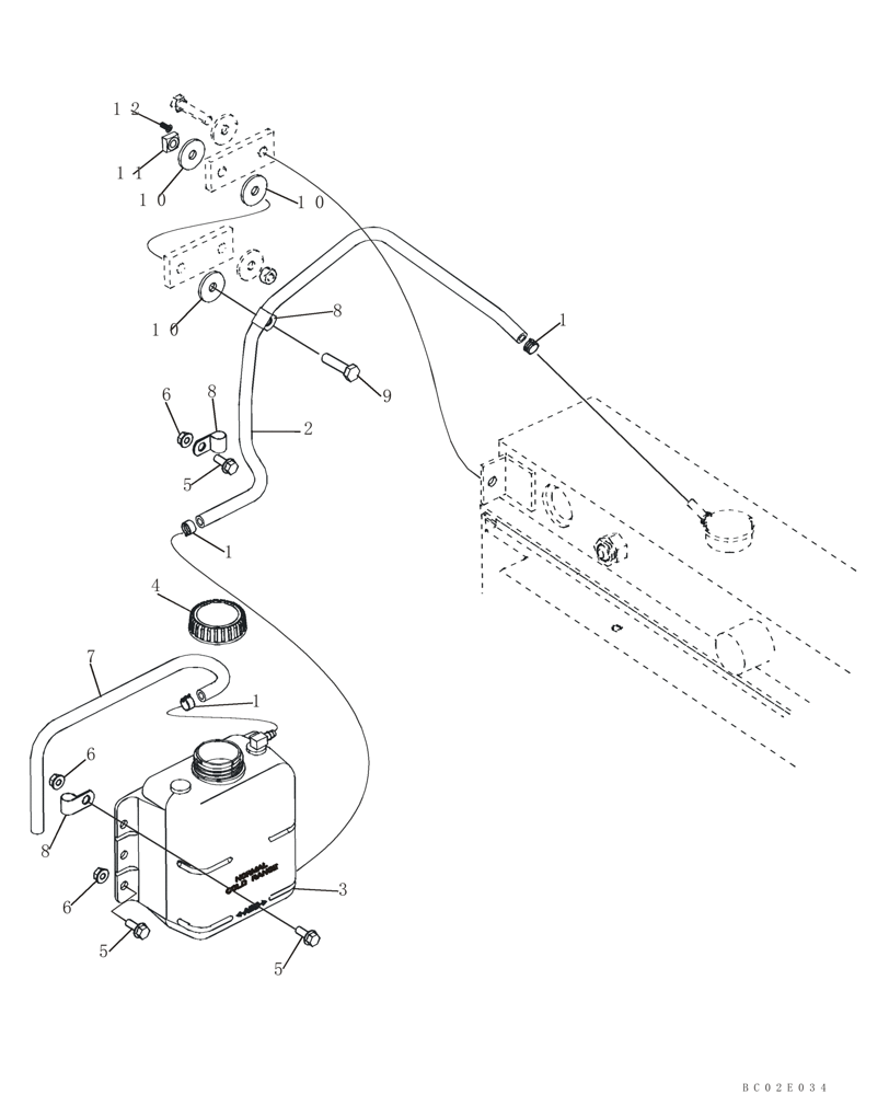
Запчасти Case 850K (02-05) - COOLANT RECOVERY SYSTEM (02) - ENGINE

Схема запчастей Case 850K - (02-05) - COOLANT RECOVERY SYSTEM (02) - ENGINE
11
5
8
5
6
6
3
bc02e034
5
4
10
1
9
1
7
1
2
6
12
10
8
8
10
FIT
1:1
100%

Артикул

Название

Примечание

Количество

1

A171099

HOSE CLAMP,13.2mm - 15.4mm

3шт.

2

433737A1

HOSE,7.90 mm ID x 725.00 mm, SAE J30 or SAE 20R4 Class D1

Cut From Bulk, Radiator to Coolant Reservoir

1шт.

3

L127093

RESERVOIR

1шт.

4

A184079

CAP

1шт.

5

905-8020

BOLT,Hex Flg, M8 x 20mm

4шт.

6

832-4748

FLANGE NUT,M8 x 1.25, Flg, Cl 8

4шт.

7

433784A1

HOSE,7.90 mm ID x 445.00 mm, SAE J30 or SAE 20R4 Class D1

Cut From Bulk, Overflow

1шт.

8

515-23143

CLAMP,9/16", Insul, 3/8" Bolt

3шт.

10

39519

WASHER,10.31mm ID x 34.9mm OD x 3.57mm Thk

Washer Under Clamp May Be Replaced With Loctite 243 On Some Models

3шт.

11

309096A1

SQUARE NUT,Square, M10 x 1.5, LH Thd, Cl 5A

M10

1шт.

12

336371A1

PIN,4.88mm OD x 14.23mm L

1шт.

9

827-10045

BOLT,Hex, M10 x 1.5 x 45mm, Cl 10.9

1шт.

Выбрано товаров: 0