Запчасти Case 850K (04-14) - HARNESS, CAB/CANOPY - HARNESS, MICROCONTROLLER (04) - ELECTRICAL SYSTEMS

Схема запчастей Case 850K - (04-14) - HARNESS, CAB/CANOPY - HARNESS, MICROCONTROLLER (04) - ELECTRICAL SYSTEMS
3
15
4
23
33
1
23
24
37
2
32
14
26
36
16
22
34
27
25
27
34
21
13
28
9
29
35
29
26
10
8
17
25
11
28
23
18
7
5
6
FIT
1:1
100%

Артикул

Название

Примечание

Количество

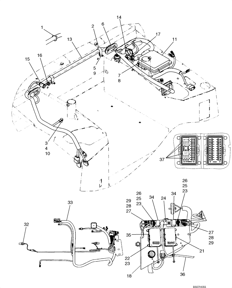
1

L11541

CABLE TIE,203.2mm L, Nylon

CABLE STRAP Cab Models

6шт.

2

515-24302

CLAMP,1 3/16", Insul, 7/16" Bolt

(30.2mm; M10 Bolt); Canopy Models

2шт.

3

43138

BOLT,Hex, M10 x 1.5 x 20mm, Cl 8.8

2шт.

4

140028

WASHER,10.2mm ID x 18.1mm OD x 2.2mm Thk

2шт.

5

9861444

BOLT,Hex, M10 x 1.5 x 20mm, Cl 10.9

Canopy Models

2шт.

6

76067249

SHIELD

SEAL; Lockout Lever; Canopy Models

2шт.

7

86508617

BOLT,Hex, M6 x 1 x 30mm, Cl 10.9

2шт.

8

86588450

WASHER,6.6mm ID x 12mm OD x 1.6mm Thk

2шт.

9

86625253

WASHER,11mm ID x 24mm OD x 2mm Thk

Canopy Models

2шт.

10

86632602

LOCK WASHER,Ext Tooth, M10

2шт.

11

87313557

CONTROL UNIT

Micro Controller, RC6-9

1шт.

87313557R

REMAN ELECT CONTROL

850K - SERIES 3 TIER 2 (12/06-)

1шт.

87313557C

CORE-ELECTRONIC CONT

Return Number

1шт.

13

87589070

WIRE HARNESS

Micro Controller; Cab or Canopy

1шт.

14

87550990

BRACKET

Connector Holddown Bracket

1шт.

15

283779A1

POWER SOCKET,12V

30 amp Maximum

1шт.

16

283781A1

CAP,Polyester Elastomer

Power Plug Outlet

1шт.

17

329032A1

SELF-TAP SCREW,Hex WAHR HD TPG #10 x 0.375 END TT

Hex Washer Head, No. 10 x 3/8

4шт.

18

87630667

BRACKET, SUPPORTING

Fuse and Relay Mount; Replaces 87394755

1шт.

20

86500689

NUT,M10 x 1.5, Cl 10

2шт.

21

87638224

FUSE BOX

RTMR 20 Fuse Bussed

1шт.

22

86511826

SCREW,Phillips Drive, Pan HD, M5 x 16mm

8шт.

23

86588450

WASHER,6.6mm ID x 12mm OD x 1.6mm Thk

10шт.

24

87630150

WIRE HARNESS

BUSBAR POWER RELAY

1шт.

25

840-1545

SCREW,Phillips Drive, Pan HD, M5 x 45mm, Cl 4.8

2шт.

26

86639241

NUT,Prev Torque, M5 x 0.8, Cl 8

2шт.

27

86632601

LOCK WASHER,8.4mm ID x 15mm OD x 0.8mm Thk

4шт.

28

86625072

NUT,Hex, M6, Cl 10

Nut

4шт.

29

83990583

LOCK WASHER,M8 x 14.8mm OD x 2.1mm Thk

4шт.

30

43138

BOLT,Hex, M10 x 1.5 x 20mm, Cl 8.8

1шт.

31

86632602

LOCK WASHER,Ext Tooth, M10

1шт.

32

87596056

SWITCH

Proximity Switch

2шт.

33

87596043

WIRE HARNESS

/A Main Rops Series 2

1шт.

34

87638227

RELAY

Power Module 12V

2шт.

87327348

FUSE,50 Amp

32 Volt, 50 AMP; Not Illustrated

1шт.

35

87312843

FUSE BOX

Box and Fuse

1шт.

87327350

FUSE,60 Amp

32 Volt, 60 AMP; Not Illustrated

1шт.

36

87608546

CABLE

Wire Alternator

1шт.

37

87696396

RELAY,12V, 35A, Micro

Relay, 5-PIN 280 Series (12V)

4шт.

87733436

CABLE

Power Relay To Fuse Box; Not Illustrated

1шт.

Выбрано товаров: 40