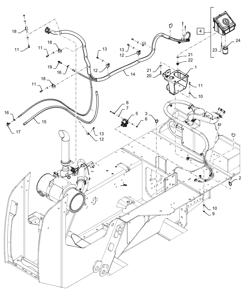
Запчасти Case 850M LT (10.500.020) - VAR - 784626 - DEF/ADBLUE™ LINES, MODULE (10) - ENGINE

Схема запчастей Case 850M LT - (10.500.020) - VAR - 784626 - DEF/ADBLUE™ LINES, MODULE (10) - ENGINE
21
10
20
2
22
13
11
15
5
13
6
18
12
13
12
18
12
3
14
9
11
1
21
18
16
7
24
8
17
11
19
23
11
16
10
4
FIT
1:1
100%

Артикул

Название

Примечание

Количество

1

47460860

BRACKET

DEFModule

1шт.

2

L11541

CABLE TIE,203.2mm L, Nylon

5шт.

3

87000312

CABLE TIE,4.8mm W x 203.2mm OAL, Nylon

1шт.

4

47364111

ECU

DEF Module, Incl 23, 24

1шт.

5

84151635

HEATER VALVE

DEF Module

1шт.

6

9706690

NUT,M8 x 1.25, Cl 8

3шт.

7

87655042

SPECIAL WASHER,8.8mm ID x 17.5mm OD x 2.2mm Thk

6шт.

8

120062

BOLT,Hex, M8 x 70mm, Cl 8.8

3шт.

9

825-1410

NUT,M10, Cl 8

4шт.

10

87713132

SPECIAL WASHER,10.7mm ID x 23mm OD x 2.2mm Thk

8шт.

11

43140

BOLT,Hex, M10 x 1.5 x 30mm, Cl 8.8

7шт.

12

87301688

CLAMP,41.2mm, Coat, P Type

4шт.

13

300383

BOLT,Hex, M10 x 1.5 x 16mm, Cl 8.8, Full Thd

4шт.

14

47474956

HOSE

DEF Lines, Module to Exhaust

1шт.

15

84160812

CONDUIT

DEF Line

1шт.

16

214-1706

HOSE CLAMP,#06, 0.44" - 0.78", Type M Worm

2шт.

17

86625228

HYD CONNECTOR,90°, 3/8" Hose x 9/16-18

1шт.

18

87573373

CLAMP,33.3mm, Coat, 10.3mm Bolt Hole, P Type

3шт.

19

217-380

FITTING,3/8" Hose Barb x 3/8" Male NPTF

1шт.

20

43129

BOLT,Hex, M8 x 1.25 x 40mm, LH Thd, Cl 8.8

4шт.

21

87528983

WASHER,8.4mm ID x 25mm OD x 2mm Thk

8шт.

22

434177A1

ISOLATOR

Module

4шт.

23

84247272

FILTER,In-Line

1шт.

24

84254852

FILTER

Assembly

1шт.

Выбрано товаров: 24