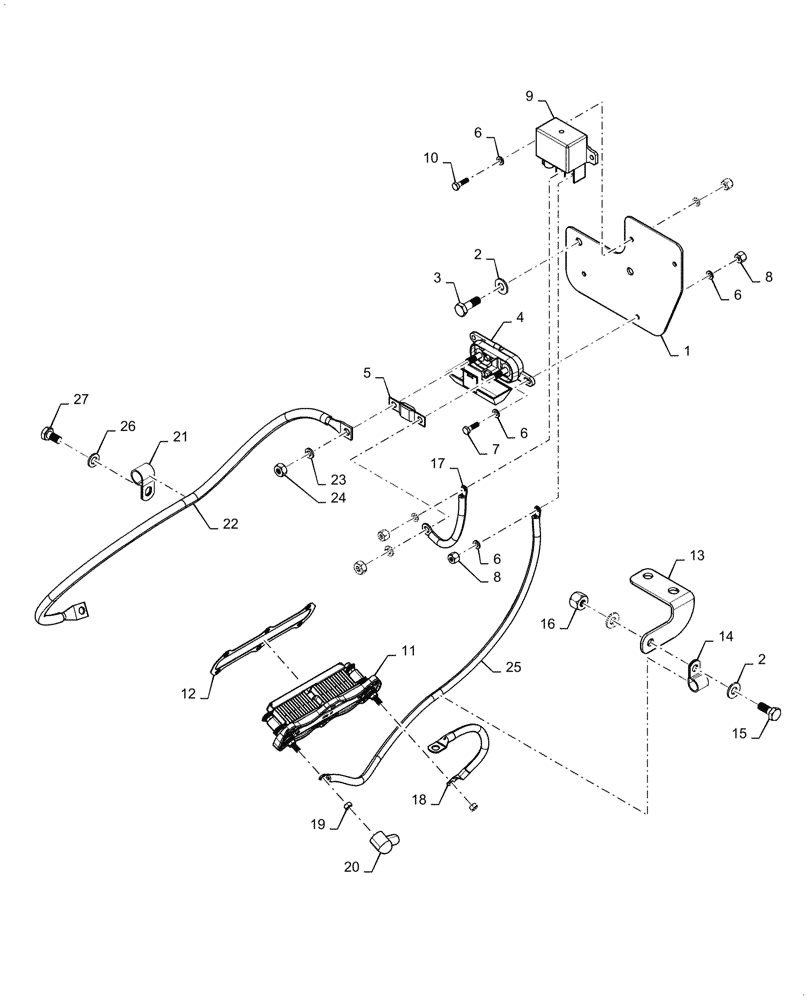
Запчасти Case 850M WT (55.202.010) - VAR - 784106 - HEATER, COLD START (55) - ELECTRICAL SYSTEMS

Схема запчастей Case 850M WT - (55.202.010) - VAR - 784106 - HEATER, COLD START (55) - ELECTRICAL SYSTEMS
1
9
7
13
6
22
14
4
2
17
3
26
18
11
12
5
6
15
16
20
24
8
27
2
6
10
8
21
23
19
25
6
FIT
1:1
100%

Артикул

Название

Примечание

Количество

1

47709430

BRACKET

Cold Start Painted

1шт.

2

87655046

SPECIAL WASHER,10.65mm ID x 23mm OD x 2.2mm Thk

4шт.

3

9515003

BOLT,Hex, M10 x 1.5 x 30mm, Cl 10.9

2шт.

4

440038A1

JUNCTION BLOCK

1шт.

5

8501311

FUSE,150A, Megaval

1шт.

6

86588450

WASHER,6.6mm ID x 12mm OD x 1.6mm Thk

10шт.

7

86505530

BOLT,Hex, M6 x 1 x 20mm, Cl 10.9, Full Thd

2шт.

8

393392

LOCK NUT,Prev Torque, M6 x 1, Cl 8

6шт.

9

84540512

RELAY,150A

1шт.

10

120100

BOLT,M6 x 20mm, Cl 8.8

2шт.

11

2855345

HEATER

1шт.

12

2854701

GASKET,0.8mm Thk

1шт.

13

47480477

BRACKET

Cold Start Painted

1шт.

14

515-23159

CLAMP,5/8", Insul, 3/8" Bolt

1шт.

15

9846677

BOLT,M10 x 1.5 x 25mm, Cl 10.9

1шт.

16

832-10410

NUT,M10 x 1.5, Cl 8

1шт.

17

47674186

CABLE

Fuse To Relay

1шт.

18

47628833

GROUND CABLE

Grid Heater Ground

1шт.

19

86500688

NUT,Hex, M6 x 1.0, Cl 10.9

2шт.

20

47524104

CAP

Terminal Insulator

1шт.

21

86637999

CLAMP,19mm, Coat, 11.9mm Bolt Hole, P Type

1шт.

22

84606211

ELECTRIC CABLE

Starter To Fuse

1шт.

23

892-11008

LOCK WASHER,8mm ID

2шт.

24

829-1408

NUT,Hex, M8 x 1.25, Cl 10.9

2шт.

25

47677804

CABLE

Relay To Grid Heater

1шт.

26

86624176

WASHER,11mm ID x 20mm OD x 2mm Thk

1шт.

27

9861444

BOLT,Hex, M10 x 1.5 x 20mm, Cl 10.9

1шт.

Выбрано товаров: 27