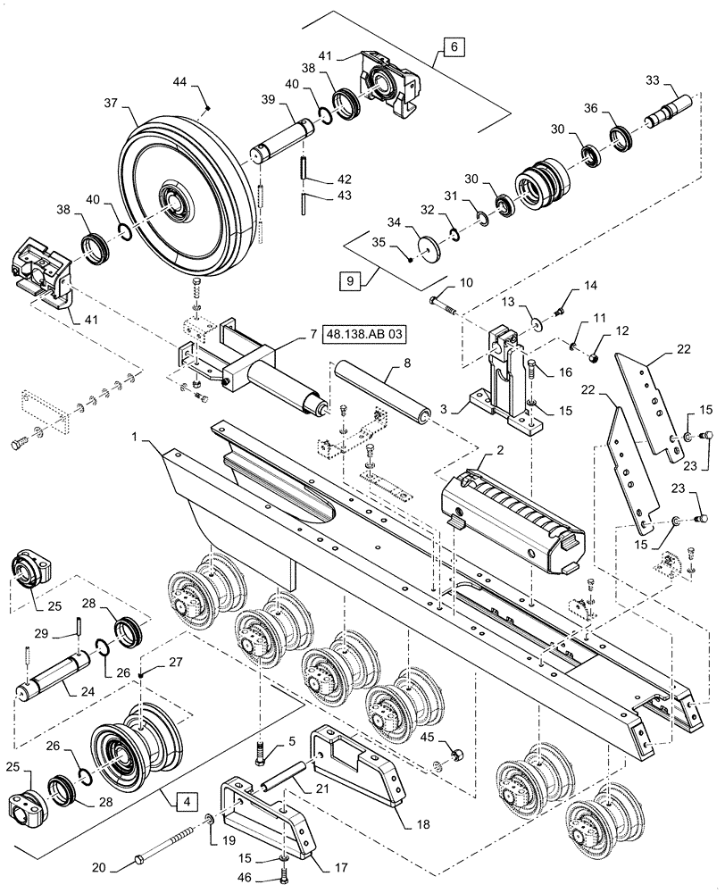
Запчасти Case 850M WT/LGP (48.138.AB[02]) - LH TRACK ASSY (48) - TRACKS & TRACK SUSPENSION

Схема запчастей Case 850M WT/LGP - (48.138.AB[02]) - LH TRACK ASSY (48) - TRACKS & TRACK SUSPENSION
48.138.ab 03
33
22
28
27
36
15
19
44
25
23
40
5
26
30
26
32
29
20
15
10
41
38
8
14
41
1
34
15
7
45
16
2
30
38
22
24
28
6
13
4
37
18
46
12
17
15
35
42
11
39
23
3
25
40
9
21
43
31
FIT
1:1
100%

Артикул

Название

Примечание

Количество

1

47489323

DRAWBAR FRAME

CE Gray, LH

1шт.

2

419386A1

HOUSING ASSY.

Recoil Spring

1шт.

3

47537241

BRACKET

Carrier Roller

1шт.

4

87581583

ROLLER

Track, Incl 24 - 29

7шт.

5

409-91248

BOLT,Hex, 3/4" - 10 x 3", Gr 5

Roller Mounting

28шт.

6

86987773

FRONT IDLER

Assembly, Incl 38 -44

1шт.

7

435384A1

YOKE

Assembly

1шт.

8

84413302

TUBE

Track Adjuster

1шт.

9

47447083

ROLLER

1шт.

10

426-1064

BOLT,Hex, 5/8" - 11 x 4", Gr 8

2шт.

11

496-81004

WASHER,41/64" x 1.047" x .134", HDN

2шт.

12

232-41410

LOCK NUT,5/8"-11, GC

2шт.

13

495-91167

WASHER,13.49mm ID x 50.8mm OD x 3.4mm Thk

1шт.

14

413-816

BOLT,Hex, 1/2" - 13 x 1", Gr 5

1шт.

15

87655044

SPECIAL WASHER,17.75mm ID x 31.50mm OD x 4.20mm, HTS Boron, ZNM

12шт.

16

280355

BOLT,Hex, 5/8" - 11 x 2 1/4", Gr 8

4шт.

17

47537324

GUIDE

Rear Track, LH

1шт.

18

47537326

GUIDE

Rear Track, RH

1шт.

19

87655047

SPECIAL WASHER,21.25mm ID x 38.10mm OD x 4.20mm Thk

2шт.

20

9842687

BOLT

1шт.

21

D35698

SPACER

Rock Guard

1шт.

22

47484761

GUARD

Sprocket

2шт.

23

409-91024

BOLT,Hex, 5/8" - 11 x 1 1/2", Gr 5

8шт.

24

R33561

SHAFT

Track Roller

1шт.

25

427026A1

BRACKET

End Cap

2шт.

26

A7156

O-RING,0.139" Thk x 1.734" ID, -224, Cl 6, 90 Duro

2шт.

27

R33557

PLUG

Pipe, Hex

1шт.

28

S113075

SEAL

Face

2шт.

29

R33563

ROLL PIN

Track Roller

2шт.

30

3142394R91

TAPERED BEARING

Cup and Cone

2шт.

31

198945A1

SPACER

Carrier, Roller

1шт.

32

800-5140

SNAP RING,M40, Ext, Hvy

1шт.

33

87314692

SHAFT HOUSING

Carrier

1шт.

34

419749A1

COVER

Roller End

1шт.

35

R33557

PLUG

Hex

1шт.

36

R33607

SEAL

Face

1шт.

37

103389A1

BUSHING

1шт.

38

S116825

SEAL,90.5mm ID x 109.5mm OD x 31.8mm Thk

2шт.

39

103390A1

SHAFT

Idler

1шт.

40

238-5227

O-RING,0.139" Thk x 2.109" ID, -227, Cl 5, 75 Duro

2шт.

41

419779A1

BRACKET

Idler

2шт.

42

838-51090

PIN,M10 x 90, Coiled

2шт.

43

838-51690

LOCK PIN,M16 x 90, Slotted

2шт.

44

R33557

PLUG

Hex

1шт.

45

231-41112

LOCK NUT,3/4"-10, GB

1шт.

46

88706

BOLT,Hex, 5/8" - 11 x 1 3/4", Gr 8

4шт.

Выбрано товаров: 46