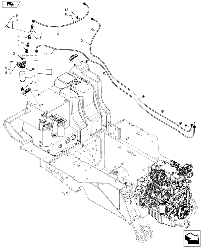
Запчасти Case 850M WT/LGP (10.210.AF[01]) - FUEL LINE & TANK (10) - ENGINE

Схема запчастей Case 850M WT/LGP - (10.210.AF[01]) - FUEL LINE & TANK (10) - ENGINE
1
2
9
7
14
12
16
13
8
15
10
5
9
8
4
11
6
home
3
FIT
1:1
100%

Артикул

Название

Примечание

Количество

1

84348875

FILTER ASSY

Incl 14 - 16

1шт.

2

8602542

ADAPTER,M14 x 1.5 x 16mm ID x 7.90mm ID

1шт.

3

86579689

ELBOW,90 Degree, 13/16" - 16 ORFS x M14 x 1.5 ORB

1шт.

4

84520680

HYD CONNECTOR

1шт.

5

86984713

SHUT-OFF VALVE

1шт.

6

87270102

FITTING,1/2" NPTF to Quick Connect

1шт.

7

87573373

CLAMP,33.3mm, Coat, 10.3mm Bolt Hole, P Type

1шт.

8

87655046

SPECIAL WASHER,10.65mm ID x 23mm OD x 2.2mm Thk

4шт.

9

120068

BOLT,Hex, M10 x 40mm, Cl 8.8

4шт.

10

47372330

FUEL TUBE

1шт.

11

47414137

PLASTIC-RUBBER TUBE

Length = 3594.2mm[141.5"]

1шт.

12

47414139

PLASTIC-RUBBER TUBE

Length = 2839mm[111.7"]

1шт.

13

84298475

HOSE CLAMP

9шт.

14

84337371

FUEL FILTER

1шт.

15

87519307

SENSOR

1шт.

16

87705123

FILTER HEAD

1шт.

Выбрано товаров: 16