Запчасти Case 850M WT/LGP (10.304.AJ) - ENGINE OIL, DIPSTICK (10) - ENGINE

Схема запчастей Case 850M WT/LGP - (10.304.AJ) - ENGINE OIL, DIPSTICK (10) - ENGINE
10.001.ab
12
15
2
4
5
6
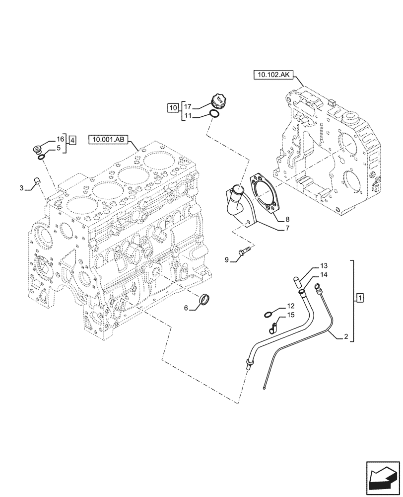
1
16
11
14
10
9
3
17
7
13
8
10.102.ak
FIT
1:1
100%

Артикул

Название

Примечание

Количество

1

2859489

DIPSTICK

ASSY, Incl 2, 5, 13, 14, 15

1шт.

2

2859493

DIPSTICK

1шт.

3

4895406

EXPANSION PLUG,9.8mm OD

1шт.

4

4897330

HEX SOCKET PLUG,M12 x 1.5

ASSY, Incl 5, 16

1шт.

5

4895610

O-RING,2.2mm Thk x 9.3mm ID

1шт.

6

2857051

PLASTIC PLUG,25mm ID, 70mm L

1шт.

7

2855787

TUBE,169.3, 160 mm Length

1шт.

8

4896897

GASKET,1.35mm Thk

M6 x 1 x 20

1шт.

9

2856035

SCREW,Flng, M12 x 30mm, Cl 8.8

1шт.

10

2853410

FILLER CAP,Female

ASSY, Incl 11, 17

1шт.

11

2853412

O-RING,0.21" Thk x 1.475" ID

1шт.

12

17316590

BRACKET

1шт.

13

2856034

COVER

1шт.

14

2859490

TUBE

1шт.

15

4898502

O-RING,0.364" ID x 0.504" OD x 0.07"

1шт.

16

NSS

NOT SOLD SEPARAT

Plug, M12 x 1,5 x 11,5mm, Incl in 4

1шт.

17

NSS

NOT SOLD SEPARAT

Cap, Incl in 10

1шт.

Выбрано товаров: 17