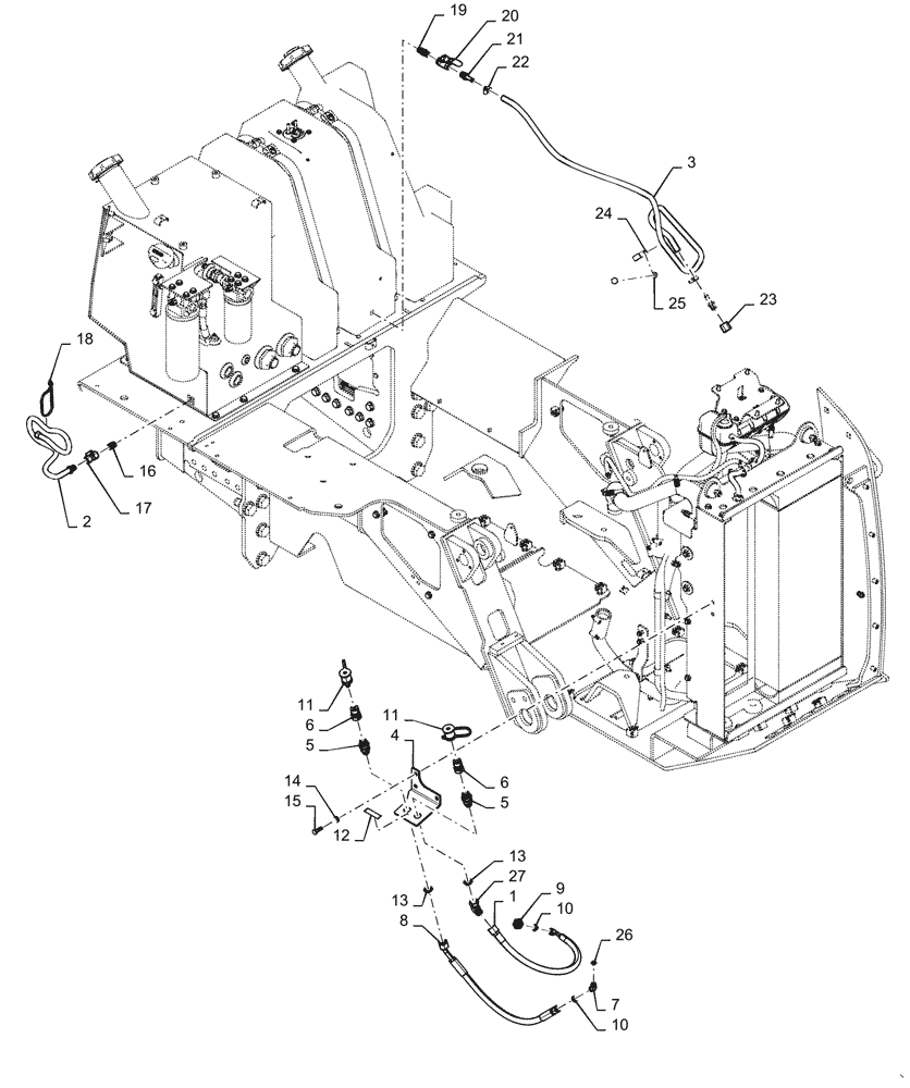
Запчасти Case 850M WT/LGP (10.400.BE[01]) - DRAIN ECOLOGY (10) - ENGINE

Схема запчастей Case 850M WT/LGP - (10.400.BE[01]) - DRAIN ECOLOGY (10) - ENGINE
6
25
27
5
11
13
20
1
6
13
8
23
10
2
15
24
18
16
3
12
21
17
10
4
7
11
14
22
19
26
5
9
FIT
1:1
100%

Артикул

Название

Примечание

Количество

1

47671690

HYDRAULIC HOSE

Engine Oil

1шт.

2

87413240

HOSE ASSY.

Drain Hose

1шт.

3

47420762

HOSE

DEF Drain

1шт.

4

47388857

BRACKET

Drain Ecology

1шт.

5

47431659

UNION,Male Blkhd, SAE - 12, 37FL - 3/4" NPTF

Male BLKHD SAE- 12 37FL - 3/4 NPTF

2шт.

6

84588109

HALF-COUPLING

2.16 Length

2шт.

7

86512938

90 ELBOW,90 Degree, 37 Degree 3/4"-16 x 9/16"-18 ORB

1шт.

8

47596136

HOSE

Coolant Drain

1шт.

9

47750308

REDUCER,M22 x 1.5 M, ORB x 1/2 JIC

See Order Notes For Oring Service

1шт.

10

167266

O-RING,0.116" Thk x 0.924" ID, -912, Cl 6, 90 Duro

Insul 28.6mm M12 Bolt ZND

1шт.

11

84538263

DUST CAP

Hose Cover

2шт.

12

84556213

DECAL

Drain

1шт.

13

128825

O-RING,0.087" Thk x 0.644" ID, -908, Cl 6, 90 Duro

2шт.

14

87655043

WASHER,M12, 13.65mm ID x 24.90mm OD x 3.20mm, HT Boron, ZNM

13.65 X 24.9 X 3.2mm HTS Boron ZNM

3шт.

15

9824642

BOLT,M12 x 1.75 x 42.68mm, Cl 10.9

3шт.

16

221-1185

FITTING

Nipple, Pipe 1/2 NPTF X 1.125 GALV STL

1шт.

17

86984713

SHUT-OFF VALVE

Fuel Shut- Off, One Way Valve

1шт.

18

L18331

CABLE TIE,375.9mm L, Nylon, Black

Hose Tie

1шт.

19

84422746

NIPPLE

STR FITTING NPTF

1шт.

20

84422753

SHUT-OFF VALVE,1/2" NPT x 1/2" NPT

Fuel Shut- Off, One Way Valve

1шт.

21

84422999

FITTING,M12, 1/2 - 14, 66mm L, SS

MALE NPTF BEAD CONNECT

2шт.

22

87016721

HOSE CLAMP,17.5mm - 31.7mm

2шт.

23

84423014

CAP,1/2" - 14

FEMALE NPTF

1шт.

24

87032428

CLAMP,22.2mm, Coat, 10.3mm Bolt Hole, J Type

1шт.

25

87655046

SPECIAL WASHER,10.65mm ID x 23mm OD x 2.2mm Thk

1шт.

26

87753668

O-RING,0.921" ID x 1.199" OD x 0.139"

Reducer Seal

1шт.

27

219605

ELBOW,45 Degree, 1 1/16"-12, 37 Degree x 1 1/16"-12, 37 Degree Fem Sw

Engine Oil Hose

1шт.

Выбрано товаров: 27