Запчасти Case 850M WT/LGP (10.500.AA[02]) - DEF TANK PLASTIC (10) - ENGINE

Схема запчастей Case 850M WT/LGP - (10.500.AA[02]) - DEF TANK PLASTIC (10) - ENGINE
8
19
17
21
2
29
23
15
7
27
9
14
10.500.aa 01
3
4
20
18
11
3
5
16
13
26
3
1
12
28
6
25
17
24
22
18
10
FIT
1:1
100%

Артикул

Название

Примечание

Количество

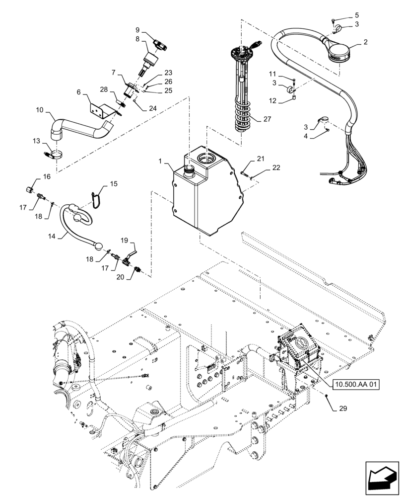
1

47672725

EXHAUST FLUID TANK

1шт.

2

47495362

HOSE

ASSY, DEF Rear

1шт.

3

87301688

CLAMP,41.2mm, Coat, P Type

Hose Mounting

6шт.

4

120103

BOLT,M8 x 1.25 x 16mm, Cl 8.8

2шт.

5

43138

BOLT,Hex, M10 x 1.5 x 20mm, Cl 8.8

2шт.

6

47600672

BRACKET

Filler Mount

1шт.

7

47600672

BRACKET

DEF Tank Filler

1шт.

8

84315307

FILLER

DEF Tank

1шт.

9

84206552

FILLER CAP,Male

DEF Tank

1шт.

10

47367237

HOSE

FIller Assy

1шт.

11

120106

BOLT,M8 x 1.25 x 45.45mm, Cl 8.8

1шт.

12

87036413

SPACER,10.34mm ID x 15.88mm OD x 23.8mm L

1шт.

13

L115548

CLAMP,57.15mm - 79.38mm

1шт.

14

47391104

FUEL HOSE

DEF Drain

1шт.

15

L18331

CABLE TIE,375.9mm L, Nylon, Black

1шт.

16

84423014

CAP,1/2" - 14

1шт.

17

84422999

FITTING,M12, 1/2 - 14, 66mm L, SS

DEF Drain

2шт.

18

214-1708

HOSE CLAMP,#08, 0.5" - 0.91", Type M Worm

2шт.

19

84422753

SHUT-OFF VALVE,1/2" NPT x 1/2" NPT

DEF Drain

2шт.

20

47735815

NIPPLE,1/2 STR NPTF TO M18X1.5

1шт.

21

412151

BOLT,M10 x 1.5 x 61.58mm, Cl 8.8

4шт.

22

87655046

SPECIAL WASHER,10.65mm ID x 23mm OD x 2.2mm Thk

4шт.

23

84246766

HEX SOC SCREW,M4 x 12mm, SST

4шт.

24

393392

LOCK NUT,Prev Torque, M6 x 1, Cl 8

3шт.

25

495-11028

WASHER,1/4", SAE

3шт.

26

614-6020

BOLT,Hex, M6 x 1 x 20mm, Cl 8.8, Full Thd

3шт.

27

47512692

SENSOR

Fluid Level

1шт.

28

214-3140

HOSE CLAMP,1-3/4" - 2-5/8", HD Worm

1шт.

29

9706690

NUT,M8 x 1.25, Cl 8

3шт.

Выбрано товаров: 29