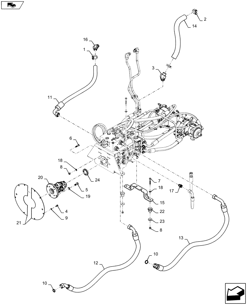
Запчасти Case 850M WT/LGP (29.218.AO[02]) - PUMP, HYDRO (29) - HYDROSTATIC DRIVE

Схема запчастей Case 850M WT/LGP - (29.218.AO[02]) - PUMP, HYDRO (29) - HYDROSTATIC DRIVE
7
9
13
2
20
16
23
8
24
5
8
21
10
home
14
4
22
10
15
3
18
18
11
1
6
17
12
19
FIT
1:1
100%

Артикул

Название

Примечание

Количество

1

214-2122

CLAMP,39.62mm - 45.97mm

1шт.

2

214-2130

CLAMP,#30, 1.81"-2.06", T-Bolt

2шт.

3

217-327

FITTING,45 Degree Elbow, 1-1/2" Hose Barb x 1-5/8" - 12 Male ORB

1шт.

4

614-10025

BOLT,Hex, M10 x 1.5 x 25mm, Cl 8.8

8шт.

5

627-16045

BOLT,Hex, M16 x 2 x 45mm, Cl 10.9, Full Thd

4шт.

6

814-12050

BOLT,Hex, M12 x 1.75 x 50mm, Cl 8.8

4шт.

7

814-12080

BOLT,Hex, M12 x 1.75 x 80mm, Cl 8.8

2шт.

8

832-10412

NUT,M12 x 1.75, Cl 8

6шт.

9

892-11010

LOCK WASHER,M10

8шт.

10

9824051

O-RING,0.07" Thk x 1.176" ID, -25, Cl 6, 90 Duro

2шт.

11

47366090

HOSE

TANK Hose

1шт.

12

47519920

HYDRAULIC HOSE

COOLER TO MANIFOLD

1шт.

13

47524033

HYDRAULIC HOSE

MANIFOLD TO COOLER

1шт.

14

84426510

HYDRAULIC HOSE

HYSTAT SUCTION

1шт.

15

84469135

BRACKET

REAR PUMP SUPPORT

1шт.

16

87033824

FITTING,45 Degree, 1 1/4" Hose x 1 5/16"-12 ORB Beaded

1шт.

17

87530400

HYD CONNECTOR

STR -12ORFSX3/4-16 ORB JUMP

1шт.

18

87655043

WASHER,M12, 13.65mm ID x 24.90mm OD x 3.20mm, HT Boron, ZNM

M12, 13.65X24.9X3.2 HTS BORON ZN

10шт.

19

87655044

SPECIAL WASHER,17.75mm ID x 31.50mm OD x 4.20mm, HTS Boron, ZNM

M16, 17.75X31.5X4.2 HTS BORON ZN

4шт.

20

328712A2

FLEXIBLE DRIVE SHAFT

1480 Series DriveShaft

1шт.

21

385750A1

COVER

COVER FLYWHEEL HOUSING

2шт.

22

A59514

RUBBER BUSHING,13.49mm ID x 34.29mm OD x 41.1mm L

INSULATOR PLATFORM MOUNTING

2шт.

23

D25022

WASHER

17/32" ID, 1 3/4" OD

2шт.

24

L33673

OIL SEAL

Oil Seal Assembly

1шт.

Выбрано товаров: 24