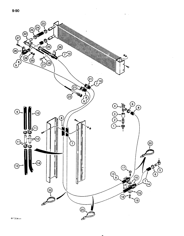
Запчасти Case 855D (9-090) - CAB HEATING SYSTEM (09) - CHASSIS/ATTACHMENTS

Схема запчастей Case 855D - (9-090) - CAB HEATING SYSTEM (09) - CHASSIS/ATTACHMENTS
3
8
21
6
20
6
16
25
21
9
1
5
18
24
20
10
9
4
22
27
15
13
7
28
17
11
9
11
20
19
7
25
8
14
28
7
13
8
27
10
7
25
23
26
26
8
2
14
29
12
8
10
FIT
1:1
100%

Артикул

Название

Примечание

Количество

1

221-1089

REDUCER,Hex, 1/2" x 3/8" NPT

1/2" x 3/8" NPT, plated

1шт.

2

221-1165

JUNCTION

3/8" NPT, plated

1шт.

3

221-1337

COUPLING,Pipe, 3/8" NPT

3/8" NPT, plated

1шт.

4

301803R1

SHUT-OFF VALVE

heater supply hose

1шт.

5

R50454

FITTING

stem fitting, 90 degree

1шт.

6

214-253

HOSE CLAMP,#10, 0.56" - 1.06", Type F Worm

adjustable, hose

2шт.

7

R46473

HOSE - heater return, 259-7/8" (6600 mm) long, used on models without hose splice tube, cut from 97252C1, see below

1шт.

8

R46474

HOSE - heater supply, 232-5/16" (5900 mm) long, used on models without hose splice tube, cut from 97252C1, see below

1шт.

9

R55243

HEATER HOSE,15.50 mm ID x 2300.00 mm

Supply to heater core, Models with hose splice tube, Cut from 97252C1, See below

1шт.

10

R55242

HEATER HOSE,15.50 mm ID x 2550.00 mm

Return from flow control valve, Used on models with hose splice tube, Cut from 97252C1, See below

1шт.

11

214-253

HOSE CLAMP,#10, 0.56" - 1.06", Type F Worm

adjustable, hoses

4шт.

12

S104739

TUBE,0.625" OD x 3" L

hose splice, if used

2шт.

13

R55245

HEATER HOSE,15.50 mm ID x 3700.00 mm

Heater supply from engine, Models with hose splice tube, Cut from 97252C1, See below

1шт.

14

R55244

HEATER HOSE,15.50 mm ID x 4500.00 mm

Heater return to engine, Used on models with hose splice tube, Cut from 97252C1, See below

1шт.

15

R51414

SUPPORT

heater hoses, use circuit breaker mounting plate hardware, see Figure 4-18

1шт.

16

D20302

CLAMP,7/8", Insul, 3/8" Bolt

hoses

2шт.

17

121-234

BOLT,Hex Flg, 3/8"-16 x 1", G8, Full Thd

1шт.

18

192-21

LOCK WASHER,3/8"

1шт.

19

129-103

NUT,Hex, 3/8" - 16, Gr 5

1шт.

20

L18337

CABLE TIE,9.95"-12.1" lg

CABLE STRAP tie, 15 inch, nylon

1шт.

21

353-482

PLUG

1-3/16" (30 mm) diameter

2шт.

22

F63865

VALVE

heater

1шт.

23

F44755

CABLE

heater control

1шт.

24

R54967

HEATER HOSE,15.50 mm ID x 70.00 mm

Flow control valve to heater core, Cut from 97252C1 bulk hose, See below

1шт.

25

214-253

HOSE CLAMP,#10, 0.56" - 1.06", Type F Worm

adjustable, hoses

4шт.

26

D20302

CLAMP,7/8", Insul, 3/8" Bolt

heater supply and return hoses, clamp on return hose (Ref.7 or 10) is used on models with tapped block in cab

1-2шт.

27

113-206

BOLT,Hex, 3/8" - 16 x 3/4", Gr 5, Full Thd

1-2шт.

28

192-21

LOCK WASHER,3/8"

1-2шт.

29

129-103

NUT,Hex, 3/8" - 16, Gr 5

1шт.

97252C1

HOSE,15.875 mm ID x 15240 mm Bulk

1шт.

Выбрано товаров: 30