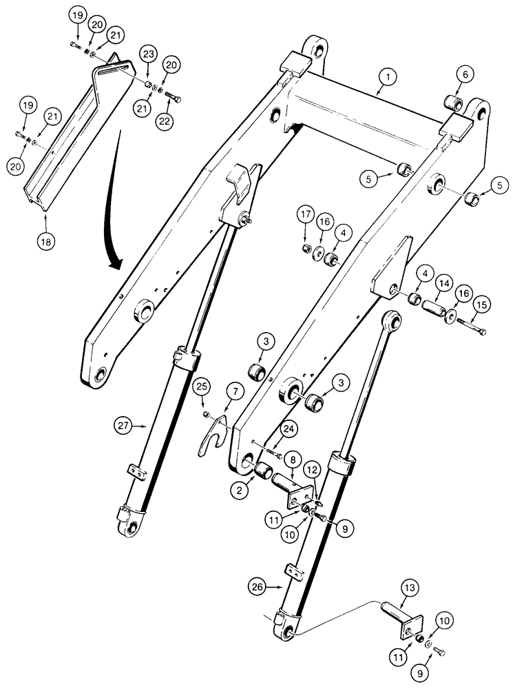
Запчасти Case 855E (9-002) - LOADER LIFT FRAME, LIFT CYLINDERS AND STRUT (09) - CHASSIS/ATTACHMENTS

Схема запчастей Case 855E - (9-002) - LOADER LIFT FRAME, LIFT CYLINDERS AND STRUT (09) - CHASSIS/ATTACHMENTS
2
10
9
21
9
19
22
20
8
26
12
24
21
4
15
11
15
19
1
3
7
13
25
18
20
3
4
10
27
23
11
6
21
20
14
5
17
5
16
FIT
1:1
100%

Артикул

Название

Примечание

Количество

1

R58778

ARM ASSY.

FRAME ASSEMBLY - loader lift

1шт.

2

R31718

BUSHING

- lift frame, Serial Range: mounting-tractor

2шт.

3

R28252

BUSHING

- pivot, bucket cylinder lever

4шт.

4

D33659

BUSHING,51.02mm ID x 63.5mm OD x 19.1mm L

- 2 (51) ID x 3/4 inch (19 mm) long, lift cylinder mounting

4шт.

5

D31142

BUSHING,51.02mm ID x 63.5mm OD x 38.1mm L

- 2 ID x 1-1/2 inch long, at bucket link

4шт.

6

D33023

BUSHING,51.02mm ID x 63.5mm OD x 50.8mm L

- at bucket

2шт.

7

R40703

SHIM

- .075 inch (1.91 mm) thick

1шт.

7

R40704

SHIM

- .141 inch (3.58 mm) thick

1шт.

7

R40705

SHIM

- .172 inch (4.37 mm) thick

1шт.

8

R32852

PIN

- lift, Serial Range: frame-tractor

2шт.

9

413-1232

BOLT,Hex, 3/4" - 10 x 2", Gr 5

- hex, 3/4 NC x 2 inch, Use with Loctite 242 (blue)

4шт.

10

496-31081

WASHER,13/16" x 1 1/2" x .219", HDN

- flat, 13/16 x 1-1/2 x 7/32 inch, hardened

4шт.

11

T31129

BUSHING,19.66mm ID x 31.75mm OD x 17.48mm L

- pin mounting

4шт.

12

219-1

LUBE NIPPLE,1/8" - 27 NPTF

FITTING - grease, straight, 1/8 PT x 21/32 inch

2шт.

13

R32858

PIN

- lift, Serial Range: cylinder-tractor

2шт.

14

R33048

PIN

- lift cylinder to lift frame

2шт.

15

413-1284

BOLT,Hex, 3/4" - 10 x 5-1/4", Gr 5

- hex, 3/4 NC x 5-1/4 inch

2шт.

16

R40509

WASHER

- flat, hardened, special

4шт.

17

231-41112

LOCK NUT,3/4"-10, GB

NUT - hex, self-locking, 3/4 inch NC

2шт.

18

R49560

STRUT

- support, loader lift frame

1шт.

19

413-820

BOLT,Hex, 1/2" - 13 x 1-1/4", Gr 5

- hex, 1/2 NC x 1-1/4 inch

2шт.

20

80679

LOCK WASHER,1/20.507 CST ZND

WASHER, LOCK, 1/2"

3шт.

21

495-21056

WASHER,1/2"

- flat, 9/16 x 1-3/8 x 7/64 inch

3шт.

22

413-828

BOLT,Hex, 1/2" - 13 x 1-3/4", Gr 5

1шт.

23

D51323

BUSHING

- bolt, strut adjusting

1шт.

24

413-844

BOLT,Hex, 1/2" - 13 x 2-3/4", Gr 5

- hex, 1/2 NC x 2-3/4 inch

2шт.

25

231-4118

LOCK NUT,1/2"-13, GB

NUT - hex, self-locking, 1/2 inch NC

2шт.

26

G101212

CYLINDER ASSY.

CYLINDER ASSEMBLY - right-hand, parts list figure 8-46

1шт.

27

G101213

CYLINDER ASSY.

CYLINDER ASSEMBLY - left-hand, parts list figure 8-46

1шт.

Выбрано товаров: 29