Запчасти Case 855E (9-006) - LOADER BUCKET AND TEETH (09) - CHASSIS/ATTACHMENTS

Схема запчастей Case 855E - (9-006) - LOADER BUCKET AND TEETH (09) - CHASSIS/ATTACHMENTS
7
20
14
4
9
16
12
20
18
19
2
19
5
3
17
1
1
10
15
19
13
7
19
8
6
11
6
FIT
1:1
100%

Артикул

Название

Примечание

Количество

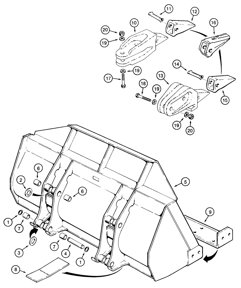
1

103-16200

SNAP RING,#200, Ext

Ring, Snap, , Pin #200, Ext

8шт.

2

95-81155

WASHER,52.38mm ID x 76.2mm OD x 3.35mm Thk

- flat, 2-1/16 x 3 x 1/8 inch, shim

1шт.

3

D37449

SHIM,.0747" Thk

WASHER - flat, 2-1/32 x 4 x 1/16 inch, shim

1шт.

4

R27061

PIN

- pivot, bucket mounting, ring retained

4шт.

R56029

BUCKET

ASSEMBLY - 1-1/2 cu yd (1.1 cu metre), order from Machinery Price List

1шт.

5

NSS

NOT SOLD SEPARAT

BUCKET - loader

1шт.

6

R56018

BUSHING

- bucket mounting, upper

4шт.

7

R56017

BUSHING,51.03mm ID x 63.5mm OD x 60.45mm L

- bucket mounting, lower

4шт.

8

R52696

BUCKET

PLATE - wear, bucket, weld on

7шт.

9

R51167

EDGE, CUTTING

EDGE - cutting, bucket

1шт.

R54275

TOOTH

ASSEMBLY - bucket, center

6шт.

10

NSS

NOT SOLD SEPARAT

SHANK - tooth

1шт.

11

D39448

PIN

- flex

1шт.

12

L55608

POINT

- tooth

1шт.

L126897

TOOTH

ASSEMBLY - bucket, corner

2шт.

13

NSS

NOT SOLD SEPARAT

SHANK - corner tooth, bucket

1шт.

14

D39448

PIN

- flex, bucket teeth

1шт.

15

L55608

POINT

- tooth, bucket

1шт.

16

R54258

POINT

- tooth, star, service replacement option, if used, bucket

1шт.

17

326-1252

BOLT,Hex, 3/4" - 10 x 3-1/4", Gr 8

Bucket teeth Hex, 3/4"-10 x 3 1/4", G8

12шт.

18

326-1256

BOLT,Hex, 3/4" - 10 x 3-1/2", Gr 8

Bucket teeth Hex, 3/4"-10 x 3 1/2", G8

4шт.

19

D34666

WASHER,33.34mm ID x 63.5mm OD x 2.38mm Thk

- flat, special, 3/4 inch, hardened, bucket teeth

32шт.

20

232-41112

NUT,3/4"-10, GC

NUT, LOCK, , Bucket teeth 3/4"-10, GC

16шт.

Выбрано товаров: 23