Запчасти Case 855E (9-010) - LOADER RETURN-TO-DIG (09) - CHASSIS/ATTACHMENTS

Схема запчастей Case 855E - (9-010) - LOADER RETURN-TO-DIG (09) - CHASSIS/ATTACHMENTS
6
4
15
7
9
12
1
13
14
5
6
17
16
11
3
1
1
8
2
10
FIT
1:1
100%

Артикул

Название

Примечание

Количество

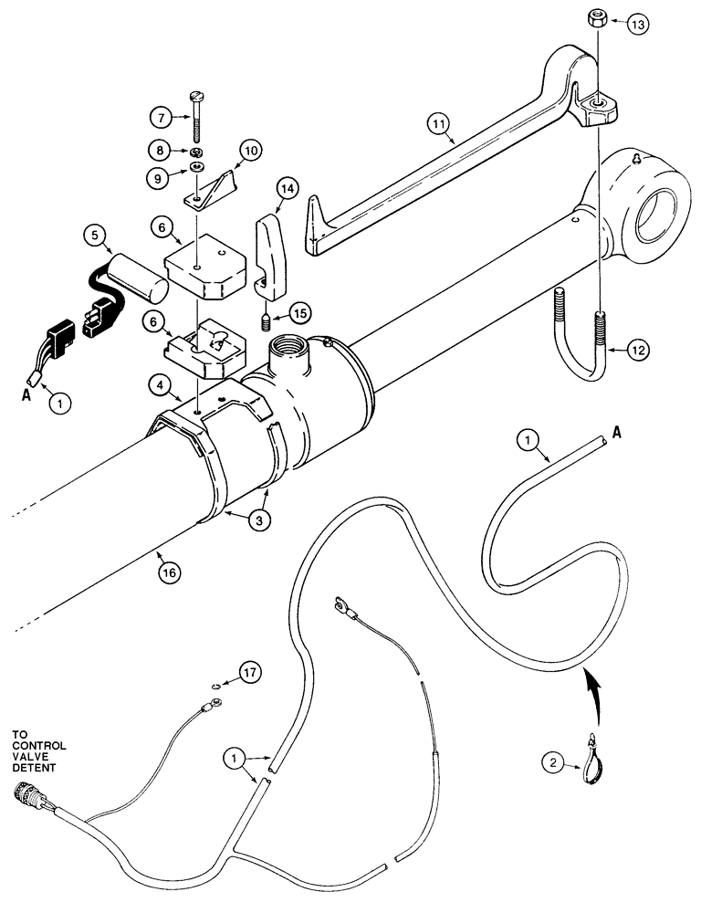
1

R51896

WIRE HARNESS

HARNESS - return-to-dig switch to magnetic detent section of control valve and to engine oil pressure switch behind the instrument panel, includes magnetic detent connector

1шт.

2

L18337

CABLE TIE,9.95"-12.1" lg

STRAP - tie, 15 inch, nylon

1шт.

3

214-3172

HOSE CLAMP,3-3/4" - 4-5/8", HD Worm

CLAMP - adj, 3-3/4 - 4-5/8 inch dia, switch mounting bracket to bucket cylinder

2шт.

4

R52530

LARGE PLATE

BRACKET - switch mounting

1шт.

5

R47120

SWITCH

- return- to-dig

1шт.

6

L117005

CLAMP

- return-to-dig switch, plastic

2шт.

7

70-12532

SCREW,Slotted Pan Hd, 1/4"-20 x 2"

- machine, pan head slotted, 1/4 NC x 2 inch

2шт.

8

492-11025

LOCK WASHER,1/4"

WASHER, LOCK, 1/4"

2шт.

9

495-11028

WASHER,1/4", SAE

(flat, 9/32 x 5/8 x 1/16") 1/4", SAE

2шт.

10

R53354

BRACKET

POINTER - bucket position indicator, plastic

1шт.

11

R52412

ARM

- return-to-dig

1шт.

12

R53616

BOLT

U-BOLT - return-to-dig arm

1шт.

13

232-4116

NUT,3/8"-16, GC

NUT, LOCK, 3/8"-16, GC

2шт.

14

R49818

INDICATOR

- bucket position, used on models with a clam bucket

1шт.

15

178-43

SET SCREW,Hex Soc, 5/16"-18 x 5/8"

SCREW - set, hex socket headless, 5/16 NC x 5/8 inch, cone, use with Loctite 242

1шт.

16

G101210

CYLINDER

ASSEMBLY - bucket, right-hand, parts lists figure 8-48

1шт.

17

493-41039

LOCK WASHER,Ext Tooth, 3/8"

WASHER, LOCK, , Harness ground at control valve Ext Tooth, 3/8"

1шт.

Выбрано товаров: 17