Запчасти Case 855E (9-012) - DOZER C-FRAME WITH LIFT AND ANGLE CYLINDERS (09) - CHASSIS/ATTACHMENTS

Схема запчастей Case 855E - (9-012) - DOZER C-FRAME WITH LIFT AND ANGLE CYLINDERS (09) - CHASSIS/ATTACHMENTS
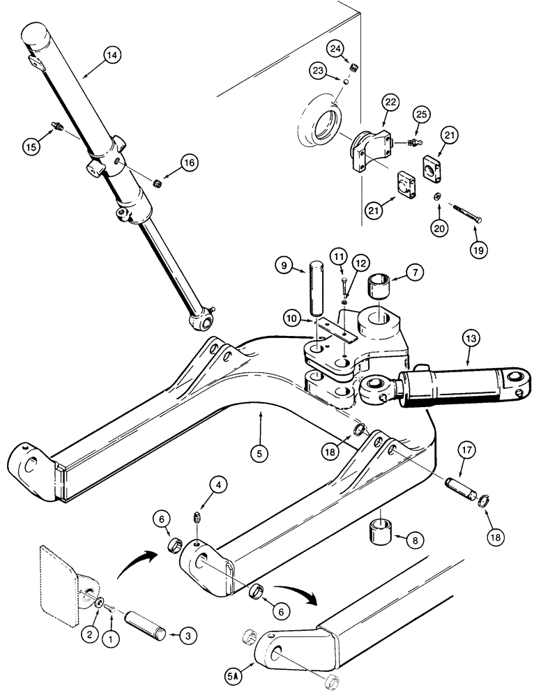
3
21
1
10
21
12
24
25
20
15
4
18
19
13
9
6
2
7
22
14
6
16
17
5a
5
8
18
11
23
FIT
1:1
100%

Артикул

Название

Примечание

Количество

1

106-91020

LOCK BOLT,Locking, 5/8"-11 x 1 1/4", G5, Full Thd

BOLT, Locking, 5/8"-11 x 1 1/4", G5, Full Thd

2шт.

2

70523

WASHER,16.67mm ID x 47.63mm OD x 6.35mm Thk

- flat, special, 21/32 x 1-7/8 x 1/4 inch, hardened, pin retaining

2шт.

3

R45977

AXLE PIN,50.8mm OD x 139.7mm L

PIN - mounting, C-frame to main frame

2шт.

4

217-430

PLUG,Hex Soc, 1/8" - 27 NPTF

- hex socket, 1/8 inch PT

2шт.

5

100439A1

FRAME

C - FRAME - used on all models except LGP dozer models

1шт.

5a

100440A1

FRAME

C - FRAME - used on LGP dozer models only

1шт.

6

D33678

BUSHING,51.02mm ID x 63.5mm OD x 22.3mm L

- 2 (51) ID x 7/8 inch (22 mm) long, C-frame mounting to main frame, used on either C-frame, item 5 or 5A

4шт.

7

R31914

BUSHING,63.75mm ID x 76.2mm OD x 53.34mm L

- front, upper, used on either C-frame, item 5 or 5A

1шт.

8

R27011

BUSHING,63.75mm ID x 76.2mm OD x 63.5mm L

- front, lower, used on either C-frame, item 5 or 5A

1шт.

9

R31966

AXLE PIN

PIN - mounting, angle, Serial Range: cylinders-C-frame

2шт.

For the pins that attach the angle cylinders to the leveling beam see Figure 9-14.

1шт.

10

R31891

LARGE PLATE

PLATE - pin retaining

1шт.

11

413-616

BOLT,Hex, 3/8" - 16 x 1", Gr 5

- hex, 3/8 NC x 1 inch

2шт.

12

492-11038

LOCK WASHER,3/8"

2шт.

13

G103467

CYLINDER ASSY.

CYLINDER ASSEMBLY - angle, parts list figure 8-56, no longer available, order 1542644C1 below

2шт.

13

1542644C1

CYLINDER ASSY.

CYLINDER ASSEMBLY - angle, parts list figure 8-56

2шт.

14

G101217

CYLINDER

ASSEMBLY - lift, parts list figure 8-52

2шт.

15

219-1

LUBE NIPPLE,1/8" - 27 NPTF

FITTING - grease, straight, 1/8 PT x 21/32 inch

2шт.

16

217-430

PLUG,Hex Soc, 1/8" - 27 NPTF

- hex socket, 1/8 inch PT

2шт.

17

D51045

PIN,38.1mm OD x 111.25mm L

- lift, Serial Range: cylinders-C-frame

2шт.

18

D25279

SNAP RING,M35, Int

RING - snap, pin retaining

4шт.

19

426-856

BOLT,Hex, 1/2" - 13 x 3-1/2", Gr 8

8шт.

20

496-21053

WASHER,17/32" x 1 1/16" x .134"

- flat, 17/32 x 1-1/16 x 1/8 inch, hardened

8шт.

21

R48604

BRACKET, PIVOT

BLOCK - cylinder retaining

4шт.

22

R49038

TRUNNION

- pivot, lift cylinder

2шт.

23

211-1024

BALL,3/4" Dia

- chrome alloy steel, 3/4 inch, grade 24

38шт.

24

D28481

PLUG

- trunnion

2шт.

25

219-1

LUBE NIPPLE,1/8" - 27 NPTF

FITTING - grease, straight, 1/8 PT x 21/32 inch

2шт.

Выбрано товаров: 28