Запчасти Case 855E (9-014) - DOZER LEVELING BEAM, BLADE, AND TILT CYLINDER (09) - CHASSIS/ATTACHMENTS

Схема запчастей Case 855E - (9-014) - DOZER LEVELING BEAM, BLADE, AND TILT CYLINDER (09) - CHASSIS/ATTACHMENTS
2
22
10
9
11
10
15
34
9
30
7
24
13
17
26
16
20
5
23
31
27
25
33
28
8
29
22
32
6
19
11
32
6
14
21
4
1
18
3
33
12
FIT
1:1
100%

Артикул

Название

Примечание

Количество

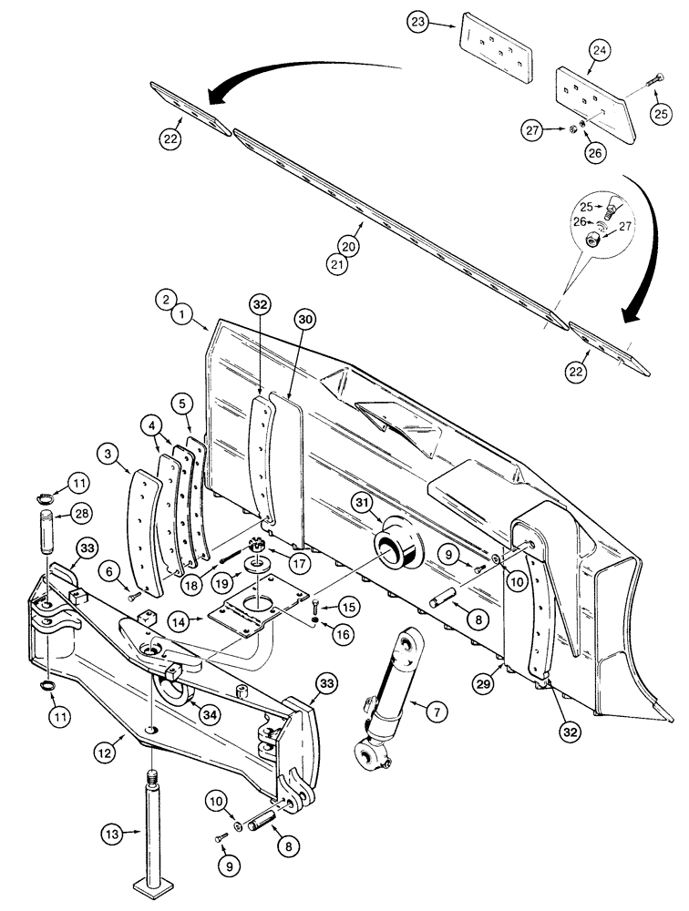
1

100201A1

BULL BLADE

BLADE - 102 inch

1шт.

2

100202A1

BULL BLADE

BLADE - 114 inch

1шт.

3

128865A1

LARGE PLATE

PLATE - wear

2шт.

4

R31646

SPACER

- wear plate

4шт.

5

R31647

SHIM,.018" Thk

(.016 - .020") (0.41 - 0.51 mm) thick .018" Thk

1шт.

6

413-1228

BOLT,Hex, 3/4" - 10 x 1-3/4", Gr 5

- hex, 3/4 NC x 1-3/4 inch

12шт.

7

G109485

CYLINDER ASSY.

CYLINDER ASSEMBLY - dozer tilt

1шт.

8

R50191

PIN

- tilt cylinder mounting

2шт.

9

413-1016

BOLT,Hex, 5/8" - 11 x 1", Gr 5

- hex, 5/8 NC x 1 inch

2шт.

10

70523

WASHER,16.67mm ID x 47.63mm OD x 6.35mm Thk

- flat, special, hardened, pin retaining

2шт.

11

103-16175

SNAP RING,#175, Ext

Ring, Snap, , Pin #175, Ext

2шт.

12

100200A1

BEAM

- leveling, blade

1шт.

The rounded triangular plates on top and bottom of the leveling beam that the pivot pin goes through are weldment P/N R42550.

1шт.

13

R31968

PIN

- pivot, leveling beam

1шт.

14

R46374

SUPPORT

BRACKET - hose retaining

1шт.

15

413-816

BOLT,Hex, 1/2" - 13 x 1", Gr 5

2шт.

16

80679

LOCK WASHER,1/20.507 CST ZND

WASHER, LOCK, 1/2"

2шт.

17

25-1224

SLOTTED NUT,1 1/2"-6, G5

NUT - hex, slotted, 1-1/2 inch NC

1шт.

18

432-1640

COTTER PIN,1/4" x 2 1/2"

Pin, Split (Cotter), 1/4" x 2 1/2"

1шт.

19

R26660

WASHER,40.39mm ID x 101.6mm OD x 12mm Thk

- flat, special

1шт.

20

R44600

EDGE, CUTTING

EDGE - cutting, center, used on 60 inch (1524 mm) gauge standard dozer models

1шт.

21

R43239

EDGE, CUTTING

CUTTING EDGE - center, used on 70 inch (1778 mm) gauge LGP dozer models

1шт.

P/N R43239 is actually 86.73" with 15 bolt holes.

1шт.

22

R42470

EDGE, CUTTING

EDGE - cutting, end, standard, flat, if used

2шт.

23

R41351

EDGE, CUTTING

EDGE - cutting, left-hand, heavy duty, end, curved type, if used

1шт.

24

R41352

EDGE, CUTTING

EDGE - cutting, right-hand, heavy duty, end, curved type, if used

1шт.

25

R56473

PLOW BOLT

BOLT - plow, dome head, 5/8 NC x 2-1/4 inch grade 8

1шт.

26

492-11062

BEARING WASHER,5/8"

WASHER, LOCK, 5/8"

1шт.

27

429-1010

NUT,5/8"-11, G8

1шт.

28

R56417

PIN

- Angle cylinder mounting

2шт.

29

100255A1

PLATE

- wear, right-hand

1шт.

See service bulletin NCR SB 021.2.92

1шт.

30

100256A1

PLATE

- wear, left-hand

1шт.

See service bulletin NCR SB 021.2.92

1шт.

31

R44319

MOUNTING PARTS

PIVOT - blade mount

1шт.

See service bulletin NCR SB 021.2.92

1шт.

32

R46574

PLATE

- tapped

2шт.

See service bulletin NCR SB 021.2.92

1шт.

33

100196A1

LARGE PLATE

PLATE - rub

2шт.

See service bulletin NCR SB 021.2.92

1шт.

34

100195A1

RING

- swivel beam

1шт.

See service bulletin NCR SB 021.2.92

1шт.

Выбрано товаров: 42