Запчасти Case 855E (9-064) - CAB, MOUNTING, FRONT CLOSURE PANELS, AND FLOORMAT (09) - CHASSIS/ATTACHMENTS

Схема запчастей Case 855E - (9-064) - CAB, MOUNTING, FRONT CLOSURE PANELS, AND FLOORMAT (09) - CHASSIS/ATTACHMENTS
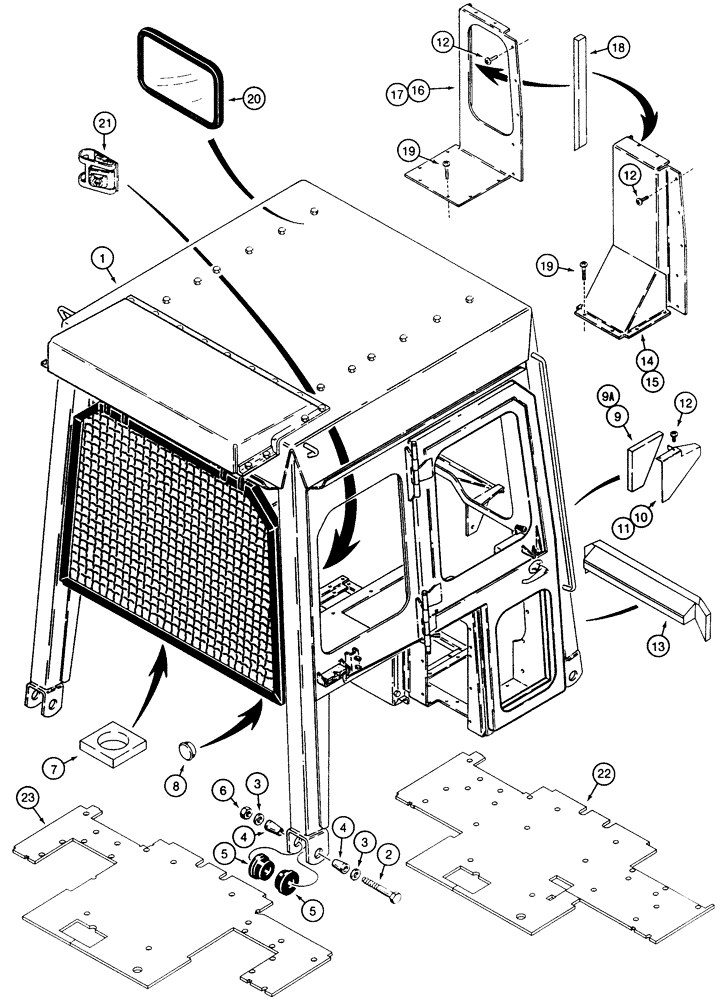
2
5
16
11
1
10
15
3
22
12
19
17
18
5
9a
3
21
12
7
20
13
14
8
23
9
19
6
4
12
4
FIT
1:1
100%

Артикул

Название

Примечание

Количество

1

REF

INSTRUCTION

CAB - ROPS, machinery item, order from Machinery Price List

1шт.

2

413-1296

BOLT,Hex, 3/4" - 10 x 6", Gr 5

- hex, 3/4 NC x 6 inch

4шт.

3

T53681

WASHER,19.84mm ID x 44.5mm OD x 5.559mm Thk

- flat, special, 3/4 inch, hardened

8шт.

4

F44211

BUSHING,19.46mm ID x 38.1mm OD x 53.85mm L

- insert, steel

8шт.

5

F44212

MOUNTING PARTS

INSULATOR - rubber, mounting

8шт.

6

232-41112

NUT,3/4"-10, GC

NUT, LOCK, 3/4"-10, GC

4шт.

7

R50587

SEAL

- foam, on cab frame panel over fuel sight gauge

1шт.

8

353-407

PLUG,Dome, .687" hole, Nylon

- button, nylon, 11/16 inch, rear cab frame below screen

2шт.

9

1999577C1

SEAL

- foam, front, upper, between cab frame and tractor main frame, both sides, dozer models

2шт.

9a

R50588

SEAL

- foam, front, upper, between cab frame and tractor main frame, both sides, loader models

2шт.

10

1999552C1

PANEL

- front closure, filler, left-hand, dozer models, not shown

1шт.

11

1999553C1

PANEL

- front closure, filler, right-hand, dozer models

1шт.

12

161-112

HEX SOC SCREW,Btn Hd, 5/16" - 18 x 1/2"

BOLT - hex socket button head, 5/16 NC x 1/2 inch

22шт.

13

1999371C1

SEAL

- cowl, dozer models

1шт.

14

1999325C1

PANEL ASSY.

PANEL - front closure, left-hand, loader models, not shown

1шт.

15

1999328C1

PANEL ASSY.

PANEL - front closure, right-hand, loader models

1шт.

16

1999333C1

PANEL ASSY.

PANEL - front closure, left-hand, dozer models

1шт.

17

1999336C1

PANEL ASSY.

PANEL - front closure, right-hand, dozer models, not shown

1шт.

18

1999589C1

PAD

SEAL - foam strip, between closure panel and main frame, both sides, dozer or loader models

2шт.

19

161-105

HEX SOC SCREW,Btn Hd, 5/16" - 18 x 3/4"

BOLT - hex socket button head, 5/16 NC x 3/4 inch

8шт.

20

A177462

MIRROR

- rear view, includes mounting hardware, interior, includes mounting hardware

2шт.

21

A36042

CLIP

RETAINER - quarter turn (on heel plate) and battery cover plate (under seat)

3шт.

22

1999308C1

MAT

FLOORMAT - one-piece, dozer models

1шт.

23

1999309C1

MAT

FLOORMAT - one-piece, loader models

1шт.

345-44

ADHESIVE

- spray can, 3M No. 74, 23 ounce

1шт.

Выбрано товаров: 25