Запчасти Case 855E (9-076) - CAB WINDSHIELD WIPERS (09) - CHASSIS/ATTACHMENTS

Схема запчастей Case 855E - (9-076) - CAB WINDSHIELD WIPERS (09) - CHASSIS/ATTACHMENTS
41
13
23
39
25
35
26
5
20
21
30
17
9
14
22
36
16
6
12
6
8
43
24
37
19
39
41
11
3
10
32
15
34
38
27
26
40
7
18
29
1
39
2
33
41
5
31
4
40
FIT
1:1
100%

Артикул

Название

Примечание

Количество

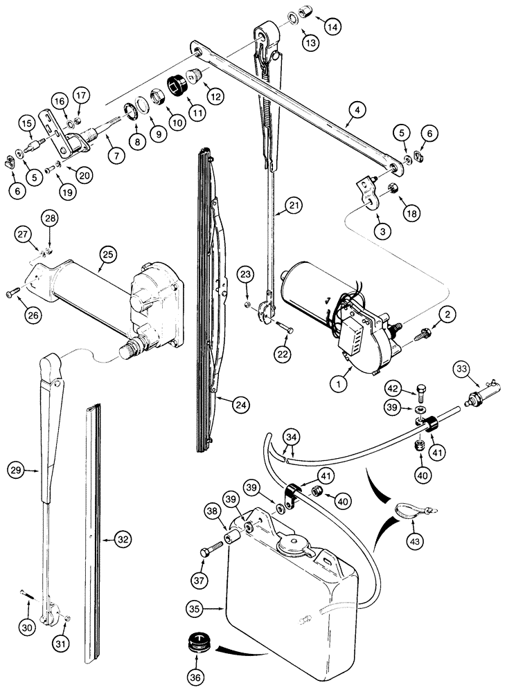
1

1546452C1

WIPER MOTOR

MOTOR ASSEMBLY - front windshield wiper, component parts not serviced separetely

1шт.

2

D72849

SCREW

- machine, special, with lock washer, motor mounting

3шт.

3

1546454C1

ARM ASSY.

ARM - drive, wiper motor

1шт.

4

D71412

LINK

- drive arm to pivot shaft assembly

1шт.

5

A22431

WASHER

- special, retaining

2шт.

6

D71414

CLIP

RETAINER - push-on spring clip, drive arm attaching parts

2шт.

1546455C1

PIVOT ASSY.

SHAFT ASSEMBLY - pivot, windshield wiper

1шт.

7

NSS

NOT SOLD SEPARAT

SHAFT - windshield wiper pivot

1шт.

8

N6749

WASHER

- felt

1шт.

9

N6750

WASHER

- flat, steel

1шт.

10

N6751

NUT

- shaft, special

1шт.

11

D71420

CAP

- shaft, rubber

1шт.

12

N6753

BLOCK DRIVER

DRIVER - knurled, with teeth

1шт.

13

493-21039

LOCK WASHER,Int Tooth, 3/8"

WASHER - internal tooth lock, 3/8 inch

1шт.

14

60-6635T1

NUT

- dome, special, 3/8 inch NF, pivot shaft

1шт.

15

D73642

PIN

PIN - bushing, threaded

1шт.

16

493-21026

LOCK WASHER,Int Tooth, 1/4"

WASHER - internal tooth lock, 1/4 inch

1шт.

17

425-154

JAM NUT,Jam, 1/4"-28, G5

- hex, jam, 1/4 inch NF

1шт.

18

231-5145

SERRATED NUT,Flg, USR, 5/16"-18

NUT - hex serrated flange, 5/16 inch NC

1шт.

19

459-1108

SCREW,Slotted Pan Hd, #10-32 x 1/2"

- machine, pan head slotted, No. 10 NF x 1/2 inch

2шт.

20

492-11010

LOCK WASHER,#10

WASHER, LOCK, #10

2шт.

21

1546456C1

WIPER ARM

ARM ASSEMBLY - front windshield wiper, 16 inch long

1шт.

22

103658A1

BOLT

- shoulder, hex, special

1шт.

23

832-46504

LOCK NUT,M4 x .7, Cl 8

NUT - hex, 4 mm

1шт.

24

243953A1

WINDSHIELD WIPER

BLADE - wiper arm, complete, used in production, 20 inch (508 mm) long, front

1шт.

25

N8711

WIPER MOTOR

MOTOR - rear windshield wiper

1шт.

26

470-1108

SCREW,Slotted Pan Hd, #10-24 x 1/2"

- machine, pan head Phillips, No. 10 NC x 1/2 inch

1шт.

27

492-11010

LOCK WASHER,#10

WASHER, LOCK, #10

1шт.

28

225-14110

NUT,#10-24

1шт.

29

F42213

ARM

- wiper, rear, 16 inch (406 mm) long, 16 inch long

1шт.

30

170-105

SCREW,Sl Pan Hd, #5 - 40 x 1/2"

- machine, pan head slotted, No. 5 NC x 1/2 inch, blade attaching

1шт.

31

225-14105

NUT,#5-40

Blade attaching #5-40

1шт.

32

A42580

WIPER BLADE,203.2mm L

BLADE - wiper arm, 16 inch (406 mm) long, rear windshield wiper

1шт.

33

S117715

NOZZLE INJECTION

NOZZLE - windshield washer

1шт.

34

1999486C1

HOSE

- 156 inch (3960 mm) long, windshield washer

1шт.

35

A187527

RESERVOIR ASSY.

RESERVOIR - windshield wiper fluid, with pump, component parts not serviced separately

1шт.

36

A23870

GROMMET

- retainer

1шт.

37

413-636

BOLT,Hex, 3/8" - 16 x 2-1/4", Gr 5

- hex, 3/8 NC x 2-1/4 inch

2шт.

38

R58606

SPACER

- reservoir

2шт.

39

495-21044

WASHER,3/8"

(flat, 7/16 x 1 x 5/64 inch) 3/8"

5шт.

40

131-203

LOCK NUT,3/8"-16, GB, LH

NUT - light hex, self locking, 3/8 inch NC

3шт.

41

515-23127

CLAMP,1/2", Insul, 3/8" Bolt

P-type, Harness and tube 1/2", Insul, 3/8" Bolt

2шт.

42

413-612

BOLT,Hex, 3/8" - 16 x 3/4", Gr 5

1шт.

43

L18337

CABLE TIE,9.95"-12.1" lg

STRAP - tie, 15 inch, nylon

1шт.

Выбрано товаров: 44