Запчасти Case 855E (9-094) - AIR CONDITIONING SYSTEM - INSIDE CAB ROOF (09) - CHASSIS/ATTACHMENTS

Схема запчастей Case 855E - (9-094) - AIR CONDITIONING SYSTEM - INSIDE CAB ROOF (09) - CHASSIS/ATTACHMENTS
11
28
7
48
10
37
35
22
10b
42a
11a
23
16
9a
18
3
9b
43
40
26
24
1
28
42
38
40a
2a
47
39
35b
10a
20
9b
21
35
19
4
11c
22
45
26
4
22
43
6
21
33
4a
34
20
38a
36
34a
41
35a
40a
39a
33
32
32
10c
2
44
41a
14
31
17
40
5
29
22
15
1
16
38a
11b
27
46
30
15
8
9
24a
33a
20
21
38
27
2a
33b
9
FIT
1:1
100%

Артикул

Название

Примечание

Количество

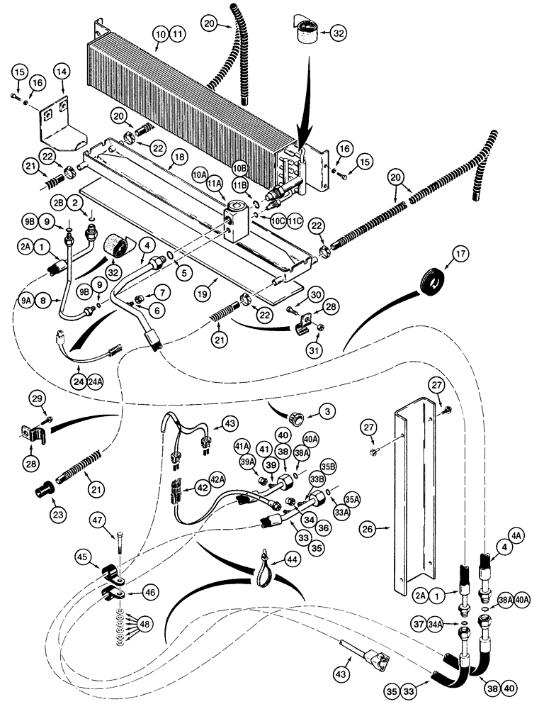
1

1975773C1

HOSE ASSY.

HOSE - 72-7/16 inch (1840 mm) long, discharge, attaches to cab roof condenser tube (item 20 on figure 9-90) and to hose on chassis (item 33 on figure 9-96), used with R-12 refrigerant

1шт.

2

238-5013

O-RING,0.07" Thk x 0.426" ID, -13, Cl 5, 75 Duro

-013, 70 Duro, .426" ID x .070" Thk

1шт.

2a

1975773C2

HOSE ASSY.

HOSE - 72-7/16 inch (1840 mm) long, discharge, attaches to cab roof condenser tube (item 20 on figure 9-90) and to hose on chassis (item 33 on figure 9-96), used with HFC-134a refrigerant

1шт.

2b

128484A1

O-RING,0.07" Thk x 0.426" ID, -13, Cl 5, 70 Duro

- 7/16 ID x 1/16 inch wide

1шт.

3

353-482

PLUG

BUSHING - snap, 1-3/16 inch ID

1шт.

4

1999508C1

HOSE ASSY.

HOSE - 56-3/16 inch (1427 mm) long, suction, evaporator core expansion valve upper port to hose on chassis (item 38 on figure 9-96), used with R-12 refrigerant

1шт.

4a

135525A1

HOSE ASSY.

HOSE - 56-3/16 inch (1427 mm) long, suction, evaporator core expansion valve upper port to hose on chassis (item 38 on figure 9-96), used with HFC-134a refrigerant

1шт.

5

238-5015

O-RING,0.07" Thk x 0.551" ID, -15, Cl 5, 75 Duro

-015, 70 Duro, .551" ID x .070" Thk, Used with 1999508C1 hose, item 4 above

1шт.

5a

128485A1

O-RING,1.78mm Thk x 14mm ID, 70 Duro

- 9/16 ID x 1/16 inch wide, used with 135525A1 hose, item 4 above

1шт.

6

1250594C1

CORE

VALVE - hose

1шт.

7

222-981

TUBE NUT,Cap, 3/8"-24, 45 Degree Fl

CAP - hex, 7/16-20 inch female 45 degree flare

1шт.

8

1999507C1

TUBE

- cab roof to evaporator core lower port on expansion valve, attaches to receiver-drier tube (item 18 on figure 9-90), used with R-12 refrigerant

1шт.

9

238-5011

O-RING,0.07" Thk x 0.301" ID, -11, Cl 5, 75 Duro

-011, 70 Duro, .301" ID x .070" Thk

2шт.

9a

1999507C2

TUBE - cab roof to evaporator core lower port on expansion valve, attaches to receiver-drier tube (item 18 on figure 9-90), used with HFC-134a refrigerant

1шт.

9b

128483A1

O-RING,1.78mm Thk x 7.65mm ID, 70 Duro

- 5/16 ID x 1/16 inch wide

2шт.

10

1340490C2

EVAPORATOR

CORE ASSEMBLY - evaporator, used with R-12 refrigerant

1шт.

10a

98370C3

VALVE

- thermal expansion

1шт.

10b

238-5015

O-RING,0.07" Thk x 0.551" ID, -15, Cl 5, 75 Duro

-015, 70 Duro, .551" ID x .070" Thk, Upper

1шт.

10c

238-5013

O-RING,0.07" Thk x 0.426" ID, -13, Cl 5, 75 Duro

-013, 70 Duro, .426" ID x .070" Thk, Lower

1шт.

11

1340490C3

EVAPORATOR

CORE ASSEMBLY - evaporator, used with HFC-134a refrigerant

1шт.

11a

1990756C1

VALVE

- thermal expansion

1шт.

11b

128485A1

O-RING,1.78mm Thk x 14mm ID, 70 Duro

- 9/16 ID x 1/16 inch wide, upper

1шт.

11c

128484A1

O-RING,0.07" Thk x 0.426" ID, -13, Cl 5, 70 Duro

- 7/16 ID x 1/16 inch wide, lower

1шт.

14

R44085

SUPPORT

- condensation pan

2шт.

15

413-48

BOLT,Hex, 1/4" - 20 x 1/2", Gr 5

- hex, 1/4 NC x 1/2 inch

8шт.

16

492-11025

LOCK WASHER,1/4"

WASHER, LOCK, 1/4"

8шт.

17

D132895

GROMMET

- suction hose

1шт.

18

1971366C2

CONTAINER

PAN - condensation

1шт.

19

1974623C1

FOAM

- open cell, used with 1971366C2 pan

1шт.

20

R51356

HOSE - 20 inch (508 mm) long, cut from F64508X bulk hose, front, see below

2шт.

For connections above cab roof see Figure 9-90.

1шт.

21

R44128

HOSE - 60 inch (1524 mm) long cut from F64508X bulk hose, rear, see below

2шт.

For connections above cab roof see Figure 9-90.

1шт.

22

214-1404

HOSE CLAMP,#04, 0.25" - 0.62", Type F Worm

CLAMP - adj, 1/4 - 5/8 inch dia, Type F

4шт.

23

F44790

VALVE

END - rubber, rear drain hose

2шт.

24

92153C1

SWITCH

- low pressure, used with R-12 refrigerant

1шт.

24a

122579A1

SWITCH, A/C LOW PRES

SWITCH - low pressure, used with HFC-134a refrigerant

1шт.

26

1999374C1

COVER

- hoses

1шт.

27

161-112

HEX SOC SCREW,Btn Hd, 5/16" - 18 x 1/2"

BOLT - hex socket button head, 5/16 NC x 1/2 inch

4шт.

28

R49939

CLAMP

- drain hoses

10шт.

29

280-1458

SELF-TAP SCREW,Hex Wash Hd, #10 x 1/2"

SCREW - self-tapping, hex washer head, No. 10-16 x 1/2 inch

6шт.

30

463-1108

SCREW,Hex Hd, #10-24 x 1/2"

- machine, hex head, No. 10 NC x 1/2 inch

4шт.

31

230-42409

NUT,#10-24, GA

NUT - hex, self-locking, No. 10 NC

4шт.

32

83822C1

TAPE

- cut 1/8 x 2-1/2 x 12 inch, cork, insulating, bulk roll, used on item 8 tube and all exposed metal tubing around core (item 10), cut from 1954475C1 bulk tape, see below

1шт.

For connections above cab roof see figure 9-90.

1шт.

33

135519A1

HOSE ASSY.

HOSE - 131-1/8 inch (3330 mm) long, discharge, compressor to cab, used with R-12 refrigerant

1шт.

33a

238-5015

O-RING,0.07" Thk x 0.551" ID, -15, Cl 5, 75 Duro

-015, 70 Duro, .551" ID x .070" Thk

1шт.

33b

1250594C1

CORE

VALVE - hose

1шт.

34

222-981

TUBE NUT,Cap, 3/8"-24, 45 Degree Fl

CAP - hex, 7/16-20 inch female 45 degree flare, sealing

1шт.

34a

238-5013

O-RING,0.07" Thk x 0.426" ID, -13, Cl 5, 75 Duro

-013, 70 Duro, .426" ID x .070" Thk

1шт.

35

135519A1

HOSE ASSY.

HOSE - 131-1/8 inch (3330 mm) long, discharge, compressor to cab, used with HFC-134a refrigerant

1шт.

35a

1284851

O-RING - 9/16 ID x 1/16 inch wide

1шт.

35b

1250594C1

CORE

VALVE - hose

1шт.

36

122554A1

CAP

- hex, 7/16-20 inch female 45 degree flare, sealing

1шт.

37

128484A1

O-RING,0.07" Thk x 0.426" ID, -13, Cl 5, 70 Duro

- 7/16 ID x 1/16 inch wide

1шт.

38

1975769C1

HOSE

- 128-5/8 inch (3267 mm) long, suction , compressor to cab, used with R-12 refrigerant

1шт.

38a

238-5015

O-RING,0.07" Thk x 0.551" ID, -15, Cl 5, 75 Duro

-015, 70 Duro, .551" ID x .070" Thk

2шт.

39

1250594C1

CORE

VALVE - hose

1шт.

39a

222-981

TUBE NUT,Cap, 3/8"-24, 45 Degree Fl

CAP - hex, 7/16-20 inch female 45 degree flare

1шт.

40

135520A1

HOSE ASSY.

HOSE - 128-5/8 inch (3267 mm) long, suction , compressor to cab, used with HFC-134a refrigerant

1шт.

40a

128485A1

O-RING,1.78mm Thk x 14mm ID, 70 Duro

- 9/16 ID x 1/16 inch wide

2шт.

41

1250594C1

CORE

VALVE - hose

1шт.

41a

122553A1

CAP

- hex, 7/16-20 inch female 45 degree flare

1шт.

42

92038C1

SWITCH, A/C HIGH PRE

SWITCH - high pressure, used with R-12 refrigerant

1шт.

42a

1999925C1

INDICATOR

SWITCH - high pressure, used with HFC-134a refrigerant

1шт.

43

R58601

HARNESS

- cab, air conditioning, high pressure switch and compressor to main cab harness

1шт.

44

L18337

CABLE TIE,9.95"-12.1" lg

STRAP - tie, 15 inch, nylon

1шт.

45

51200320

CLAMP

- P-type, 1 inch ID

1шт.

46

D43364

CLAMP

- P-type, 1-1/4 inch ID

1шт.

47

814-12050

BOLT,Hex, M12 x 1.75 x 50mm, Cl 8.8

1шт.

48

495-11053

WASHER,1/2", SAE

(17/32" x 1-1/16" x 3/32") 1/2", SAE

6шт.

F64508X

LARGE HOSE

HOSE - bulk, 1200 inch (30480 mm) long

1шт.

1954475C1

ROLL

TAPE - bulk, 2-1/2 (63.5) wide x 360 (9150) long x 1/8 (3) thick

1шт.

For connections above cab roof see figure 9-90.

1шт.

Выбрано товаров: 74