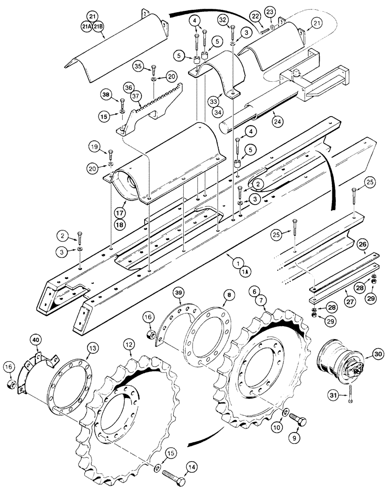
Запчасти Case 855E (5-02) - TRACK FRAMES AND RELATED PARTS, RIGHT-HAND TRACK SHOWN IN ILLUSTRATION (11) - TRACKS/STEERING

Схема запчастей Case 855E - (5-02) - TRACK FRAMES AND RELATED PARTS, RIGHT-HAND TRACK SHOWN IN ILLUSTRATION (11) - TRACKS/STEERING
38
15
2
20
28
32
29
21
29
22
25
35
24
16
4
5
25
27
7
30
37
4
13
4
6
15
9
17
5
6
39
2
21a
1a
1
5
33
28
3
3
21b
31
36
3
34
10
3
18
16
40
20
2
14
FIT
1:1
100%

Артикул

Название

Примечание

Количество

1

107007A1

FRAME

- track, loader models

2шт.

1a

107006A1

FRAME

- track, dozer models

2шт.

2

113-2714

LOCK BOLT,Locking, 3/4"-10 x 2", G8

BOLT, Locking, 3/4-10 x 2", G8

12шт.

3

D34666

WASHER,33.34mm ID x 63.5mm OD x 2.38mm Thk

- flat, special, hardened

14шт.

4

113-2719

LOCK BOLT,Locking, 3/4"-10 x 3", G8

BOLT, , Forward leg of main frame to track frame, inner bolts, both sides Locking, 3/4"-10 x 3", G8

8шт.

5

R30398

SPACER

- forward leg of main frame-track frame, inner bolts, both sides

8шт.

6

R56464

DRIVE SPROCKET

SPROCKET - 23 teeth, 10 bolt holes, standard

2шт.

7

R56508

DRIVE SPROCKET

SPROCKET - 23 teeth, 10 bolt holes, relieved option, not shown

2шт.

8

R46160

SHIM,.032" Thk

For sprocket with 10 bolt holes .032" Thk

1шт.

9

R27954

BOLT

- special, 3/4 NC x 3 inch, if used

20шт.

10

D34666

WASHER,33.34mm ID x 63.5mm OD x 2.38mm Thk

- flat, special, 3/4 inch, hardened

20шт.

11

232-41112

NUT,3/4"-10, GC

NUT, LOCK, 3/4"-10, GC

20шт.

12

R56535

DRIVE SPROCKET

SPROCKET - 23 teeth, 12 bolt holes, LGP dozer only

2шт.

13

R27241

SHIM,1/32" Thk

For sprocket with 12 bolt holes 1/32" Thk

1шт.

14

R31277

BOLT

- hex, special, 3/4 NC x 4-1/4 inch, grade 8

24шт.

15

D34666

WASHER,33.34mm ID x 63.5mm OD x 2.38mm Thk

- flat, special, 3/4 inch, hardened

24шт.

16

232-41112

NUT,3/4"-10, GC

NUT, LOCK, 3/4"-10, GC

24шт.

17

R58691

HOUSING

- recoil, no longer used, order 127609A1

2шт.

18

127609A1

HOUSING

- recoil

2шт.

19

413-1020

BOLT,Hex, 5/8" - 11 x 1-1/4", Gr 5

12шт.

20

96-21066

WASHER,21/32" x 1 5/16" x .150", HDN

- flat, 21/32 x 1-5/16 x 5/32 inch, hardened

12шт.

21

R46855

GUARD

- adjuster, 300 mm long, loader models, no longer used, order 126564A1

2шт.

21a

R55843

GUARD

- adjuster, 540 mm long, dozer models, no longer used, order 126564A1

2шт.

21b

126564A1

GUARD ASSY.

GUARD - adjuster, 524 mm long

4шт.

22

106-9820

LOCK BOLT,Locking, 1/2"-13 x 1 1/4", G5, Full Thd

BOLT, Locking, 1/2"-13 x 1 1/4", G5, Full Thd

4шт.

23

R24323

WASHER

- flat, special, 1/2 inch, hardened

4шт.

24

REF

INSTRUCTION

ADJUSTER ASSEMBLY - track, for correct assembly and components see figure 5-4

2шт.

25

413-1040

BOLT,Hex, 5/8" - 11 x 2-1/2", Gr 5

- hex, 5/8 NC x 2-1/2 inch

8шт.

26

R32491

SCREW

- idler, below track frame

1шт.

27

R32465

BAR

PLATE - wear, idler, lower

4шт.

28

492-11062

BEARING WASHER,5/8"

WASHER, LOCK, 5/8"

8шт.

29

425-1010

NUT,5/8"-11, G5

8шт.

30

R56593

SHIFTER ROLLER

ROLLER ASSEMBLY - track, parts list figure 5-8

10-12шт.

31

113-2707

LOCK BOLT,Locking, 3/4"-10 x 3", G5

BOLT, Locking, 3/4"-10 x 3", G5

40-48шт.

32

326-1224

BOLT,Hex, 3/4" - 10 x 1-1/2", Gr 8

2шт.

33

R35422

COVER

- recoil housing, left-hand, not shown

1шт.

34

R35423

COVER

- recoil housing, right-hand

1шт.

35

413-1024

BOLT,Hex, 5/8" - 11 x 1-1/2", Gr 5

2шт.

36

R58648

STEP

PLATE - step, left-hand, not shown

1шт.

37

R58649

STEP

PLATE - step, right-hand

1шт.

#36 & 37 - step: does not bolt to recoil housing as shown here - step bolts to last hole on recoil housing and to the rear track frame support mg 12/96

1шт.

38

113-2709

LOCK BOLT,Locking, 3/8"-10 x 2 1/2", G8

BOLT - hex. 3/4 NC x 2-1/2 inch

2шт.

39

117702A1

GUARD

- final drive shaft, for sprocket with 10 bolt holes, if used

4шт.

40

192443A1

GUARD

- final drive shaft, for sprocket with 12 bolt holes, if used

4шт.

Выбрано товаров: 44