Запчасти Case 855E (5-12) - CASE LUBRICATED TRACK CHAIN, WITH SPLIT MASTER LINKS (11) - TRACKS/STEERING

Схема запчастей Case 855E - (5-12) - CASE LUBRICATED TRACK CHAIN, WITH SPLIT MASTER LINKS (11) - TRACKS/STEERING
17
8
15
3
5
14
16
1
19
19
6
4
17
13
12
18
7
9
2
FIT
1:1
100%

Артикул

Название

Примечание

Количество

129020A1

TRACK CHAIN

CHAIN ASSEMBLY - track, 35 unit, if used

2шт.

129022A1

CHAIN (CE)

CHAIN ASSEMBLY - track, 38 unit, if used

2шт.

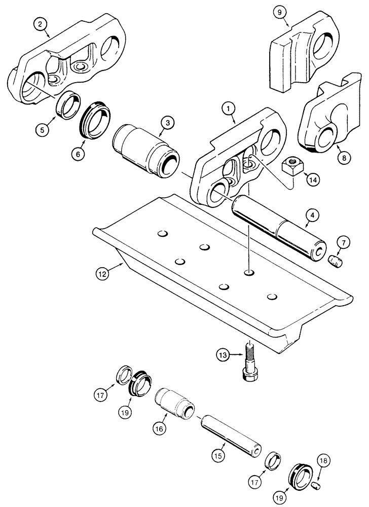
1

R56490

LINK

- track, right-hand

34-37шт.

2

R56489

LINK

- track, left-hand

34-37шт.

3

R56515

BUSHING,33.8mm ID x 56.9mm OD x 109.5mm L

- track pin

35-38шт.

4

R51131

PIN,33.48mm OD x 183.5mm L

- track

35-38шт.

5

R51132

SPACER

- seal

70-76шт.

6

R50830

OIL SEAL

- track pin

70-76шт.

7

R50441

PLUG

- track pin, 23/32 inch (18mm) diameter

35-38шт.

R57798

LINK

ASSEMBLY - master, right-hand

1шт.

8

NSS

NOT SOLD SEPARAT

LINK - track, master, fits over track pin on outside of regular track link, right-hand

1шт.

9

NSS

NOT SOLD SEPARAT

LINK - track, master, fits over bushing on inside of regular track link, right-hand

1шт.

R57797

LINK ASSY.

LINK ASSEMBLY - master, left-hand, not shown

1шт.

10

NSS

NOT SOLD SEPARAT

LINK - track, master, fits over track pin on outside of regular track link, left-hand, not shown

1шт.

11

NSS

NOT SOLD SEPARAT

LINK - track, master, fits over bushing on inside of regular track link, left-hand, not shown

1шт.

12

REF

INSTRUCTION

SHOE - track, see page 5-13 for track shoe options

70-76шт.

13

R44189

BOLT

BOLT - hex, special, 3-1/4 inch (83 mm) long, used with self-cleaning track shoes only

304шт.

R56024

SET

KIT - pin and bushing, includes instruction sheet, services complete chain for both sides of tractor

1шт.

15

R51131

PIN,33.48mm OD x 183.5mm L

- track, bushing kit

76шт.

16

R56515

BUSHING,33.8mm ID x 56.9mm OD x 109.5mm L

- track pin, kit

76шт.

17

R51132

SPACER

- seal, pin & bushing kit

152шт.

18

R50441

PLUG

- track pin, 23/32 inch (18mm) diameter, bushing kit

76шт.

19

R50830

OIL SEAL

- track pin, bushing kit

152шт.

20

345-140

SEALANT

ADHESIVE - rubber, Scotch Grip No. 847, 1 pint can, for link pin bores, not shown, bushing kit

1шт.

Выбрано товаров: 24