Запчасти Case 855E (6-22) - TRANSMISSION CONTROL VALVE ASSEMBLY, WITHOUT MODULATOR (06) - POWER TRAIN

Схема запчастей Case 855E - (6-22) - TRANSMISSION CONTROL VALVE ASSEMBLY, WITHOUT MODULATOR (06) - POWER TRAIN
9
5
8
2
11
14
13
10
12
5
4
9
3
7
1
6
3
1
FIT
1:1
100%

Артикул

Название

Примечание

Количество

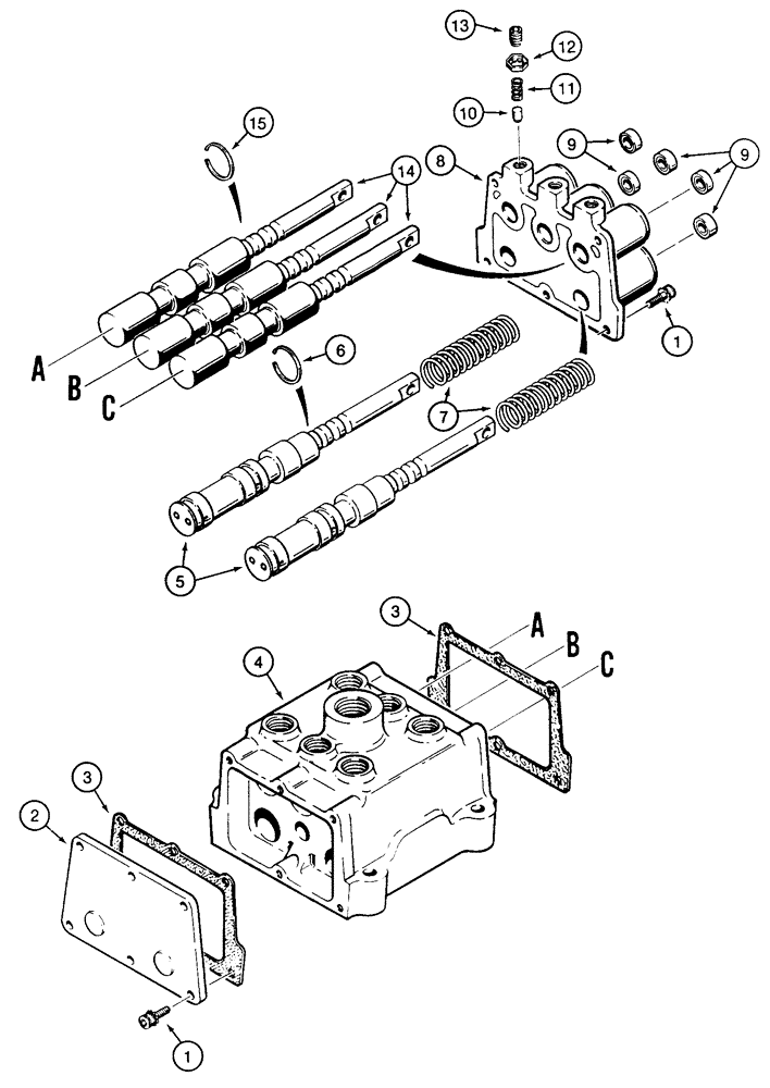
1542619C1

VALVE

ASSEMBLY - transmission control, for transmissions 1342921C2 and 1342922C2, see figure 6-8

1шт.

1

193-511

HEX SOC SCREW,Sems, 1/4"-28 x 5/8"

SCREW - external tooth lock, 1/4 NF x 5/8 inch

11шт.

2

R21384

COVER

- rear

1шт.

3

35665

GASKET

- cover

2шт.

4

NSS

NOT SOLD SEPARAT

BODY - control valve

1шт.

5

1542596C1

SPOOL

ASSEMBLY - clutch cutout

2шт.

6

G107637

RING, SNAP

RING - retaining, clutch cutout spool

1шт.

7

1542573C1

SPRING

- clutch cutout spool

2шт.

1542672C1

COVER

ASSEMBLY - front

1шт.

8

NSS

NOT SOLD SEPARAT

COVER - front

1шт.

9

G105700

OIL SEAL

- oil, spool, double lip

5шт.

10

71120

VALVE

PIN - dowel, spool detent

3шт.

11

1542824C1

SPRING

- poppet

3шт.

12

131-407

LOCK NUT,Pal, 3/8" - 16, 0.145" High

NUT - hex, self-locking, 3/8"-16 NC

3шт.

13

G104208

SET SCREW

SCREW - set, special, hex socket, oval point, 3/8 NC x 1/2 inch

3шт.

14

G107659

ROD

SPOOL ASSEMBLY - shift

3шт.

15

G107637

RING, SNAP

RING - retaining, shift spool

1шт.

Выбрано товаров: 17