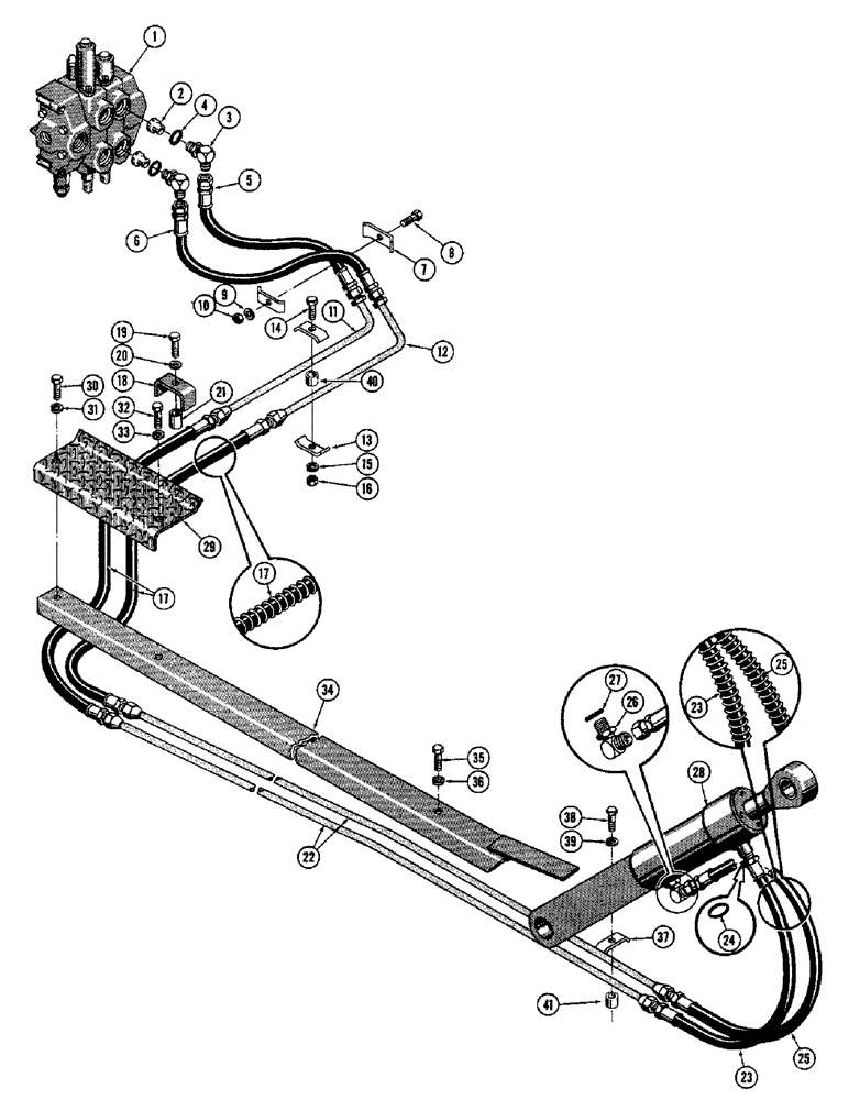
Запчасти Case 750 (206) - POWER TILT HYDRAULICS (07) - HYDRAULIC SYSTEM

Схема запчастей Case 750 - (206) - POWER TILT HYDRAULICS (07) - HYDRAULIC SYSTEM
33
1
9
10
40
20
18
12
17
37
25
21
16
7
3
26
28
24
17
2
30
32
14
22
31
23
15
8
19
5
38
11
6
4
34
41
39
25
36
35
27
29
23
13
FIT
1:1
100%

Артикул

Название

Примечание

Количество

1

REF

INSTRUCTION

VALVE - equipment control (See Fig. 254 for proper valve)

1шт.

2

D29139

RESTRICTOR - hydraulic line

2шт.

3

218-5108

ELBOW,90 Degree Elbow, 1-1/16" - 12 Male JIC x 1-1/16" - 12 Male ORB

adjustable 90º, 1 1/16"-12, 37º x 1 1/16"-12, O-Ring

2шт.

4

218-5008

O-RING,0.116" Thk x 0.924" ID, -912, Cl 6, 90 Duro

SEAL - "o" ring

1шт.

5

D32923

HOSE - valve to tilt cylinder, front port (26" long)

1шт.

6

D32835

HOSE - valve to tilt cylinder, rear port (21" long)

1шт.

7

R16916

CLAMP - hose

2шт.

8

13-532

BOLT,Hex, 5/16" - 18 x 2", Gr 5

1шт.

9

92-5

LOCK WASHER,5/16"

1шт.

10

9635082

NUT,5/16" - 18, Gr 5

- hex. (5/16" - 18 NC)

1шт.

11

D32807

TUBE - valve to tilt cylinder, front port

1шт.

12

D32813

TUBE - valve to tilt cylinder, rear port

1шт.

13

R16916

CLAMP - tube

2шт.

14

13-528

BOLT,Hex, 5/16" - 18 x 1-3/4", Gr 5

HHCS - 5/16" - 18 NC x 1-3/4"

1шт.

15

92-5

LOCK WASHER,5/16"

1шт.

16

9635082

NUT,5/16" - 18, Gr 5

- hex. (5/16" - 18 NC)

1шт.

17

D32817

HOSE - valve to tilt cylinder (30" long)

2шт.

18

R17393

CLAMP - hose

1шт.

19

14-836

BOLT,Hex, 1/2" - 20 x 2-1/4", Gr 5

HHCS - 1/2" - 20 NF x 2-1/4"

1шт.

20

92-8

LOCK WASHER,1/2"

1шт.

21

R17394

SPACER - clamp

1шт.

22

D32815

TUBE ASSY.

TUBE - valve to tilt cylinder

2шт.

23

D32811

HOSE

- valve to tilt cylinder, rod end (15" long)

1шт.

24

237-6010

O-RING,0.097" Thk x 0.755" ID, -910, Cl 6, 90 Duro

SEAL - "o" ring

1шт.

25

D32809

HOSE ASSY.

HOSE - valve to tilt cylinder, closed end (22-1/2" long)

1шт.

26

218-5107

90 ELBOW,90 Degree Elbow, 7/8" - 14 Male JIC x 7/8" - 14 Male ORB

- adjustable, 90 degrees

1шт.

27

237-6010

O-RING,0.097" Thk x 0.755" ID, -910, Cl 6, 90 Duro

SEAL - "o" ring

1шт.

28

D32907

X

CYLINDER - hydraulic, power tilt (Parts list Fig. 244)

1шт.

29

D32917

PLATE - step

1шт.

30

13-820

BOLT,Hex, 1/2" - 13 x 1-1/4", Gr 5, Full Thd

1шт.

31

92-8

LOCK WASHER,1/2"

1шт.

32

13-828

BOLT,Hex, 1/2" - 13 x 1-3/4", Gr 5

HHCS - 1/2" - 13 NC x 1-3/4"

1шт.

33

92-8

LOCK WASHER,1/2"

1шт.

34

D32916

SCREW

GUARD - tube

1шт.

35

13-828

BOLT,Hex, 1/2" - 13 x 1-3/4", Gr 5

HHCS - 1/2" - 13 NC x 1-3/4"

1шт.

36

92-8

LOCK WASHER,1/2"

1шт.

37

36801

GEAR

CLAMP - hose

1шт.

38

13-820

BOLT,Hex, 1/2" - 13 x 1-1/4", Gr 5, Full Thd

1шт.

39

92-8

LOCK WASHER,1/2"

1шт.

40

D33552

BUSHING

SPACER - tube

1шт.

41

D33551

BUSHING

SPACER - tube

1шт.

Выбрано товаров: 41