Запчасти Case 750 (212) - * RIPPER AND RIPPER HYDRAULICS, (EARLY PRODUCTION) (07) - HYDRAULIC SYSTEM

Схема запчастей Case 750 - (212) - * RIPPER AND RIPPER HYDRAULICS, (EARLY PRODUCTION) (07) - HYDRAULIC SYSTEM
20
31
26
25
30
17
29
7
40
27
22
54
18
3
51
30
2
32
35
9
47
26
11
21
10
8
34
48
1
4
24
16
42
15
37
45
38
49
50
44
43
52
39
46
6
12
28
33
13
5
41
53
14
23
1a
36
19
FIT
1:1
100%

Артикул

Название

Примечание

Количество

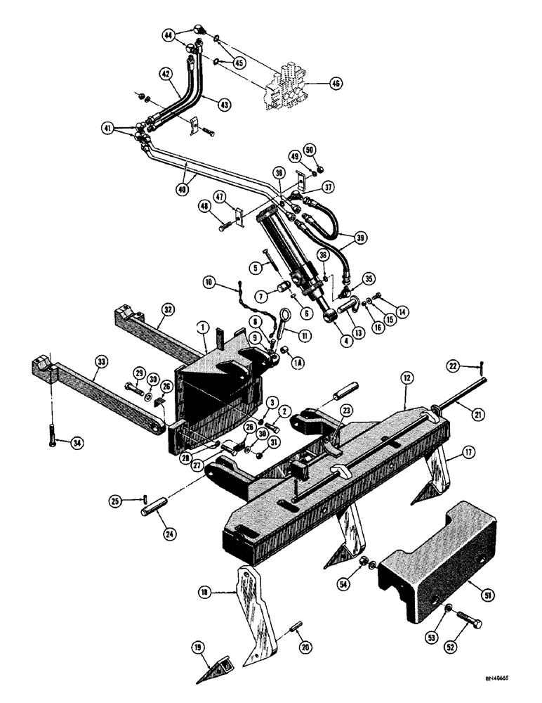
1

D30450

BACKING PLATE - ripper (When stock is exhausted order D29486 for service)

1шт.

1a

70332

BUSHING - backing plate

2шт.

2

14-1024

BOLT,Hex, 5/8" - 18 x 1-1/2", Gr 5

8шт.

3

92-10

LOCK WASHER,5/8"

WASHER, LOCK, 5/8"

8шт.

4

R16739

X

CYLINDER - hydraulic, ripper lift and lower (Parts list Fig. 246) When stock is exhausted, order 1 - D28766 hydraulic cylinder, 2 - 13-660 capscrews and 2 - 131-352 locknuts for service

1шт.

5

14-672

BOLT,Hex, 3/8" - 24 x 4-1/2", Gr 5

HHCS - 3/8" - 24 NF x 4-1/2"

2шт.

6

230-4616

LOCK NUT,3/8"-24, GA

NUT - lock (3/8" - 24 NF)

2шт.

7

70333

PIN - cylinder attaching

2шт.

8

13-512

BOLT,Hex, 5/16" - 18 x 3/4", Gr 5

1шт.

9

95-5

WASHER,3/8" x 7/8" x .083"

- standard wrot (3/8")

1шт.

10

35393

AXLE-SHAFT, ARTICULA

CHAIN - pin attaching

1шт.

11

72101

PIN - ripper frame locking

1шт.

12

D30445

FRAME - ripper (When stock is exhausted order D31805 for service)

1шт.

13

R16245

PIN - ripper frame to hydraulic cylinder

1шт.

14

14-816

BOLT,Hex, 1/2" - 20 x 1", Gr 5

HHCS - 1/2" - 20 NF x 1"

1шт.

15

195-33

WASHER,1/2"

- plain (17/32")

1шт.

16

D23740

BUSHING

1шт.

17

R17659

TOOTH ASSEMBLY - ripper

3шт.

18

R17501

SHANK

1шт.

19

74172

TOOTH

1шт.

20

138-207

LOCK PIN,1/2" x 2 1/4", Slotted

PIN, 1/2" x 2 1/4", Slotted

1шт.

21

R17652

ROD - ripper tooth attaching

1шт.

22

135-773

PIN - groove, 5/16" dia. x 1-3/4"

2шт.

23

R19989

BRACKET - ripper latch

1шт.

24

D30473

PIN - ripper frame attaching

2шт.

25

138-180

LOCK PIN,3/8" x 2 1/2", Slotted

PIN, 3/8" x 2 1/2", Slotted

4шт.

26

D30441

SPARE PART

WEDGE BLOCK - ripper arm guide

4шт.

27

14-1048

BOLT,Hex, 5/8" - 18 x 3", Gr 5

HHCS - 5/8" - 18 NF x 3"

2шт.

28

92-10

LOCK WASHER,5/8"

WASHER, LOCK, 5/8"

2шт.

29

13-1048

BOLT,Hex, 5/8" - 11 x 3", Gr 5

2шт.

30

D31694

WASHER - special

4шт.

31

131-14

LOCK NUT,5/8"-11, GC

NUT, LOCK, 5/8"-11, GC

2шт.

32

D30452

ARM - ripper attaching, RH

1шт.

33

D30451

ARM - ripper attaching, LH

1шт.

34

13-1288

BOLT,Hex, 3/4" - 10 x 5-1/2", Gr 5

HHCS - 3/4" - 10 NC x 5-1/2"

4шт.

35

R20839

FITTING

ELBOW - special, 90 degrees

1шт.

36

237-6010

O-RING,0.097" Thk x 0.755" ID, -910, Cl 6, 90 Duro

SEAL - "o" ring

1шт.

37

218-5107

90 ELBOW,90 Degree Elbow, 7/8" - 14 Male JIC x 7/8" - 14 Male ORB

- adjustable, 90 degrees

1шт.

38

237-6010

O-RING,0.097" Thk x 0.755" ID, -910, Cl 6, 90 Duro

SEAL - "o" ring

1шт.

39

36547

HOSE

- hydraulic cylinder to tube (19" long)

2шт.

40

D30507

TUBE - hydraulic cylinder to equipment control valve

2шт.

41

D26361

FITTING

ELBOW - special, 90 degrees

2шт.

42

D30504

HOSE - hydraulic cylinder, upper port to equipment control valve (18" long)

1шт.

43

D30503

HOSE - hydraulic cylinder, lower port to equipment control valve (22" long)

1шт.

44

D29145

ELBOW UNION

ELBOW - special, 90 degrees

2шт.

45

218-5008

O-RING,0.116" Thk x 0.924" ID, -912, Cl 6, 90 Duro

SEAL - "o" ring

1шт.

46

REF

INSTRUCTION

VALVE - equipment control (See Fig. 252 and 254 for proper valve)

1шт.

47

R16916

CLAMP - tube

3шт.

48

13-532

BOLT,Hex, 5/16" - 18 x 2", Gr 5

2шт.

49

92-5

LOCK WASHER,5/16"

2шт.

50

9635082

NUT,5/16" - 18, Gr 5

- hex. (5/16" - 18 NC)

2шт.

51

R17728

WEIGHT - ripper counterweight (600 lbs.)

1шт.

52

14-1688

BOLT,Hex, 1" - 14 x 5-1/2", Gr 5

HHCS - 1" - 14 NF x 5-1/2"

2шт.

53

195-53

WASHER,1" x 2" x .134"

- plain (1-1/16")

4шт.

54

131-370

LOCK NUT

NUT - hex., lock (1" - 14 NF)

2шт.

Выбрано товаров: 55