Запчасти Case 750 (016) - CYLINDER BLOCK ASSEMBLY, (267) DIESEL ENGINE (01) - ENGINE

Схема запчастей Case 750 - (016) - CYLINDER BLOCK ASSEMBLY, (267) DIESEL ENGINE (01) - ENGINE
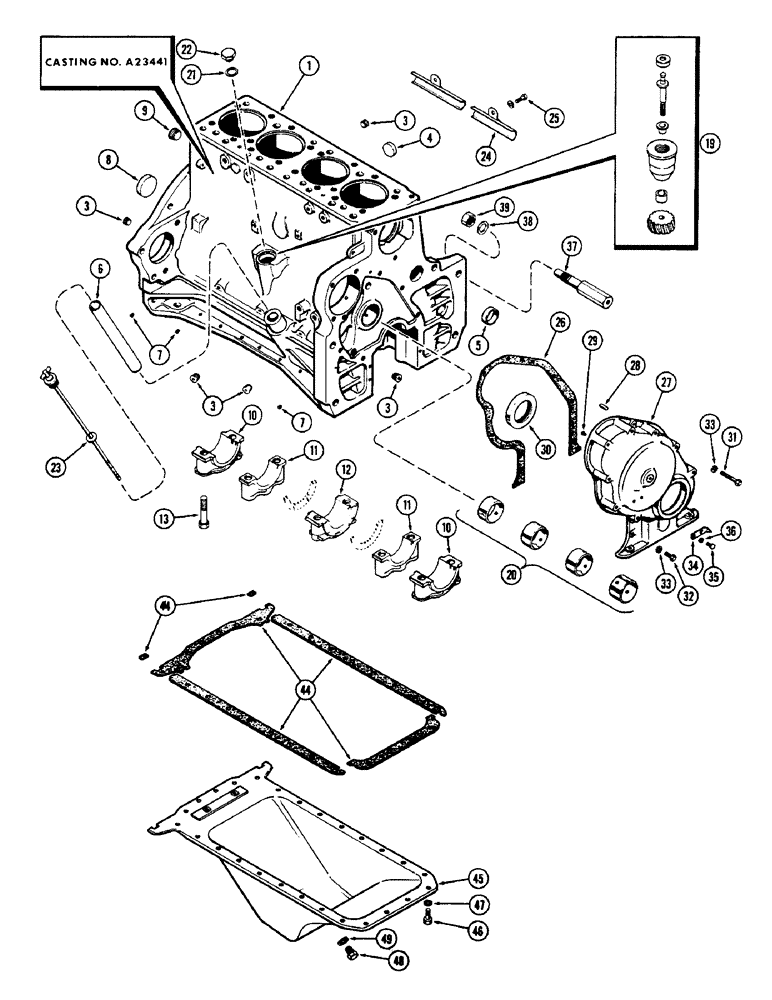
25
8
28
48
11
7
47
31
3
11
32
10
37
39
49
3
36
30
12
27
13
46
3
34
45
10
44
22
20
7
44
19
33
3
26
38
33
29
21
23
6
9
1
24
4
5
35
FIT
1:1
100%

Артикул

Название

Примечание

Количество

A40820

SKELETON ENGINE

BLOCK ASSY. - engine, short (Not illust.) (Incl. stripped block, sleeves, pistons & rings, rods, crankshaft w/gears, crankshaft, w/gear, rear seal retainer lifters and oil gauge socket (Casting no. A23441)

1шт.

1

A40821

X

BLOCK ASSY. - engine, stripped (Casting no. A23441)

1шт.

3

221-1843

PLUG

- pipe, 3/8" NPT, hex. socket hd.

5шт.

4

41-1622

PLUG,Cup, 1 3/8", Stainless

- cup, water galley (Not used on all blocks)

1шт.

5

41-1628

PLUG,Cup, 1 3/4", Stainless

- cup, front water gallery

1шт.

6

A22602

X

SOCKET - oil gauge dipstick

1шт.

7

221-41

PLUG

- pipe, 1/8" NPT, slotted hd.

3шт.

8

A24361

PLUG

- cup, rear camshaft hole

1шт.

9

221-1036

DRAIN PLUG,Sq Soc, 1"-11 1/2, NTPF

PLUG - pipe, 1" NPT, ctsk. hd.

1шт.

10

A24941

CAP

- brg., crankshaft (Wide)

2шт.

11

A24942

CYLINDER END CAP

CAP - brg., crankshaft (Narrow)

2шт.

12

A24943

CAP

- thrust brg., crankshaft

1шт.

13

A27836

SPECIAL BOLT,5/8" - 11 x 3 1/4"

SCREW - cap, brg. cap mounting

10шт.

19

A33610

DRIVE

ASSY. - tachometer

1шт.

20

A23577

KIT

BUSHING KIT - camshaft (Set of 4)

1шт.

21

A27968

RING

WASHER - plug, copper (Shipping purposes)

1шт.

22

A22594

CAP

PLUG - tachometer drive cover (Shipping purposes)

1шт.

23

A22589

ELECTRICAL GAUGE

DIPSTICK - oil level gauge

1шт.

24

A7532

CONDUIT - wiring

1шт.

25

13-58

BOLT,Hex, 5/16" - 18 x 1/2", Gr 5

2шт.

26

A33018

GASKET

- timing gear cover

1шт.

27

A57403

COVER

ASSY. - timing gear (Replaces A20718)

1шт.

28

A27840

PIN

- dowel, cover locating

2шт.

29

A27869

BUTTON - thrust

2шт.

30

A57342

SEAL

- oil, front crankshaft (Replaces A23433)

1шт.

31

13-620

BOLT,Hex, 3/8" - 16 x 1-1/4", Gr 5, Full Thd

- 3/8 x 2-1/2" NC, hex.

8шт.

32

13-616

BOLT,Hex, 3/8" - 16 x 1", Gr 5, Full Thd

2шт.

33

92-6

LOCK WASHER,3/8"

10шт.

34

A21362

CLIP

POINTER - timing

1шт.

35

13-48

BOLT,Hex, 1/4" - 20 x 1/2", Gr 5

2шт.

36

193-73

LOCK WASHER,Ext-Int Tooth, 1/4"

WASHER - Shakeproof, 1/4" int.

2шт.

37

A22683

CARRIER

- generator

1шт.

38

92-12

LOCK WASHER,3/4"

WASHER, LOCK, 3/4"

1шт.

39

25-1112

NUT,3/4"-16, G5

- 3/4" NF hex.

1шт.

44

A20171

GASKET

KIT - oil pan (See Fig. 32)

1шт.

45

A21041

PAN

- oil, engine

1шт.

46

13-614

BOLT,Hex, 3/8" - 16 x 7/8", Gr 5, Full Thd

Oil pan Hex, 3/8"-16 x 7/8", G5, Full Thd

24шт.

47

92-6

LOCK WASHER,3/8"

oil pan 3/8"

24шт.

48

A14280

PLUG

- drain, oil pan

1шт.

49

A27927

OIL PAN GASKET SET

- drain plug, oil pan

1шт.

Выбрано товаров: 40