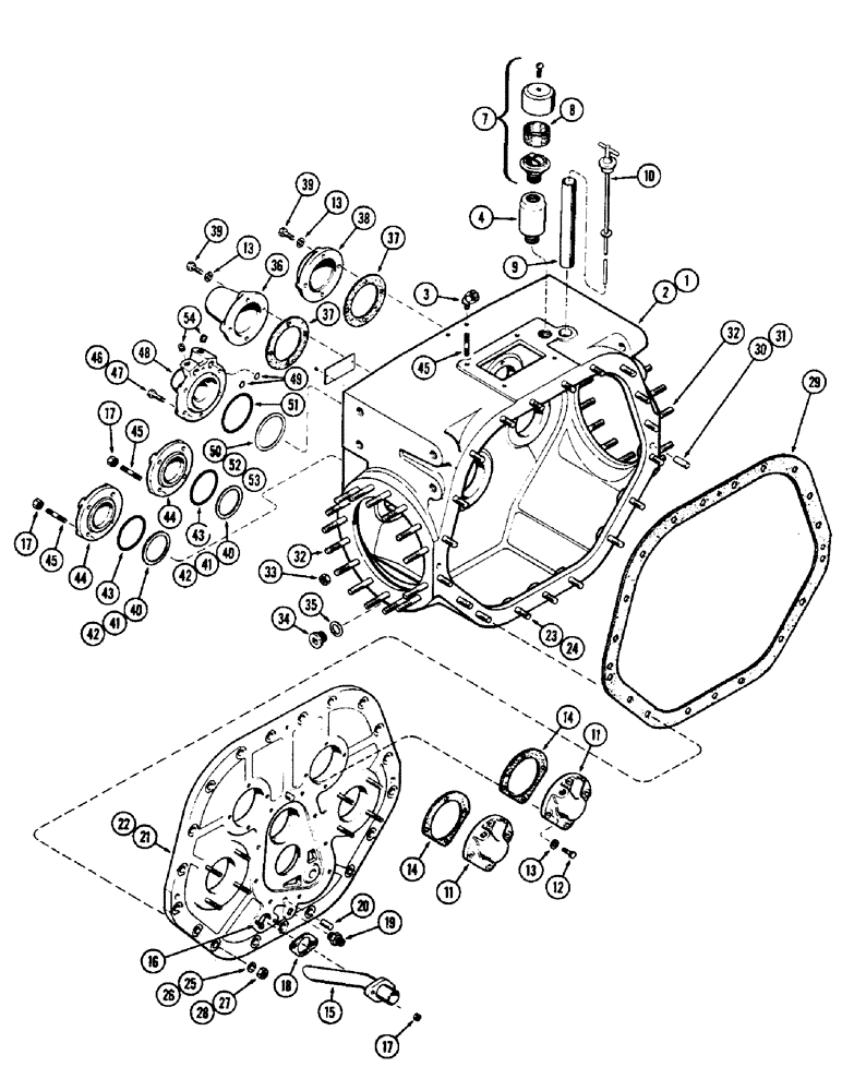
Запчасти Case 750 (072) - TRANSMISSION HOUSING AND COVERS, USED PRIOR TO TRANS. SER. NO. 2129206 (03) - TRANSMISSION

Схема запчастей Case 750 - (072) - TRANSMISSION HOUSING AND COVERS, USED PRIOR TO TRANS. SER. NO. 2129206 (03) - TRANSMISSION
23
38
25
17
28
31
10
53
46
48
3
4
14
27
43
20
19
12
40
40
41
44
41
16
8
1
14
39
52
45
9
45
42
7
21
24
22
42
18
44
13
33
39
50
45
36
35
43
13
32
29
54
26
15
13
2
32
34
37
11
30
47
51
17
37
49
11
17
FIT
1:1
100%

Артикул

Название

Примечание

Количество

A50015

TRANSMISSION & FINAL DRIVE ASSY. - complete (Order A50305)

1шт.

1

A50248

HOUSING - (Trans. S/N 2011638 to S/N 2129206)

1шт.

2

A50016

HOUSING - trans. (Prior trans. S/N 2011638)

1шт.

3

R22368

ELBOW

- 45 degree street

2шт.

4

A50116

BAFFLE

- breather

1шт.

7

A9238

BREATHER

- transmission

1шт.

8

A10059

FILTER, ELEMENT

ELEMENT - transmission breather

1шт.

9

A50018

TUBE

- oil level gauge

1шт.

10

A50225

DIPSTICK

GAUGE - dipstick, trans. oil level

1шт.

11

A50057

COVER

- oil inlet, front

2шт.

12

13-618

BOLT,Hex, 3/8" - 16 x 1-1/8", Gr 5

8шт.

13

A22317

WASHER

- frt. & rear cover bolt (Copper)

10шт.

14

A50056

GASKET

- oil inlet cover

2шт.

15

A50110

TUBE

SNORKEL - transmission oil suction

1шт.

16

A50051

STUD

- mtg., snorkel

2шт.

17

25-106

NUT,3/8"-16, G5

- 3/8" NC, hex.

10шт.

18

A50109

GASKET

- snorkel tube

1шт.

19

R20711

CONNECTOR, ELEC

CONNECTOR - oil return

1шт.

20

A50017

AXLE PIN

PIN - dowel, shift cover mtg.

2шт.

21

A50049

COVER - trans., frt. (Prior trans. S/N 2011638)

1шт.

22

A50250

COVER - trans., frt. (Trans. S/N, Serial Range: 2011638-2129206)

1шт.

23

A50249

STUD

- frt. cover to hsg. (Trans. S/N 2011638 & after)

19шт.

24

A50241

STUD

- frt. cover to hsg. (Prior trans. S/N 2011638)

19шт.

25

92-9

BEARING WASHER,9/16"

(Use w/A50249) 9/16"

19шт.

26

92-8

LOCK WASHER,1/2"

(Use w/A50241) 1/2"

19шт.

27

131-12

LOCK NUT,9/16"-12, GB

NUT, LOCK, (Trans. S/N 2011638 & after) 9/16"-12, GB

19шт.

28

131-10

NUT,1/2"-13, GB

NUT, LOCK, (Prior trans. S/N 2011638) 1/2"-13, GB

19шт.

29

A50246

GASKET

- trans. front cover to hsg.

1шт.

30

A50247

DOWEL

PIN - dowel, front cover (Trans. S/N 2011638 & after)

2шт.

31

A50017

AXLE PIN

PIN - dowel, front cover (Prior trans. S/N 2011638)

2шт.

32

A50021

STUD

- mtg., final drive

30шт.

33

131-10

NUT,1/2"-13, GB

NUT, LOCK, 1/2"-13, GB

30шт.

34

R14777

PLUG

- transmission drain

1шт.

35

A27947

X

WASHER - plug, copper

1шт.

36

A50059

COVER

- transmission, rear

1шт.

37

A50058

GASKET

- oil cover, rear

2шт.

38

A50060

COVER

- transmission, rear

1шт.

39

13-624

BOLT,Hex, 3/8" - 16 x 1-1/2", Gr 5

- 3/8 x 1-1/2" NC hex.

8шт.

40

A50066

SHIM,.003" Thk

Rear cover .003" Thk

1шт.

41

A50067

SHIM,.005" Thk

Rear cover .005" Thk

1шт.

42

A50068

SHIM,.010" Thk

Rear cover .010" Thk

1шт.

43

A50070

SHIM

SEAL - rear cover

2шт.

44

A50069

COVER - transmission, rear

2шт.

45

A50019

NO LONGER SERVICED

STUD - mtg., rear cover and valve

12шт.

46

13-616

BOLT,Hex, 3/8" - 16 x 1", Gr 5, Full Thd

5шт.

47

13-628

BOLT,Hex, 3/8" - 16 x 1-3/4", Gr 5

1шт.

48

A50054

COVER

- oil inlet, rear

1шт.

49

A29197

O-RING,0.424" ID x 0.63" OD x 0.103"

"O" RING - rear cover seal

2шт.

50

A50053

SHIM,.003" Thk

Rear cover .003" Thk

1шт.

51

A50055

SEALING RING

- cover, rear

1шт.

52

40590

SHIM

- rear cover (.005" thick)

1шт.

53

40591

SHIM

- rear cover (.010" thick)

1шт.

54

221-1840

PLUG

- pipe, sq. sckt. head (1/8" NPT)

2шт.

Выбрано товаров: 53