Запчасти Case 750 (090) - TRANSMISSION HYDRAULICS (03) - TRANSMISSION

Схема запчастей Case 750 - (090) - TRANSMISSION HYDRAULICS (03) - TRANSMISSION
13
15
24
13
12
16
2
14
18
22
9
3
23
12
1
12
12
19
21
8
17
6
13
5
11
20
22
18
21
20
13
4
7
10
10
2
FIT
1:1
100%

Артикул

Название

Примечание

Количество

A50305

TRANSMISSION & FINAL DRIVE ASSY. - complete (Transmission S/N 2129206 and after)

1шт.

A50015

TRANSMISSION & FINAL DRIVE ASSY. - complete (Prior transmission S/N 2129206) (Order A50305)

1шт.

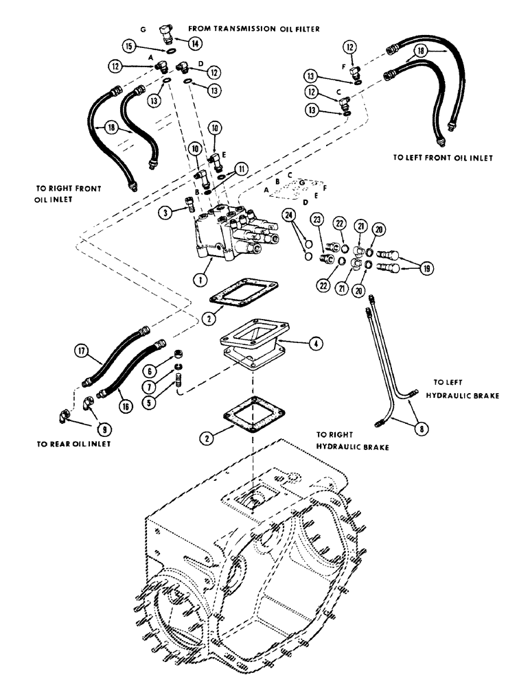
1

R20724

VALVE

ASSY. - control, trans. (Repairs, Fig. 92)

1шт.

2

A50113

GASKET

- mtg. valve & base

2шт.

3

166-49

12 PT SCREW,Flg, 3/8" - 16 x 2", Gr 8

BOLT - ferry cap 3/8" NC x 2" 12 pt. hd.

4шт.

4

A50114

BASE

- valve mounting

1шт.

5

A50019

NO LONGER SERVICED

STUD - mtg., valve base

4шт.

6

25-106

NUT,3/8"-16, G5

- 3/8" NC hex.

4шт.

7

92-6

LOCK WASHER,3/8"

4шт.

8

A50126

TUBE

- valve to LH & RH brake cylinder

2шт.

9

R22368

ELBOW

- 45 degree, valve hose to rear housing

2шт.

10

R20739

FITTING

ELBOW ASSY. - 90, adjustable, long rear hose

2шт.

11

218-5005

O-RING,0.078" Thk x 0.468" ID, -906, Cl 6, 90 Duro

6-1, 90 Duro, .468" ID x .078" Thk, elbow seal

1шт.

12

218-5105

ELBOW,90 Degree Elbow, 9/16" - 18 Male JIC x 9/16" - 18 Male ORB

ASSY. - 90 degree adjustable, short front hose

4шт.

13

218-5005

O-RING,0.078" Thk x 0.468" ID, -906, Cl 6, 90 Duro

6-1, 90 Duro, .468" ID x .078" Thk, elbow seal

1шт.

14

R20894

FITTING

ELBOW ASSY. - 90 degree adj., extra long

1шт.

15

237-6010

O-RING,0.097" Thk x 0.755" ID, -910, Cl 6, 90 Duro

"O" RING - elbow seal

1шт.

16

A50294

HYDRAULIC HOSE,14.25"

- Valve to rear hsg, LH side 14.25"

1шт.

17

A50295

HYDRAULIC HOSE,6.35 mm ID x 419.00 mm, SAE100R1

6.35 mm ID x 419.00 mm, SAE 100R1 - Valve to rear hsg, RH side

1шт.

18

A50296

HYDRAULIC HOSE,6.35 mm ID x 495.30 mm, SAE100R1

6.35 mm ID x 495.30 mm, SAE 100R1 - Control valve to front inlet cover

4шт.

19

A12864

BOLT

- connection, brake tube

2шт.

20

51200242

SEAL,15.24mm ID x 20.64mm OD x 0.81mm Thk

- brake connection bolt, outer

2шт.

21

51200243

FITTING

- brake line hydraulic

2шт.

22

L114099

WASHER,13.64mm ID x 21.21mm OD x 1.59mm Thk

GASKET - connection bolt, inner

2шт.

23

72125

ADAPTER

- brake tube fitting bolt

2шт.

24

218-5006

O-RING,0.087" Thk x 0.644" ID, -908, Cl 6, 90 Duro

"O" RING - adapter sealing

2шт.

Выбрано товаров: 26