Запчасти Case 750 (136) - IDLER WHEEL AND TRACK ADJUSTER (04) - UNDERCARRIAGE

Схема запчастей Case 750 - (136) - IDLER WHEEL AND TRACK ADJUSTER (04) - UNDERCARRIAGE
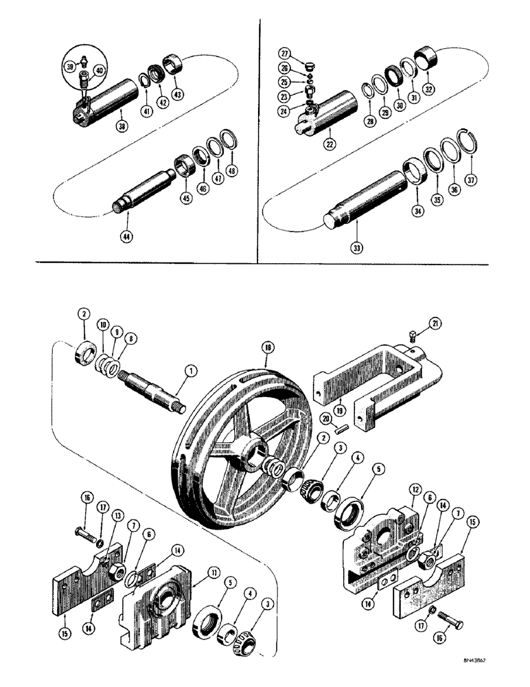
26
17
27
16
47
10
46
24
39
44
32
7
1
4
38
22
40
5
11
3
45
2
16
21
28
8
31
30
34
20
35
25
2
14
41
29
19
33
36
12
3
4
7
15
23
14
13
14
42
48
14
37
43
15
17
5
6
18
9
6
FIT
1:1
100%

Артикул

Название

Примечание

Количество

D12098

FRONT IDLER

AND BRACKET - RH

1шт.

D12097

FRONT IDLER

AND BRACKET - LH

1шт.

D31454

KIT

- idler wheel, service

1шт.

1

70085

SHAFT

- front idler

1шт.

2

A27732

BEARING CUP

CUP - bearing

2шт.

3

NLS

NO LONGER SERVICED

CONE - bearing

2шт.

4

70071

BUSHING

SPACER - front idler

2шт.

5

D31848

OIL SEAL

- oil

2шт.

6

R12826

WASHER

- special, lock (1-1/2")

2шт.

7

25-1524

JAM NUT,Jam, 1 1/2"-12, G5

- hex., jam (1-1/2" - 12 NF)

2шт.

8

R13586

SHIM,.005" Thk

Front idler .005" Thk

1шт.

9

R13587

SHIM,.007" Thk

Front idler .007" Thk

1шт.

10

R13588

SHIM,.010" Thk

Front idler .010" Thk

1шт.

11

D30261

BRACKET

- front idler, RH

1шт.

12

D30262

BRACKET

- front idler, LH

1шт.

13

219-1

LUBE NIPPLE,1/8" - 27 NPTF

FITTING - straight grease, 1/8" NPT

1шт.

14

R10274

SHIM - idler wheel (.035" thick)

1шт.

15

R10269

PLATE ASSY.

PLATE - guide

2шт.

16

13-1032

BOLT,Hex, 5/8" - 11 x 2", Gr 5

8шт.

17

92-10

LOCK WASHER,5/8"

WASHER, LOCK, 5/8"

8шт.

18

D31282

WHEEL (STEERING)

WHEEL - idler

1шт.

D30364

YOKE

ASSEMBLY - front idler wheel

2шт.

19

NSS

NOT SOLD SEPARAT

YOKE - front idler wheel

1шт.

20

R16453

PIN

- dowel, 5/8" dia. x 1-1/2"

2шт.

21

181-275

SET SCREW,Sq Hd, 1/2"-13 x 1"

SHSS - 1/2" - 13 NC x 1"

2шт.

D31301

TRACK ADJUSTER - hydraulic, 5 roller track (Used before tractor serial no. 7071432) Order D36733 track adjuster for service

2шт.

D31203

TRACK ADJUSTER - hydraulic, 6 roller track (Used before tractor serial no. 7071432) Order D36732 track adjuster for service

2шт.

22

D30370

TUBE

- track adjuster

1шт.

23

D30366

TUBE NUT

ADAPTER - grease fitting

1шт.

24

A27927

OIL PAN GASKET SET

WASHER - track adjuster (When stock is exhausted, order D32659 washer for service)

1шт.

D32659

WASHER

- track adjuster

1шт.

25

D30375

BUSHING

SPACER - safety

1шт.

26

219-401

LUBE NIPPLE,1/8" - 27 NPTF

FITTING - grease, track adjuster

1шт.

27

D30486

PLUG

AND WASHER - track adjuster

1шт.

28

A7611

SNAP RING,#175, Ext

Ring, Snap, #175, Ext

1шт.

29

D31200

WASHER

- special (1-25/32")

1шт.

30

D31201

X

"U" PACKING - track adjuster

1шт.

31

D31202

WASHER

- track adjuster (1-3/4")

1шт.

32

D30368

BEARING

BUSHING - track adjuster

1шт.

33

D31300

PISTON

- track adjuster (D31301 track adjuster only)

1шт.

D31198

PISTON - track adjuster (D31203 track adjuster only)

1шт.

34

D30374

RING,60.43mm ID x 73.15mm OD x 25.4mm L

- rider

1шт.

35

D30373

WIPER

SEAL - oil

1шт.

36

D31199

WASHER

- special

1шт.

37

D32043

RING

- retainer

1шт.

D36733

ADJUSTER

TRACK ADJUSTER - hydraulic, 5 roller track (Used on tractor serial no. 7071432 and after)

2шт.

D36732

ADJUSTER

TRACK ADJUSTER - hydraulic, 6 roller track (Used on tractor serial no. 7071432 and after)

2шт.

38

D36730

CYLINDER

TUBE - track adjuster

1шт.

39

219-1

LUBE NIPPLE,1/8" - 27 NPTF

FITTING - straight grease, 1/8" NPT

1шт.

40

D35287

CHECK VALVE,5/8" - 18

CHECK BALL ASSEMBLY - track adjuster

1шт.

41

A7611

SNAP RING,#175, Ext

Ring, Snap, #175, Ext

1шт.

42

D38110

PACKING

- "U" type

1шт.

43

D30368

BEARING

- backup

1шт.

44

D31300

PISTON

- track adjuster (D36733 track adjuster only)

1шт.

D31198

PISTON - track adjuster (D36732 track adjuster only)

1шт.

45

D30374

RING,60.43mm ID x 73.15mm OD x 25.4mm L

- rider

1шт.

46

D30373

WIPER

SEAL - wiper

1шт.

47

D31199

WASHER

- special

1шт.

48

D32043

RING

- retainer

1шт.

Выбрано товаров: 59