Запчасти Case 750 (100) - BRAKE PEDALS (05) - UPPERSTRUCTURE CHASSIS

Схема запчастей Case 750 - (100) - BRAKE PEDALS (05) - UPPERSTRUCTURE CHASSIS
3
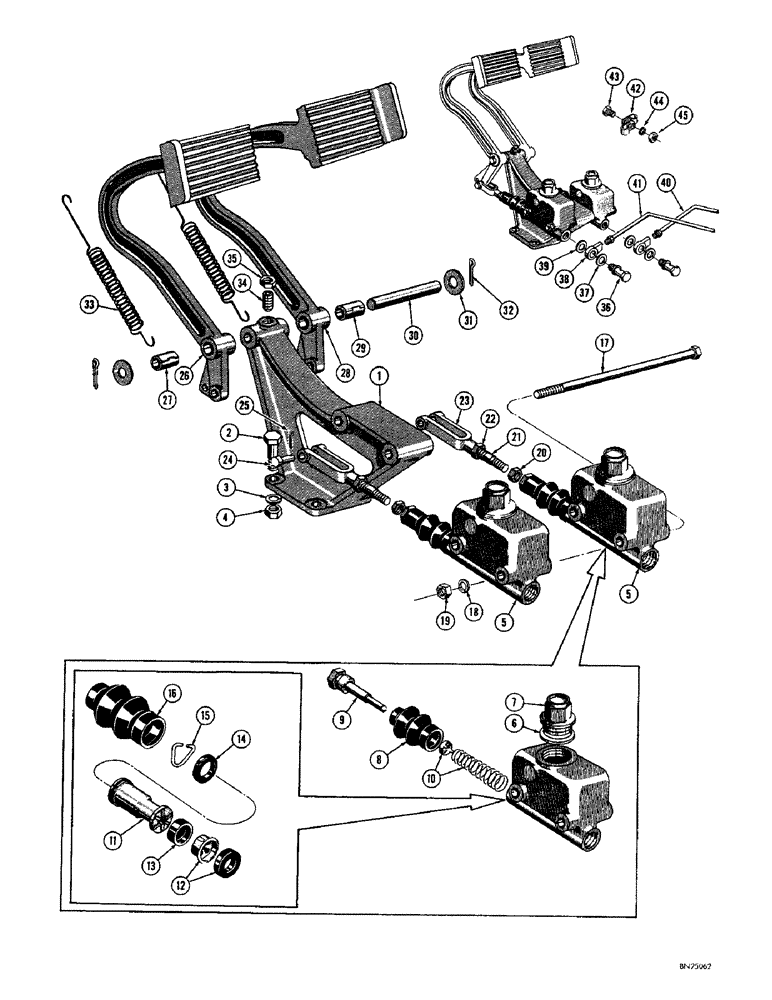
18
11
39
19
25
33
23
38
40
30
26
6
22
32
35
12
29
1
28
7
13
45
17
43
10
42
2
44
9
15
5
37
4
27
36
20
8
14
5
31
21
24
16
34
41
FIT
1:1
100%

Артикул

Название

Примечание

Количество

1

R13496

SUPPORT - brake

1шт.

2

13-620

BOLT,Hex, 3/8" - 16 x 1-1/4", Gr 5, Full Thd

(R13496 mounting) Hex, 3/8"-16 x 1 1/4", G5, Full Thd

4шт.

3

92-6

LOCK WASHER,3/8"

4шт.

4

25-106

NUT,3/8"-16, G5

- hex. (3/8" - 16 NC)

4шт.

5

31481

CYLINDER

- master, brake

2шт.

6

33356

GASKET - filler cap

1шт.

7

NLS

NO LONGER SERVICED

CAP - filler

1шт.

8

33346

BOOT

- master cylinder

1шт.

9

33345

ROD

- push

1шт.

10

33352

SPRING

AND RETAINER - master cylinder

1шт.

5896

KIT

- master cylinder repair

1шт.

11

NSS

NOT SOLD SEPARAT

PISTON

1шт.

12

NSS

NOT SOLD SEPARAT

VALVE

1шт.

13

NSS

NOT SOLD SEPARAT

CUP - master cylinder

1шт.

14

NSS

NOT SOLD SEPARAT

PLATE - piston stop

1шт.

15

NSS

NOT SOLD SEPARAT

LOCKWIRE - piston stop

1шт.

16

33346

BOOT

- master cylinder

1шт.

17

13-6112

BOLT,Hex, 3/8" - 16 x 7", Gr 5

HHCS - 3/8" - 16 NC x 7"

2шт.

18

92-6

LOCK WASHER,3/8"

2шт.

19

25-106

NUT,3/8"-16, G5

- hex. (3/8" - 16 NC)

2шт.

20

9635082

NUT,5/16" - 18, Gr 5

- hex. (5/16" - 18 NC)

2шт.

21

R13580

ROD

- push, brake

2шт.

22

25-158

JAM NUT,Jam, 1/2"-20, G5

- hex., jam (1/2" - 20 NF)

2шт.

23

213-6

ADJUSTABLE CLEVIS,1/2"-20 x 3"

YOKE - end, adjustable (1/2" - 20 NF)

2шт.

24

141-6

CLEVIS PIN,1/2" x 1.360"

PIN - yoke

2шт.

25

132-48

COTTER PIN,1/8" x 1"

Pin, Split (Cotter), 1/8" x 1"

2шт.

R19193

PEDAL - brake, LH

1шт.

26

NSS

NOT SOLD SEPARAT

PEDAL - brake, LH

1шт.

27

R19189

SLEEVE

BEARING - sleeve (When stock is exhausted, order D40392 bearing for service)

1шт.

D40392

BUSHING

BEARING - sleeve

1шт.

R19194

PEDAL

- brake, RH

1шт.

28

NSS

NOT SOLD SEPARAT

PEDAL - brake, RH

1шт.

29

R19189

SLEEVE

BEARING - sleeve (When stock is exhausted, order D40392 bearing for service

1шт.

D40392

BUSHING

BEARING - sleeve

1шт.

30

NLS

NO LONGER SERVICED

PIN- break pedal pivot

1шт.

31

195-45

WASHER,3/4"

2шт.

32

132-71

COTTER PIN,5/32" x 1 1/4"

Pin, Split (Cotter), 5/32" x 1 1/4"

2шт.

33

R13628

SPRING

- pedal return

2шт.

34

178-459

SET,Hex Soc, 3/8"-16 x 1"

SHSS - 3/8" - 16 NC x 1"

1шт.

35

25-146

JAM NUT,Jam, 3/8"-16, G5

- hex., jam (3/8" - 16 NC)

1шт.

36

A12864

BOLT

- connecting, tube fitting

2шт.

37

51200242

SEAL,15.24mm ID x 20.64mm OD x 0.81mm Thk

- inlet connection

2шт.

38

50861

FITTING

- 3/16" tube

2шт.

39

NLS

NO LONGER SERVICED

- inlet connection

2шт.

40

D32349

TUBE - brake, brake master cylinder to equipment control valve (RH)

1шт.

41

D32348

TUBE - brake, brake master cylinder to equipment control valve (LH)

1шт.

42

515-2348

CLAMP,4.8mm ID, 10.3mm Bolt Hole, P Type

CLIP - tube mounting

2шт.

43

13-612

BOLT,Hex, 3/8" - 16 x 3/4", Gr 5, Full Thd

1шт.

44

92-6

LOCK WASHER,3/8"

1шт.

45

25-106

NUT,3/8"-16, G5

- hex. (3/8" - 16 NC)

1шт.

Выбрано товаров: 50