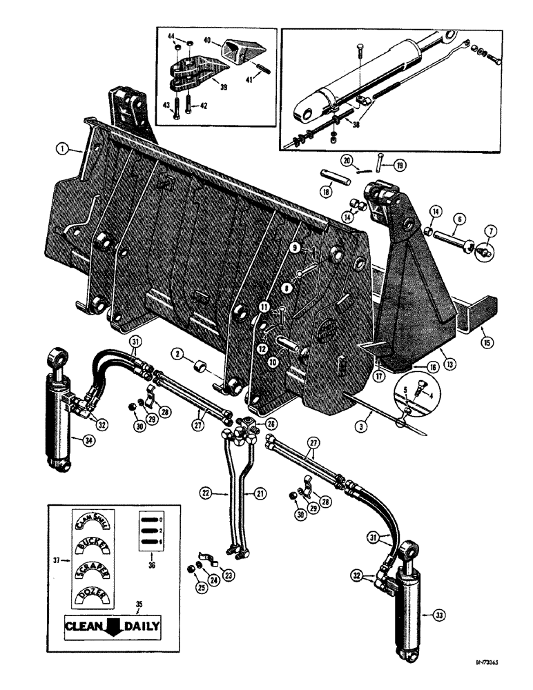
Запчасти Case 750 (176) - DROTT 4-IN-1 BUCKET (05) - UPPERSTRUCTURE CHASSIS

Схема запчастей Case 750 - (176) - DROTT 4-IN-1 BUCKET (05) - UPPERSTRUCTURE CHASSIS
18
26
30
43
41
36
14
27
7
15
35
39
6
3
12
38
8
17
10
14
29
2
29
30
11
28
33
19
21
40
32
22
5
9
25
32
44
28
27
20
4
1
31
42
24
23
37
13
34
31
16
FIT
1:1
100%

Артикул

Название

Примечание

Количество

D37199

BUCKET - Drott, 1-1/8 cu. yard (Machinery item)

1шт.

1

D38839

BLADE ASSEMBLY - bucket

1шт.

2

R19660

BUSHING

- bucket ear

8шт.

3

D38846

CUTTING EDGE - blade

1шт.

4

19-1228

CARRIAGE BOLT,#3, 3/4" - 10 x 1 3/4", Gr 5

BOLT - plow (3/4" - 10 NC x 1-3/4")

11шт.

5

25-1012

NUT,3/4"-10, G5

11шт.

6

D38847

AXLE PIN

PIN -, Serial Range: clam-blade

2шт.

7

219-11

LUBE NIPPLE,1/4" - 28 NPTF

FITTING - grease, straight (1/4" - 28 NF)

1шт.

8

A18666

PIN

- clevis, 1/2" dia. x 4"

2шт.

9

132-48

COTTER PIN,1/8" x 1"

Pin, Split (Cotter), 1/8" x 1"

2шт.

10

A17662

PIN

- cylinder base

2шт.

11

A17663

PIN

- clevis, 1/2" dia. x 2-3/4"

2шт.

12

132-48

COTTER PIN,1/8" x 1"

Pin, Split (Cotter), 1/8" x 1"

2шт.

13

D38840

CLAM ASSEMBLY - bucket

1шт.

14

A18662

BUSHING

- clam

6шт.

15

D38841

CUTTING EDGE - clam

1шт.

16

D38845

WEAR PLATE - clam

1шт.

17

D38842

HOOK

- grab

2шт.

18

A18667

PIN

-, Serial Range: clam-cylinder

2шт.

19

A18666

PIN

- clevis, 1/2" dia. x 4"

2шт.

20

132-48

COTTER PIN,1/8" x 1"

Pin, Split (Cotter), 1/8" x 1"

2шт.

21

D38833

TUBE - to relief valve, RH

1шт.

22

D38832

TUBE - to relief valve, LH

1шт.

23

D38835

CLAMP

- tube

1шт.

24

92-6

LOCK WASHER,3/8"

1шт.

25

25-106

NUT,3/8"-16, G5

- hex. (3/8" - 16 NC)

1шт.

26

D38826

HYDRAULIC VALVE

VALVE - relief (Parts list Fig. 236)

1шт.

27

A18675

TUBE

- relief, Serial Range: valve-cylinders

4шт.

28

A17696

COLLAR CLAMP

CLAMP - tube

2шт.

29

92-6

LOCK WASHER,3/8"

2шт.

30

25-106

NUT,3/8"-16, G5

- hex. (3/8" - 16 NC)

2шт.

31

A17687

HOSE ASSY.

HOSE - relief, Serial Range: valve-cylinder

4шт.

32

D38836

X

ELBOW - hose to clam cylinder

4шт.

33

A17668

CYLINDER

- hydraulic, clam (RH) Parts list Fig. 236(1)

1шт.

34

A17669

CYLINDER

- hydraulic, clam (LH) Parts list Fig. 236(1)

1шт.

35

D39085

DECAL - clean out

2шт.

36

D39086

DECAL - clam opening

1шт.

37

D39087

DECAL

- 4 in 1 tilt

1шт.

38

D39088

INDICATOR - bucket position (See page 174 for related parts)

1шт.

A18668

TOOTH

SET - bucket, machinery item, optional

6шт.

39

NSS

NOT SOLD SEPARAT

SHANK - tooth, bucket optional

1шт.

40

A18670

POINT

TIP - tooth, bucket optional

1шт.

41

138-307

LOCK PIN,3/8" x 2 3/8", Slotted

Pin, , bucket teeth optional 3/8" x 2 3/8", Slotted

1шт.

42

13-840

BOLT,Hex, 1/2" - 13 x 2-1/2", Gr 5

HHCS - 1/2" - 13 NC x 2-1/2", bucket teeth optional

1шт.

43

13-844

BOLT,Hex, 1/2" - 13 x 2-3/4", Gr 5

Hex, 1/2"-13 x 2 3/4", G5, Bucket teeth optional

1шт.

44

25-108

NUT,1/2"-13, G5

- hex. (1/2" - 13 NC), bucket teeth optional

2шт.

Выбрано товаров: 46