Запчасти Case 750 (204) - POWER TILT DOZER (05) - UPPERSTRUCTURE CHASSIS

Схема запчастей Case 750 - (204) - POWER TILT DOZER (05) - UPPERSTRUCTURE CHASSIS
39
46
26
12
44
41
2
11
23
13
18
37
1
18
6
33
9
45
2
22
16
38
8
4
48
3
5
21
15
17
11
50
10
36
1
22
31
16
43
40
48
35
49
28
48
42
37
20
49
24
48
52
25
36
14
29
35
47
51
30
32
27
9
7
35
34
19
FIT
1:1
100%

Артикул

Название

Примечание

Количество

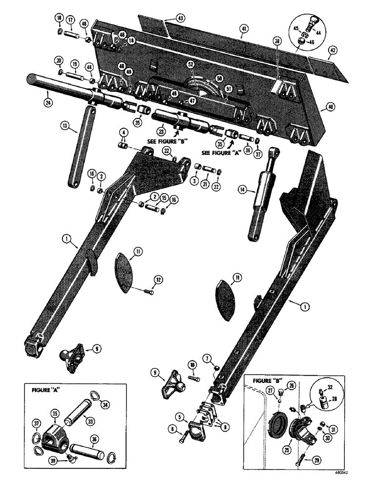
1

D32780

BEAM - dozer push, RH

1шт.

D32781

BEAM - dozer push, LH

1шт.

2

D32919

BUSHING,38.4mm ID x 47.63mm OD x 19.05mm L

- push beam

2шт.

3

D32786

BUSHING,31.98mm ID x 41.27mm OD x 47.5mm L

- push beam

1шт.

4

D30929

BUSHING,38.33mm ID x 47.63mm OD x 38.1mm L

- push beam

2шт.

5

NSS

NOT SOLD SEPARAT

CAP - dozer push beam

2шт.

6

14-1064

BOLT,Hex, 5/8" - 18 x 4", Gr 5

HHCS - 5/8" - 18 NF x 4"

8шт.

7

231-46110

LOCK NUT,5/8"-18, GB

NUT - hex., lock (5/8" - 18 NF)

8шт.

8

70384

SHIM

- 1/32" thick

1шт.

9

D32920

TRUNNION - push

2шт.

10

13-1224

BOLT,Hex, 3/4" - 10 x 1-1/2", Gr 5

8шт.

11

D32925

PLATE - rub

2шт.

12

13-1224

BOLT,Hex, 3/4" - 10 x 1-1/2", Gr 5

4шт.

13

D32918

STRUT - push, Serial Range: beam-moldboard

1шт.

15

D25078

PIN

- mounting, strut and cylinder to push beam

2шт.

16

D25279

SNAP RING,M35, Int

RING - snap

4шт.

17

D32930

PIN,38.1mm OD x 127mm L

- mounting, strut and, Serial Range: cylinder-moldboard

2шт.

18

D25279

SNAP RING,M35, Int

RING - snap

4шт.

19

D32931

PIN

- mounting, push, Serial Range: beam-moldboard

2шт.

20

D25279

SNAP RING,M35, Int

RING - snap

4шт.

21

D32933

PIVOT PIN,31.75mm OD x 127mm L

PIN - mounting, push, Serial Range: beam-moldboard

2шт.

22

D26918

SNAP RING,#125, Ext

Ring, Snap, #125, Ext

4шт.

23

D32845

CYLINDER

- hydraulic, dozer lift (RH) Parts list Fig. 244

1шт.

24

D32844

CYLINDER - hydraulic, dozer lift (LH) Parts list Fig. 244

1шт.

25

D24497

TRUNNION

- lift cylinder

2шт.

26

D28481

PLUG

- ball retaining

2шт.

27

211-17

BALL,3/4" Dia

- trunnion retaining

38шт.

28

D28482

PIN

- lift cylinder mounting

4шт.

29

13-648

BOLT,Hex, 3/8" - 16 x 3", Gr 5

HHCS - 3/8" - 16 NC x 3"

4шт.

30

92-6

LOCK WASHER,3/8"

4шт.

31

25-106

NUT,3/8"-16, G5

- hex. (3/8" - 16 NC)

4шт.

32

219-1

LUBE NIPPLE,1/8" - 27 NPTF

FITTING - straight grease (1/8" NPT)

6шт.

33

D32932

PIN,31.75mm OD x 112.78mm L

- mounting, lift, Serial Range: cylinder-universal

2шт.

34

D26918

SNAP RING,#125, Ext

Ring, Snap, #125, Ext

4шт.

35

D32926

UNIVERSAL JOINT

JOINT - universal, lift cylinder mounting

2шт.

36

D32933

PIVOT PIN,31.75mm OD x 127mm L

PIN - mounting, Serial Range: universal-moldboard

2шт.

37

D26918

SNAP RING,#125, Ext

Ring, Snap, #125, Ext

4шт.

38

D36347

GAUGE - dozer leveling

1шт.

39

219-40

LUBE NIPPLE,65 Degree Elbow, 1/8" - 27 NPTF

FITTING - grease, 67-1/2 degrees (1/8" NPT)

2шт.

40

D32880

MOLDBOARD - bulldozer, 88-1/2"

1шт.

41

R23000

EDGE, CUTTING

BLADE - center cutting

1шт.

42

70441

BLADE

- end cutting, RH

1шт.

43

70442

BLADE

- end cutting, LH

1шт.

44

19-1032

BOLT,5/8" - 11 x 2", Gr 5

- plow, 5/8" - 11 NC x 2"

22шт.

45

92-10

LOCK WASHER,5/8"

WASHER, LOCK, 5/8"

22шт.

46

25-1010

NUT,5/8"-11, G5

22шт.

47

D32789

BUSHING,31.98mm ID x 41.27mm OD x 19.05mm L

- moldboard

4шт.

48

D31140

BUSHING,38.33mm ID x 47.63mm OD x 25.4mm L

- moldboard

8шт.

49

D32890

BUSHING

- moldboard

4шт.

50

D32895

RING

- retaining, swivel

1шт.

51

D32896

BEAM - moldboard

1шт.

52

D32892

SWIVEL ASSEMBLY - moldboard

1шт.

Выбрано товаров: 52