Запчасти Case 750 (046) - INSTRUMENT PANEL (06) - ELECTRICAL SYSTEMS

Схема запчастей Case 750 - (046) - INSTRUMENT PANEL (06) - ELECTRICAL SYSTEMS
29
20
59
23
6
55
31
35
56
50
18
5
17
21
25
56
16
70
58
57
19
2
10
38
47
37
58
63
46
36
53
8
60
9
1
62
44
52
30
61
49
22
24
43
66
68
32
42
41
39
71
27
4
45
15
64
13
40
26
3
28
34
57
51
24
15
33
54
14
12
48
69
65
67
11
25
26
7
23
FIT
1:1
100%

Артикул

Название

Примечание

Количество

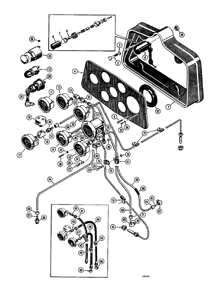
1

R13048

MOUNT - instrument panel

1шт.

2

13-814

BOLT,Hex, 1/2" - 13 x 7/8", Gr 5, Full Thd

Hex 1/2"-13 x 7/8", G5, Full Thd

2шт.

3

92-8

LOCK WASHER,1/2"

2шт.

4

R18981

PANEL - instrument

1шт.

5

R20124

SCREW

FHMS - 1/4" - 28 NF x 1/2"

4шт.

6

R19896

LAMP

- dash

1шт.

7

R22232

SIGHTGLASS

LENS - dash lamp

1шт.

8

R22237

COVER

- dash lamp

1шт.

9

R19897

BULB

- dash lamp

1шт.

10

86637932

JAM NUT,Jam, 5/8"-18, G5

NUT - hex., jam (5/8" - 18 NF)

1шт.

11

R18748

AMMETER

1шт.

12

D29570

GAUGE

- transmission pressure

1шт.

13

217-15

ELBOW,45 Degree, 1/8"-27 NPTF, Fem x 1/8"-27 NPTF Male

- street, 45 degrees

1шт.

14

R15126

X

GAUGE - torque converter temperature (When stock is exhausted, order D44005 gauge for service)

1шт.

D44005

ELECTRICAL GAUGE

GAUGE - torque converter temperature

1шт.

15

49838

CLAMP

- cable

2шт.

16

R21496

ADAPTER

- special

1шт.

17

D22853

GAUGE

- engine oil pressure

1шт.

18

217-10

TEE,1/8" - 27 NPTF Fem

- female (1/8" NPT)

1шт.

19

D28798

SWITCH

- pressure

1шт.

20

R18807

ELECTRICAL GAUGE

GAUGE - water temperature

1шт.

21

515-2348

CLAMP,4.8mm ID, 10.3mm Bolt Hole, P Type

- cable

2шт.

22

R15953

GAUGE

- torque converter pressure

1шт.

23

13-416

BOLT,Hex, 1/4" - 20 x 1", Gr 5

2шт.

24

95-4

WASHER,1/4"

- standard wrot () 1/4"

2шт.

25

92-4

LOCK WASHER,1/4"

WASHER, LOCK, 1/4"

2шт.

26

25-104

NUT,1/4"-20, G5

2шт.

27

R18745

METER - engine hour (When stock is exhausted, order D39287 kit for service)

1шт.

D39287

HOURMETER

KIT - engine hour meter

1шт.

28

NSS

NOT SOLD SEPARAT

METER - engine hour

1шт.

29

D39285

ELECTRICAL WIRE

WIRE - hour meter (36")

2шт.

D39284

KIT

PACKAGE - mounting hardware

1шт.

30

173-61

SCREW,Sl Rnd Hd, #6 - 32 x 1/2"

RHMS - #6 - 32 NC x 1/2"

3шт.

31

193-24

LOCK WASHER,Int Tooth, #6

WASHER, LOCK, Int Tooth, #6

3шт.

32

R18744

DAMPER

VIBRATION DAMPENER - hour meter

1шт.

33

174-201

SCREW,Sl Rnd Hd, #10 - 32 x 5/8"

RHMS - no. 10 - 32 NF x 5/8"

6шт.

34

193-26

LOCK WASHER,Int Tooth, #10

WASHER, LOCK, Int Tooth, #10

6шт.

35

R22699

X

SWITCH - light (When stock is exhausted, order 1 - D35065 switch and 2 - A56120 washers for service)

1шт.

D35065

SWITCH

- light

1шт.

36

A56120

WASHER

- special (Used with D35065 switch)

2шт.

37

A30858

SWITCH

- push button, starter

1шт.

38

D36731

SWITCH

AND KEY - electrical

1шт.

39

D36822

KEY

- switch (Set of two)

1шт.

40

222-741

HYD CONNECTOR,7/16"-20 45 Degree Fl x 1/8" NPT Fem

ADAPTER - female, straight, used before trac. s/n 7071543

1шт.

41

D30254

X

HOSE - transmission pressure gauge (30" long), used before trac. s/n 7071543

1шт.

42

515-23143

CLAMP,9/16", Insul, 3/8" Bolt

- hose, used before trac. s/n 7071543

1шт.

43

222-802

HYD CONNECTOR,7/16"-20, 45 Degree Fl x 1/8" NPT

ADAPTER - male, straight, used before trac. s/n 7071543

1шт.

44

R20636

FLEXIBLE HOSE

HOSE - engine oil pressure gauge (40" long), used before trac. s/n 7071543

1шт.

45

515-23143

CLAMP,9/16", Insul, 3/8" Bolt

- hose, used before trac. s/n 7071543

1шт.

46

222-762

ELBOW,90 Degree, 7/16"-20, 45 Degree Fl x 1/8" NPT

male, used before trac. s/n 7071543 90º, 7/16"-20, 45º Fl x 1/8" NPT

1шт.

47

222-741

HYD CONNECTOR,7/16"-20 45 Degree Fl x 1/8" NPT Fem

ADAPTER - female, straight, used before trac. s/n 7071543

1шт.

48

R20634

HOSE ASSY.

HOSE - torque converter pressure gauge (25" long), used before trac. s/n 7071543

1шт.

49

515-23143

CLAMP,9/16", Insul, 3/8" Bolt

- hose, used before trac. s/n 7071543

1шт.

50

222-762

ELBOW,90 Degree, 7/16"-20, 45 Degree Fl x 1/8" NPT

male, used before trac. s/n 7071543 90º, 7/16"-20, 45º Fl x 1/8" NPT

1шт.

51

D35091

PIPE FITTING

CONNECTOR - special, used ontrac. s/n 7071543 & after

1шт.

52

D37176

SLEEVE

- flex tube, used ontrac. s/n 7071543 & after

1шт.

53

D37362

TUBE NUT

- flex tube, used ontrac. s/n 7071543 & after

1шт.

54

D36946

TUBE

- transmission pressure gauge (28-3/4" long), used ontrac. s/n 7071543 & after

1шт.

55

80049853

YOKE

- tube, used ontrac. s/n 7071543 & after

1шт.

56

D35816

CONNECTOR, ELEC

CONNECTOR - special, used ontrac. s/n 7071543 & after

2шт.

57

D37176

SLEEVE

- flex tube, used ontrac. s/n 7071543 & after

1шт.

58

D37362

TUBE NUT

- flex tube, used ontrac. s/n 7071543 & after

1шт.

59

D34933

LOOM

- protective, tube, used ontrac. s/n 7071543 & after

1шт.

60

D36944

TUBE

- engine oil pressure gauge (39-3/8" long), used ontrac. s/n 7071543 & after

1шт.

61

515-2363

CLAMP,M6.3, Insul, 3/8" Bolt

- tube, used ontrac. s/n 7071543 & after

1шт.

62

D35081

FITTING

ELBOW - special, used ontrac. s/n 7071543 & after

1шт.

63

D37176

SLEEVE

- flex tube, used ontrac. s/n 7071543 & after

1шт.

64

D37362

TUBE NUT

- flex tube, used ontrac. s/n 7071543 & after

1шт.

65

D35091

PIPE FITTING

CONNECTOR - special, used ontrac. s/n 7071543 & after

1шт.

66

D37176

SLEEVE

- flex tube, used ontrac. s/n 7071543 & after

1шт.

67

D37362

TUBE NUT

- flex tube, used ontrac. s/n 7071543 & after

1шт.

68

D36945

TUBE

- torque converter pressure gauge (25" long), used ontrac. s/n 7071543 & after

1шт.

69

D35081

FITTING

ELBOW - special, used ontrac. s/n 7071543 & after

1шт.

70

D37176

SLEEVE

- flex tube, used ontrac. s/n 7071543 & after

1шт.

71

D37362

TUBE NUT

- flex tube, used ontrac. s/n 7071543 & after

1шт.

Выбрано товаров: 75