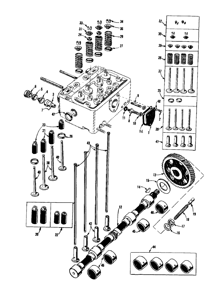
Запчасти Case 750 (014) - CAMSHAFT, VALVES, & PUSH RODS - DIESEL (01) - ENGINE

Схема запчастей Case 750 - (014) - CAMSHAFT, VALVES, & PUSH RODS - DIESEL (01) - ENGINE
26
5
12
10
17
44
1a
45
19
39
23
27
14
9
16
29
3
40
48
35
36
37
34
18
46
21
13
42
47
30
20
45
43
24
4
32
28
15
6
40
11
8
22
33
7
1
41
31
25
38
2
FIT
1:1
100%

Артикул

Название

Примечание

Количество

1

A22607

COVER ASSY

PLATE - cylinder head cover

2шт.

1a

A22939

GASKET

- cover plate

2шт.

2

13-512

BOLT,Hex, 5/16" - 18 x 3/4", Gr 5

(A22607 mtg.) Hex, 5/16"-18 x 3/4", G5, Full Thd

6шт.

3

A22978

BODY

- Powrcel

4шт.

4

A22979

CAP - Powrcel

4шт.

5

A11812

CLAMP

- Powrcel

4шт.

6

A11813

PLUG

SCREW - Powrcel clamp

4шт.

7

A11810

PIN,3.19mm OD x 6.99mm L

- locating, Powrcel body

4шт.

8

A10678

STUD

- nozzle holder, large

4шт.

9

O9848AB

X

STUD - nozzle holder, small

4шт.

10

25-116

NUT,Hex, 3/8"-24, G5

- reg. SF hex. (3/8 - 24 NF)

8шт.

11

A10679

GASKET

- nozzle holder stud

4шт.

12

A21030

X

CAMSHAFT

1шт.

13

A22604

GEAR

- camshaft

1шт.

14

126-28

WOODRUFF KEY,#18, 1/4" x 1 1/8"

1шт.

15

A21017

WASHER

- camshaft thrust

1шт.

16

0970AB

WASHER - lock, camshaft nut

1шт.

17

0971AB

NUT - camshaft (1-1/8 NC)

1шт.

18

O9726AB

X

SPRING - camshaft thrust plunger

1шт.

19

O9725AB

X

PLUNGER - camshaft thrust

1шт.

20

A21671

GUIDE

KIT - inlet valve guide

2шт.

21

6321A

GUIDE - inlet valve (Order #A21671)

2шт.

22

A21674

GUIDE

KIT - exhaust valve guide

2шт.

23

A11803

GUIDE

- exhaust valve (Order #A21674)

2шт.

24

A10726

SEAL

SHIELD - rubber, intake valve stem

4шт.

25

A21683

SHAFT

KIT - exhaust valve seat insert

2шт.

26

A21023

INSERT

- exhaust valve seat (Order #A21683)

2шт.

27

O9751AB

X

SEAT - inlet and exhaust valve spring

8шт.

28

A21694

SPRING

KIT - valve spring

2шт.

29

A21076

SPRING

- valve (Order #A21694)

4шт.

30

A21657

LOCK

KIT - valve lock and retainer

2шт.

31

A7359

RETAINER (Order #A21657)

2шт.

32

A21656

RETAINER

KIT - valve lock

1шт.

33

O9763AB

LOCK - valve spring retainer (Order #A21656)

4шт.

34

O9763AB

LOCK - valve spring retainer (Order #A21656)

8шт.

35

A21688

CAP

KIT - roto cap, exhaust valve

1шт.

36

A20864

CAP ASS'Y - roto (Order #A21688)

4шт.

37

A22839

KIT

- inlet valve

1шт.

38

A20862

X

VALVE - inlet (Order #A22839)

4шт.

39

A220840

KIT - exhaust valve

1шт.

40

A20863

X

VALVE - exhaust (Order #A22840)

4шт.

41

A21653

KIT

- valve lifter

2шт.

42

A20865

TAPPET

LIFTER - valve (Order #A21653)

4шт.

43

A21060

ROD

- push

8шт.

44

A21661

X

KIT - camshaft bushing

1шт.

45

A21019

BUSHING,57.05mm ID x 60.33mm OD x 36.63mm L

- camshaft, 2nd, 3rd, and rear (Order #A21661)

3шт.

46

A21018

BUSHING,57.11mm ID x 60.33mm OD x 42.32mm L

- camshaft, front (Order #A21661)

1шт.

47

A21514

X

PLUG - cup, 1-5/8 dia.

2шт.

48

92-5

LOCK WASHER,5/16"

WASHER, LOCK, 5/16"

6шт.

Выбрано товаров: 49